Vw 1971 Fuse Diagram

Vw 1971 Fuse Diagram

  • Category : Fuse Diagram
  • Post Date : January 22, 2026
Vw 1971 Fuse Diagram 9 out of 10 based on 30 ratings. 10 user reviews.

Vw 1971 Fuse Diagram

Ford Torino 1971 Fuse Box Block Circuit Breaker Diagram

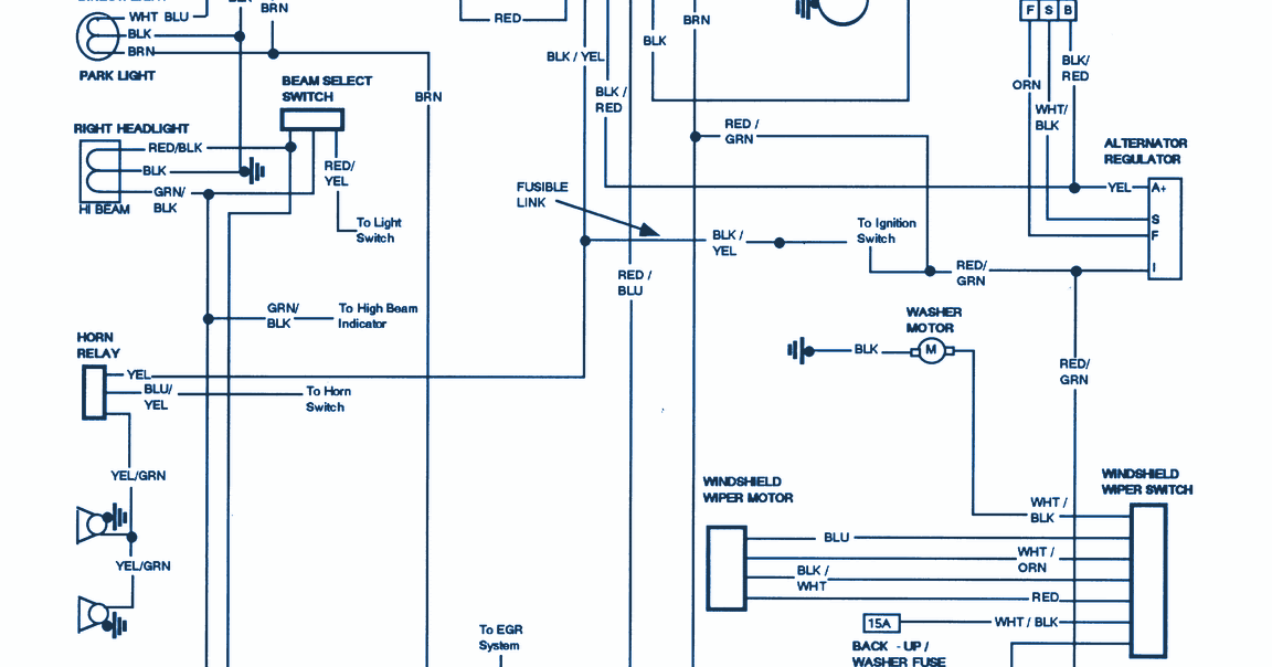
Free Auto Wiring Diagram 1971 Vw Beetle And Super Beetle

Vw Beetle 1971 Fuse Box Block Circuit Breaker Diagram U00bb Carfusebox

1971 Beetle Wiring Diagram Usa

Thesamba Com Beetle - Late Model Super - 1968-up - View Topic

1974 Chevy C10 Fuse Box

1971 Harness

1971 Chevelle Wiring Diagram

60 New 1972 Vw Beetle Wiring Diagram Pictures

1973 Super Beetle Wiring Diagram

70 Nova Fuse Box Diagram

1970 Corvette Fuse Box Location

1971 Super Beetle Wiring Diagram

Thesamba Com Karmann Ghia Wiring Diagrams

Thesamba Com Type 1 Wiring Diagrams

1971 Amx Fuse Layout

1971 Fuse Panel Layout

1971 Mustang Fuse Labels

72 Standard Dash Wiring Diagram

Interior Electrical Wiring Diagrams Of 1971 Dodge Dart

1979 Corvette Fuse Box Diagram

1971 Bus Wiring Diagram

Porsche 911 1971 Fuse Box Block Circuit Breaker Diagram U00bb Carfusebox

1970 Bus Wiring Diagram

1968

67mustang Fuse Zps0ecgnsto Jpg Photo By Ranch67

Interior Electrical Wiring Diagrams Of 1971 Dodge Dart

Need Colored Fuse Box Diagram For 1971 280sl U S

Bullseye 1971 Bronco More Money More Problems - Page 5

1971 Monte Carlo Fuse Box Wiring Diagram

What Wires Go To The Starter On A 1971 Chevelle

Th400 Kickdown Switch Wire Where To Plug In On Fuse Block - The 1947

1971 Vw Beetle Fuse Box Diagram U2013 Circuit Wiring Diagrams

Fuse Block Diagram

Mustang 1971 Wiring Diagram Manual 71

1970 Chevelle Fuse Box Diagram

1971 Vw Bus Fuse Box Diagram

Need 1974 Standard Fuse Panel Wiring Help

1971 Porsche 911 Relay Switch Fuse Box Diagram U2013 Circuit Wiring Diagrams

1971 Bus Wiring Diagram

Thesamba Com Karmann Ghia Wiring Diagrams

Thesamba Com Karmann Ghia Wiring Diagrams

1971 Ford Half Ton Wiring Diagram

1973 Super Beetle Wiring Diagram

Toyota U2013 Page 4 U2013 Circuit Wiring Diagrams

Info From

1972 Fuse Panel

1971 Lincoln Continental Post Connectors Fuse Box Good Cant Find Under Repository

Im In Need Of Wiring Diagram For Both Sides Of The Fuse Box In An Out 1970 Elcamino Ss 396

1972 Chevy C10 Wiring Diagram Fuse

Diagram Vw 1971 Fuse Diagram

  • Download Vw 1971 Fuse Diagram

    draw.io is free online diagram software for making flowcharts, process diagrams, org charts, UML, ER and network diagrams

    Open and edit diagrams online with Draw.io, a free diagram software supporting various formats and diagram types.

    Create a new diagram, or open an existing diagram in your new tab. To create a new diagram, enter a Diagram Name and click the location where you want to save the file.

    Create flowcharts and diagrams online with this easy to use software.

    Create and edit diagrams with draw.io, a free diagramming tool that integrates seamlessly with Office 365.

    Easily import diagrams from Lucidchart to diagrams.net or draw.io with this simple tool.

    Access and integrate Google Drive files with Draw.io using the Google Picker tool for seamless diagram creation.

    Clearing Cached version 29.3.2... OK Update Start App

    confEmbedUpload=For a better editing experience, please use the regular draw.io macro to insert a blank diagram, then from (File menu → Import From → Device...) select the file you want to upload and embed.

    Editing the diagram from page view may cause data loss. Please edit the Confluence page first and then edit the diagram. confConfigSpacePerm=Note: If you recently migrated from DC app, please check draw.io Configuration space permissions such that all users can read and only admins can write.

    3 way switch,3 way switch wiring,3 way switch wiring diagram pdf,3 way wiring diagram,3way switch wiring diagram,4 prong dryer outlet wiring diagram,4 prong trailer wiring diagram,6 way trailer wiring diagram,7 pin trailer wiring diagram with brakes,7 pin wiring diagram,alternator wiring diagram,amp wiring diagram,automotive lighting,cable harness,chevrolet,diagram,dodge,doorbell wiring diagram,ecobee wiring diagram,electric motor,electrical connector,electrical wiring,electrical wiring diagram,ford,fuse,honeywell thermostat wiring diagram,ignition system,kenwood car stereo wiring diagram,light switch wiring diagram,lighting,motor wiring diagram,nest doorbell wiring diagram,nest hello wiring diagram,nest labs,nest thermostat,nest thermostat wiring diagram,phone connector,pin,pioneer wiring diagram,plug wiring diagram,pump,radio,radio wiring diagram,relay,relay wiring diagram,resistor,rj45 wiring diagram,schematic,semi-trailer truck,sensor,seven pin trailer wiring diagram,speaker wiring diagram,starter wiring diagram,stereo wiring diagram,stereophonic sound,strat wiring diagram,switch,switch wiring diagram,telecaster wiring diagram,thermostat wiring,thermostat wiring diagram,trailer brake controller,trailer plug wiring diagram,trailer wiring diagram,user guide,wire,wire diagram,wiring diagram,wiring diagram 3 way switch,wiring harness

    close