Western Star Wiring Diagrams 03

Western Star Wiring Diagrams 03

  • Category : Diagrams 03
  • Post Date : January 22, 2026
Western Star Wiring Diagrams 03 9 out of 10 based on 10 ratings. 90 user reviews.

Western Star Wiring Diagrams 03

Handy Information

Western Star Wiring Schematics

Automatic Star U2013 Delta Starter U2013 Aboutelectricity

Mth

How To Select Contactors For Use In Direct On Line Starters

Wiring Diagram Rangkaian Star Delta Automatis Dan Manual

Wiring Diagram Stardelta

How To Select Contactors For Use In Direct On Line Starters

101 Electrical Engineering Interview Topics Star Delta

Yamaha Motorcycle 2003 Oem Parts Diagram For Electrical

Wire Harness Assembly For Xvs650 Xvs650c Vstar Custom 2002

Wiring Diagram Rangkaian Star Delta Automatis Dan Manual

Star Delta Wiring Diagram For Android

Star Delta Wiring Diagram For Android

Electronics

Repair Guides

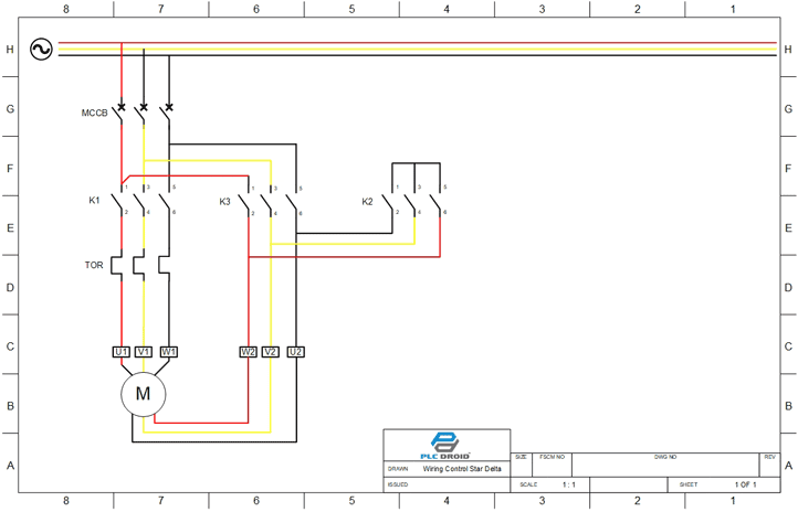
Star Delta Wiring Diagram

Star Delta Wiring Diagram For Android

Lml Scooters

Thebackshed Com

Yamaha Motorcycle 2002 Oem Parts Diagram For Electrical

60 Unique 2006 Yamaha V Star 650 Custom Turn Signal Wiring

U8208 U660c U96fb U6a5f Hing Cheong

Powermate Formerly Coleman Pm0525202 03 Parts Diagram For

Pcb Diagram

Lighting

Wiring Diagram For A Ddec 5 2004 Freightliner

Wiring Diagram Star

Elektrikproblem Defekter Elestarter Und Hupe Bei Lml

Star Delta Wiring Diagram For Android

I Need A Wiring Diagram From The Sirius Y2k Module To The

Modern Vespa Lml Stella On Off Light Switch Configuration

Save 20 On 2001 Yamaha V Star 650 Custom

Rangkaian Star Delta

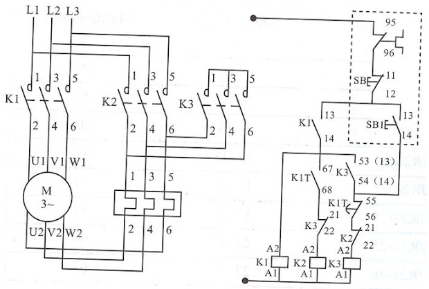
Star Delta Starters Explained

Reversing Star Delta Motor Control Wiring Diagram Pdf

Wiring Diagram Stardelta

Control Circuit Of Star Delta Starter Electrical Info Pics

Pengertian Dan Wiring Diagram Star Delta Bintang

Wiring U0026 Attaching Parts For 2002

V Star 950 Wiring Diagram

Star Delta Motor Starter 11kw - 415v

Weeks Motorcycle Blog

3

Electrical Question - Dr

Installation Of Electrical Panels Understanding The

Diagram Western Star Wiring Diagrams 03

  • Download Western Star Wiring Diagrams 03

    draw.io is free online diagram software for making flowcharts, process diagrams, org charts, UML, ER and network diagrams

    Open and edit diagrams online with Draw.io, a free diagram software supporting various formats and diagram types.

    Create a new diagram, or open an existing diagram in your new tab. To create a new diagram, enter a Diagram Name and click the location where you want to save the file.

    Create flowcharts and diagrams online with this easy to use software.

    Easily import diagrams from Lucidchart to diagrams.net or draw.io with this simple tool.

    Create and edit diagrams with draw.io, a free diagramming tool that integrates seamlessly with Office 365.

    Access and integrate Google Drive files with Draw.io using the Google Picker tool for seamless diagram creation.

    Clearing Cached version 29.3.2... OK Update Start App

    7.2 The Software will initiate transfers of data forming part of the Diagrams (“Diagram Data”) to services supplied by third parties when you expressly request conversion of Diagrams: a. to another supported file format; and b. to PDF format.

    Editing the diagram from page view may cause data loss. Please edit the Confluence page first and then edit the diagram. confConfigSpacePerm=Note: If you recently migrated from DC app, please check draw.io Configuration space permissions such that all users can read and only admins can write.

    3 way switch,3 way switch wiring,3 way switch wiring diagram pdf,3 way wiring diagram,3way switch wiring diagram,4 prong dryer outlet wiring diagram,4 prong trailer wiring diagram,6 way trailer wiring diagram,7 pin trailer wiring diagram with brakes,7 pin wiring diagram,alternator wiring diagram,amp wiring diagram,automotive lighting,cable harness,chevrolet,diagram,dodge,doorbell wiring diagram,ecobee wiring diagram,electric motor,electrical connector,electrical wiring,electrical wiring diagram,ford,fuse,honeywell thermostat wiring diagram,ignition system,kenwood car stereo wiring diagram,light switch wiring diagram,lighting,motor wiring diagram,nest doorbell wiring diagram,nest hello wiring diagram,nest labs,nest thermostat,nest thermostat wiring diagram,phone connector,pin,pioneer wiring diagram,plug wiring diagram,pump,radio,radio wiring diagram,relay,relay wiring diagram,resistor,rj45 wiring diagram,schematic,semi-trailer truck,sensor,seven pin trailer wiring diagram,speaker wiring diagram,starter wiring diagram,stereo wiring diagram,stereophonic sound,strat wiring diagram,switch,switch wiring diagram,telecaster wiring diagram,thermostat wiring,thermostat wiring diagram,trailer brake controller,trailer plug wiring diagram,trailer wiring diagram,user guide,wire,wire diagram,wiring diagram,wiring diagram 3 way switch,wiring harness

    close