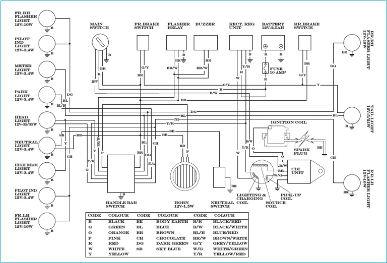
Wiring Diagram Yamaha Jupiter Z

Wiring Diagram Yamaha Jupiter Z

  • Category : Jupiter Z
  • Post Date : January 22, 2026
Wiring Diagram Yamaha Jupiter Z 9 out of 10 based on 30 ratings. 80 user reviews.

Wiring Diagram Yamaha Jupiter Z

Need Wiring Diagram Of T110se

Modification Vega R 2008 Pacitan Otomotif Modification Vega Zr Maupun Vega R

Modifikasi Fullwave Motor Yamaha

Diagram Wiring Diagram Kiprok Rx King Full Version Hd Quality Rx King

Jawaban Tentang Pertanyaan Cdi Motor

Racing Parts Racing Parts For Crypton Z

Tts Auto Speed Share Sebagian Wiring Diagram Skema Kabel Bodi Motor

Modifikasi Motor Crypton Kontes

Juli 2011

Jupiter Mx Modif Touring

Motorcycle Modification Yamaha Mio Soul 2009 With Low Rider Style

Buku Manual Yamaha Scorpio

Diagram Wiring Diagram Yamaha Jupiter Z

  • Download Wiring Diagram Yamaha Jupiter Z

    draw.io is free online diagram software for making flowcharts, process diagrams, org charts, UML, ER and network diagrams

    Open and edit diagrams online with Draw.io, a free diagram software supporting various formats and diagram types.

    Create a new diagram, or open an existing diagram in your new tab. To create a new diagram, enter a Diagram Name and click the location where you want to save the file.

    Create flowcharts and diagrams online with this easy to use software.

    Easily import diagrams from Lucidchart to diagrams.net or draw.io with this simple tool.

    Create and edit diagrams with draw.io, a free diagramming tool that integrates seamlessly with Office 365.

    Access and integrate Google Drive files with Draw.io using the Google Picker tool for seamless diagram creation.

    Clearing Cached version 29.3.2... OK Update Start App

    7.2 The Software will initiate transfers of data forming part of the Diagrams (“Diagram Data”) to services supplied by third parties when you expressly request conversion of Diagrams: a. to another supported file format; and b. to PDF format.

    Editing the diagram from page view may cause data loss. Please edit the Confluence page first and then edit the diagram. confConfigSpacePerm=Note: If you recently migrated from DC app, please check draw.io Configuration space permissions such that all users can read and only admins can write.

    3 way switch,3 way switch wiring,3 way switch wiring diagram pdf,3 way wiring diagram,3way switch wiring diagram,4 prong dryer outlet wiring diagram,4 prong trailer wiring diagram,6 way trailer wiring diagram,7 pin trailer wiring diagram with brakes,7 pin wiring diagram,alternator wiring diagram,amp wiring diagram,automotive lighting,cable harness,chevrolet,diagram,dodge,doorbell wiring diagram,ecobee wiring diagram,electric motor,electrical connector,electrical wiring,electrical wiring diagram,ford,fuse,honeywell thermostat wiring diagram,ignition system,kenwood car stereo wiring diagram,light switch wiring diagram,lighting,motor wiring diagram,nest doorbell wiring diagram,nest hello wiring diagram,nest labs,nest thermostat,nest thermostat wiring diagram,phone connector,pin,pioneer wiring diagram,plug wiring diagram,pump,radio,radio wiring diagram,relay,relay wiring diagram,resistor,rj45 wiring diagram,schematic,semi-trailer truck,sensor,seven pin trailer wiring diagram,speaker wiring diagram,starter wiring diagram,stereo wiring diagram,stereophonic sound,strat wiring diagram,switch,switch wiring diagram,telecaster wiring diagram,thermostat wiring,thermostat wiring diagram,trailer brake controller,trailer plug wiring diagram,trailer wiring diagram,user guide,wire,wire diagram,wiring diagram,wiring diagram 3 way switch,wiring harness

    close