Wiring Diagram Kelistrikan Avanza

Wiring Diagram Kelistrikan Avanza

  • Category : Kelistrikan Avanza
  • Post Date : January 22, 2026
Wiring Diagram Kelistrikan Avanza 9 out of 10 based on 40 ratings. 50 user reviews.

Wiring Diagram Kelistrikan Avanza

Wearing Diagram Kelistrikan Avanza Lengkap

Wiring Diagram Kelistrikan Mobil Avanza

Wiring Diagram Kelistrikan Mobil Kijang Download

Wiring Diagram Kelistrikan Mobil Kijang

Cara Kerja Kelistrikan Ac Mobil Wiring Diagram Sistem Ac Mobil K Pengertian Dinamo Starter

Diagram Kelistrikan Kijang 5k Pdf Download

Diagram Kelistrikan Ac Mobil Avanza

Milenium Motor Limboto Cara Mudah Membuat Alarm Tambahan Avanza

Milenium Motor Limboto Cara Mudah Membuat Alarm Tambahan Avanza

Sistem Kelistrikan Mobil Dan Motor Smk Muhammadiyah Ngawen Gunungkidul Yogyakarta

Coba Keju Diagram Kelistrikan Yamaha Vega R

Avanza Wiring Diagram

Diagram Wiring Diagram Lampu Kota Mobil Full Version Hd Quality Kota Mobil

Diagram Kelistrikan Kijang 5k Pdf

Diagram Wiring Diagram Mobil Listrik Full Version Hd Quality Mobil Listrik

Job Sheet Rangkaian Lampu Sein Dan Hazard

Diagram Kelistrikan Tiger U0026 Revo

Wiring Diagram Kelistrikan Kijang Super

Wiring Diagram Kelistrikan Mobil Avanza

12 Diagram Kelistrikan Pendingin Udara

Wiring Diagram Kelistrikan Mobil Kijang Download

Avanza

Samudera Kecil Sistem Penerangan Dan Klakson Mobil

Tempz Sistem Jalur Tegangan Stroom Pada Mobil Berdasarkan Fungsinya

Diagram Kelistrikan Ac

Diagram Wiring Diagram Mobil Listrik Full Version Hd Quality Mobil Listrik

Avanza Wiring Diagram

Diagram Wiring Diagram Mobil Listrik Full Version Hd Quality Mobil Listrik

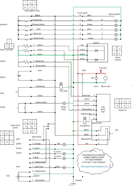
Skema Kelistrikan Motor Vario

Ilmu Pengetahuan Dasar Motor Diagram Kelistrikan Mio

Berbagi Ilmu Wiring Diagram Kelistrikan Sepeda Motor

Sistem Pengapian Mesin 1nz

Ilmu Listrik Electrical Science

Wiring Diagram Kelistrikan Kijang Super

Diagram Kelistrikan Keluarga Gl

Diagram Kelistrikan Sederhana Ac Mobil

9 Langkah Pemeriksaan Penyebab Fuel Pump Toyota Avanza Daihatsu Xenia Tidak Berfungsi

Tips Lampu Besar Kurang Terang Sebelah

Elektronika

Manual Mesin Mobil Avanza Xenia Rush Dan Terios

Diagram Wiring Diagram Lampu Kota Mobil Full Version Hd Quality Kota Mobil

Unique Wiring Diagram Ecu Avanza

Fuse Box Avanza

D U0026 39 Laiqa Arena Sekring Pada Daihatsu Terios

12 B Kelistrikan Bodi U0026 Wiring

Diagram Kelistrikan Motor Ac Siboen Tutor

Diagram

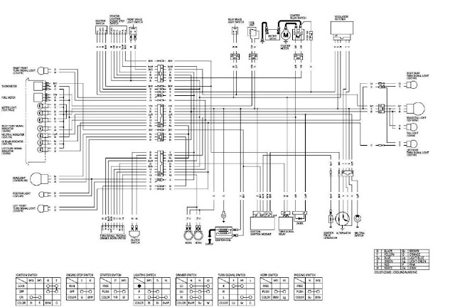
Diagram Kelistrikan Honda Win

Download Koleksi 93 Gambar Wering Diagram Sistem Penerangan Sepeda Motor Honda Terlengkap

Photokabalfalah

Diagram Kelistrikan Ac Mobil

Diagram Kelistrikan Keluarga Gl

Diagram Wiring Diagram Mobil Listrik Full Version Hd Quality Mobil Listrik

Modif Kolaborasi Ridertua U0026 Eko Memanfaatkan Tombol Vario 125 Yang U0026quot Nganggur U0026quot Diy

Samudera Kecil Sistem Penerangan Dan Klakson Mobil

Rangkaian Kelistrikan Astrea Grand U2013 Pecandu Motor

Diagram Kelistrikan Ac

Unique Download Wiring Diagram Toyota Avanza

Diagram Wiring Diagram Kelistrikan Avanza

  • Download Wiring Diagram Kelistrikan Avanza

    draw.io is free online diagram software for making flowcharts, process diagrams, org charts, UML, ER and network diagrams

    Open and edit diagrams online with Draw.io, a free diagram software supporting various formats and diagram types.

    Create a new diagram, or open an existing diagram in your new tab. To create a new diagram, enter a Diagram Name and click the location where you want to save the file.

    Create flowcharts and diagrams online with this easy to use software.

    Easily import diagrams from Lucidchart to diagrams.net or draw.io with this simple tool.

    Create and edit diagrams with draw.io, a free diagramming tool that integrates seamlessly with Office 365.

    Access and integrate Google Drive files with Draw.io using the Google Picker tool for seamless diagram creation.

    Clearing Cached version 29.3.2... OK Update Start App

    7.2 The Software will initiate transfers of data forming part of the Diagrams (“Diagram Data”) to services supplied by third parties when you expressly request conversion of Diagrams: a. to another supported file format; and b. to PDF format.

    Editing the diagram from page view may cause data loss. Please edit the Confluence page first and then edit the diagram. confConfigSpacePerm=Note: If you recently migrated from DC app, please check draw.io Configuration space permissions such that all users can read and only admins can write.

    3 way switch,3 way switch wiring,3 way switch wiring diagram pdf,3 way wiring diagram,3way switch wiring diagram,4 prong dryer outlet wiring diagram,4 prong trailer wiring diagram,6 way trailer wiring diagram,7 pin trailer wiring diagram with brakes,7 pin wiring diagram,alternator wiring diagram,amp wiring diagram,automotive lighting,cable harness,chevrolet,diagram,dodge,doorbell wiring diagram,ecobee wiring diagram,electric motor,electrical connector,electrical wiring,electrical wiring diagram,ford,fuse,honeywell thermostat wiring diagram,ignition system,kenwood car stereo wiring diagram,light switch wiring diagram,lighting,motor wiring diagram,nest doorbell wiring diagram,nest hello wiring diagram,nest labs,nest thermostat,nest thermostat wiring diagram,phone connector,pin,pioneer wiring diagram,plug wiring diagram,pump,radio,radio wiring diagram,relay,relay wiring diagram,resistor,rj45 wiring diagram,schematic,semi-trailer truck,sensor,seven pin trailer wiring diagram,speaker wiring diagram,starter wiring diagram,stereo wiring diagram,stereophonic sound,strat wiring diagram,switch,switch wiring diagram,telecaster wiring diagram,thermostat wiring,thermostat wiring diagram,trailer brake controller,trailer plug wiring diagram,trailer wiring diagram,user guide,wire,wire diagram,wiring diagram,wiring diagram 3 way switch,wiring harness

    close