Wiring Diagram For Nurse Call System

Wiring Diagram For Nurse Call System

  • Category : Call System
  • Post Date : January 22, 2026
Wiring Diagram For Nurse Call System 9 out of 10 based on 10 ratings. 90 user reviews.

Wiring Diagram For Nurse Call System

Image Result For Nurse Call System Wiring Diagram

Image Result For Nurse Call System Wiring Diagram

Nurse Call System

Polaris Ranger Wiring Diagram Collection

The Traditional Place

Visual Nurse Call System 4000 Series

Jeron Nurse Call Wiring Diagram Gallery

Nurse Intercom System Calling Master Station

Jeron Nurse Call Wiring Diagram

Professional Hospital Nurse Call System Thr-n869

Visual Nurse Call System 4000 Series

Patent Us5838223 - Patient Nurse Call System

Tektone Nurse Call Wiring Diagram

Nurse Call Light Systems For Nursing Home

Installation

Patent Us7994900 - Mini-dome Nurse Call Visual Communication System

Visual Nurse Call System 4000 Series

Patent Us8046625

Aiphone Nhx Nurse Call System

Installation

The Nurse Call Solution For Hospitals

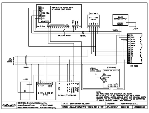
Cornell 4000 Nurse Call System Visual Only

Jeron Nurse Call Wiring Diagram Gallery

Nurse Call

Jeron Nurse Call Wiring Diagram

Visual Nurse Call System 4000 Series

Bosch Nurse Call Systems Emergency Response Systems U2013 Discover Wireless Benefits Call Bell

How The Smartcare Nurse Call Solution Works See Diagram

Dukane Nurse Call Wiring Diagram U2013 Volovets Info

Medical Nurse Call Systems Bed Emergency Buttons Micro Nurse Call System Nurse Emergency

Nurse Call Station Replacement

Joe Morris President Transtel Communications Explains How The Company U0026 39 S Nurse Call Solution

Acute Solutions

Nurse Call Systems And Installation Cedar Rapids Ia

Illustration Of Smart Hospital Nurse Call System

Jj Communications

Nurse Call Systems For Assisted Living Facilities

Nurse Call Systems For Assisted Living Facilities

Dukane Nurse Call Wiring Diagram U2013 Volovets Info

Call System Annunciator With Red Leds And Customizable Room Labels

Patent Us5561412 - Patient Nurse Call System

Voicegate

Tektip81

Electromechanical Systems In Hospitals 061205

Tektip18

Diagram Wiring Diagram For Nurse Call System

  • Download Wiring Diagram For Nurse Call System

    draw.io is free online diagram software for making flowcharts, process diagrams, org charts, UML, ER and network diagrams

    Open and edit diagrams online with Draw.io, a free diagram software supporting various formats and diagram types.

    Create flowcharts and diagrams online with this easy to use software.

    Create a new diagram, or open an existing diagram in your new tab. To create a new diagram, enter a Diagram Name and click the location where you want to save the file.

    Create and edit diagrams with draw.io, a free diagramming tool that integrates seamlessly with Office 365.

    Easily import diagrams from Lucidchart to diagrams.net or draw.io with this simple tool.

    Access and integrate Google Drive files with Draw.io using the Google Picker tool for seamless diagram creation.

    Clearing Cached version 29.3.2... OK Update Start App

    confEmbedUpload=For a better editing experience, please use the regular draw.io macro to insert a blank diagram, then from (File menu → Import From → Device...) select the file you want to upload and embed.

    7.2 The Software will initiate transfers of data forming part of the Diagrams (“Diagram Data”) to services supplied by third parties when you expressly request conversion of Diagrams: a. to another supported file format; and b. to PDF format.

    3 way switch,3 way switch wiring,3 way switch wiring diagram pdf,3 way wiring diagram,3way switch wiring diagram,4 prong dryer outlet wiring diagram,4 prong trailer wiring diagram,6 way trailer wiring diagram,7 pin trailer wiring diagram with brakes,7 pin wiring diagram,alternator wiring diagram,amp wiring diagram,automotive lighting,cable harness,chevrolet,diagram,dodge,doorbell wiring diagram,ecobee wiring diagram,electric motor,electrical connector,electrical wiring,electrical wiring diagram,ford,fuse,honeywell thermostat wiring diagram,ignition system,kenwood car stereo wiring diagram,light switch wiring diagram,lighting,motor wiring diagram,nest doorbell wiring diagram,nest hello wiring diagram,nest labs,nest thermostat,nest thermostat wiring diagram,phone connector,pin,pioneer wiring diagram,plug wiring diagram,pump,radio,radio wiring diagram,relay,relay wiring diagram,resistor,rj45 wiring diagram,schematic,semi-trailer truck,sensor,seven pin trailer wiring diagram,speaker wiring diagram,starter wiring diagram,stereo wiring diagram,stereophonic sound,strat wiring diagram,switch,switch wiring diagram,telecaster wiring diagram,thermostat wiring,thermostat wiring diagram,trailer brake controller,trailer plug wiring diagram,trailer wiring diagram,user guide,wire,wire diagram,wiring diagram,wiring diagram 3 way switch,wiring harness

    close