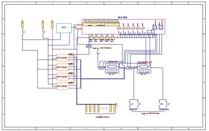
Wiring Diagram For 220 Vac System

Wiring Diagram For 220 Vac System

  • Category : Vac System
  • Post Date : January 22, 2026
Wiring Diagram For 220 Vac System 9 out of 10 based on 10 ratings. 30 user reviews.

Wiring Diagram For 220 Vac System

Block Diagram Of The System Power Supply Unit The System

Intellichlor Chlorine Generator Installation Plumbing

Appendix B Site Power And Power Cables

Case 210 Stray Wire Wiring

Hafler - 9180 Hafler - 9270

Intellichlor Chlorine Generator Installation Plumbing

Pure Sine Wave Inverter Lcd Inverter Dc To Ac Inverter

Eng Shady Mohsen Blog Access Control Mg236b Wiring Diagram

Bno Bbs

Best Semi Truck Battery Jump Starter For Diesel Engines

Telecom Power System Ups Rectifier Input 90 Uff5e280vac

Elektrotig 220 Ac Dc User Manual

E

Excel 4 Access Controller

Diagram Wiring Diagram For 220 Vac System

  • Download Wiring Diagram For 220 Vac System

    draw.io is free online diagram software for making flowcharts, process diagrams, org charts, UML, ER and network diagrams

    Open and edit diagrams online with Draw.io, a free diagram software supporting various formats and diagram types.

    Create a new diagram, or open an existing diagram in your new tab. To create a new diagram, enter a Diagram Name and click the location where you want to save the file.

    Create flowcharts and diagrams online with this easy to use software.

    Create and edit diagrams with draw.io, a free diagramming tool that integrates seamlessly with Office 365.

    Easily import diagrams from Lucidchart to diagrams.net or draw.io with this simple tool.

    Access and integrate Google Drive files with Draw.io using the Google Picker tool for seamless diagram creation.

    Clearing Cached version 29.3.2... OK Update Start App

    confEmbedUpload=For a better editing experience, please use the regular draw.io macro to insert a blank diagram, then from (File menu → Import From → Device...) select the file you want to upload and embed.

    Editing the diagram from page view may cause data loss. Please edit the Confluence page first and then edit the diagram. confConfigSpacePerm=Note: If you recently migrated from DC app, please check draw.io Configuration space permissions such that all users can read and only admins can write.

    3 way switch,3 way switch wiring,3 way switch wiring diagram pdf,3 way wiring diagram,3way switch wiring diagram,4 prong dryer outlet wiring diagram,4 prong trailer wiring diagram,6 way trailer wiring diagram,7 pin trailer wiring diagram with brakes,7 pin wiring diagram,alternator wiring diagram,amp wiring diagram,automotive lighting,cable harness,chevrolet,diagram,dodge,doorbell wiring diagram,ecobee wiring diagram,electric motor,electrical connector,electrical wiring,electrical wiring diagram,ford,fuse,honeywell thermostat wiring diagram,ignition system,kenwood car stereo wiring diagram,light switch wiring diagram,lighting,motor wiring diagram,nest doorbell wiring diagram,nest hello wiring diagram,nest labs,nest thermostat,nest thermostat wiring diagram,phone connector,pin,pioneer wiring diagram,plug wiring diagram,pump,radio,radio wiring diagram,relay,relay wiring diagram,resistor,rj45 wiring diagram,schematic,semi-trailer truck,sensor,seven pin trailer wiring diagram,speaker wiring diagram,starter wiring diagram,stereo wiring diagram,stereophonic sound,strat wiring diagram,switch,switch wiring diagram,telecaster wiring diagram,thermostat wiring,thermostat wiring diagram,trailer brake controller,trailer plug wiring diagram,trailer wiring diagram,user guide,wire,wire diagram,wiring diagram,wiring diagram 3 way switch,wiring harness

    close