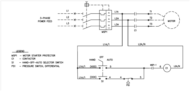
Water Fire Pump Piping Diagram

Water Fire Pump Piping Diagram

  • Category : Piping Diagram
  • Post Date : January 22, 2026
Water Fire Pump Piping Diagram 9 out of 10 based on 80 ratings. 10 user reviews.

Water Fire Pump Piping Diagram

Anvil Fire

Flint And Walling Typical Piping Diagrams

Plumbing And Fire Protection Online Consultant

Flint And Walling Typical Piping Diagrams

Engineer Fire Pump Design Calculate U0e01 U0e32 U0e23 U0e04 U0e33 U0e19 U0e27 U0e13 U0e41 U0e25 U0e30 U0e01 U0e32 U0e23 U0e2d U0e2d U0e01 U0e41 U0e1a U0e1a

Diagram Wiring Diagram Jockey Pump Full Version Hd

Fire And Jockey Pump Controller Sensing Lines

Fire Fighter Fatality Investigation Report F2001

Diagram Wiring Diagram Jockey Pump Full Version Hd

Fire Engine Pump And Plumbing Diagram

Fire Hydrant Systems - All Pumps Sales U0026 Service

Ppt

Patent Us6221263

Home Security Jockey Pump Controller

Diagram Wiring Diagram Jockey Pump Full Version Hd

Omron G7l 2a Tubj Cb Wiring Diagram Collection

Diagram Wiring Diagram Jockey Pump Full Version Hd

Commercial

Services U00bb Double D Piping

Fire Pump Tutorial

How To Do Pump Piping With Layout Explained

Nih Standard Cad Details

Consulting

Patent Us7845424

Fire Pump

Performance Test On Fire Fighting System Deluge Valves For

Piping Drawing At Getdrawings Com

Diagram Wiring Diagram Jockey Pump Full Version Hd

Fire Pumps Installation Details

Plumbing Diagram For Pool In Line Pump Piping

Hot Sale Fire Pre

Brush Truck 9

15 Pipework Drawing Fire Hydrant Download Clip Arts On

Nextgen Technology

Fire Fighting Pump India

Carrier System Design Manual Part 3 Piping Design Pdf

Diagram Wiring Diagram Jockey Pump Full Version Hd

Oil And Gas Production Handbook Utility Systems

Fire Fighter Fatality Investigation Report F2010 Niosh

Nfpa20 Standard For The Installation Of Stationary Pumps

Discount Plumbing Faucets Central Market For Discount

Fire Pump

The Fire Pump Flow Test Nfpa 25 Annual Fire Pump Tests

Details For Bypassing Thermal Storage

Fire Water Pump Station Design Piping Instrumentation

Ac Motor Field Wiring Diagram

Diagram Wiring Diagram Jockey Pump Full Version Hd

Guide To Check Valves For Fire Protection

Condensing Boiler Plant Piping Design U0026 Control Part 3

Fire Water Pump Station Design Piping Instrumentation

How To Find Pump Size And Pump Head Calculation With

Aurora Packaged Fire Pump Systems

3 Pipework Drawing Gas Pipe For Free Download On Ayoqq Org

Diagram Wiring Diagram Jockey Pump Full Version Hd

A Schematic Explaining The Heat Engine Invented By Savery

Diagram Water Fire Pump Piping Diagram

  • Download Water Fire Pump Piping Diagram

    draw.io is free online diagram software for making flowcharts, process diagrams, org charts, UML, ER and network diagrams

    Open and edit diagrams online with Draw.io, a free diagram software supporting various formats and diagram types.

    Create a new diagram, or open an existing diagram in your new tab. To create a new diagram, enter a Diagram Name and click the location where you want to save the file.

    Create flowcharts and diagrams online with this easy to use software.

    Easily import diagrams from Lucidchart to diagrams.net or draw.io with this simple tool.

    Create and edit diagrams with draw.io, a free diagramming tool that integrates seamlessly with Office 365.

    Access and integrate Google Drive files with Draw.io using the Google Picker tool for seamless diagram creation.

    Clearing Cached version 29.3.2... OK Update Start App

    7.2 The Software will initiate transfers of data forming part of the Diagrams (“Diagram Data”) to services supplied by third parties when you expressly request conversion of Diagrams: a. to another supported file format; and b. to PDF format.

    Editing the diagram from page view may cause data loss. Please edit the Confluence page first and then edit the diagram. confConfigSpacePerm=Note: If you recently migrated from DC app, please check draw.io Configuration space permissions such that all users can read and only admins can write.

    3 way switch,3 way switch wiring,3 way switch wiring diagram pdf,3 way wiring diagram,3way switch wiring diagram,4 prong dryer outlet wiring diagram,4 prong trailer wiring diagram,6 way trailer wiring diagram,7 pin trailer wiring diagram with brakes,7 pin wiring diagram,alternator wiring diagram,amp wiring diagram,automotive lighting,cable harness,chevrolet,diagram,dodge,doorbell wiring diagram,ecobee wiring diagram,electric motor,electrical connector,electrical wiring,electrical wiring diagram,ford,fuse,honeywell thermostat wiring diagram,ignition system,kenwood car stereo wiring diagram,light switch wiring diagram,lighting,motor wiring diagram,nest doorbell wiring diagram,nest hello wiring diagram,nest labs,nest thermostat,nest thermostat wiring diagram,phone connector,pin,pioneer wiring diagram,plug wiring diagram,pump,radio,radio wiring diagram,relay,relay wiring diagram,resistor,rj45 wiring diagram,schematic,semi-trailer truck,sensor,seven pin trailer wiring diagram,speaker wiring diagram,starter wiring diagram,stereo wiring diagram,stereophonic sound,strat wiring diagram,switch,switch wiring diagram,telecaster wiring diagram,thermostat wiring,thermostat wiring diagram,trailer brake controller,trailer plug wiring diagram,trailer wiring diagram,user guide,wire,wire diagram,wiring diagram,wiring diagram 3 way switch,wiring harness

    close