Washing Machine Electricity Diagram

Washing Machine Electricity Diagram

  • Category : Electricity Diagram
  • Post Date : January 22, 2026
Washing Machine Electricity Diagram 9 out of 10 based on 10 ratings. 50 user reviews.

Washing Machine Electricity Diagram

Ultimate Guide To Hydraulic Shearing Machine 2019 Updated

Unique Electric Motor Schematic

Welding Generator Schematic Diagram4

Electronics Washing Machine Control

Electric Welding Machine No Load Electricity Saver 2

Circuit Page 4 Electronic Circuit Diagram

Electric Welding Machine No Load Electricity Saver 5

Electric Welding Machine No Load Electricity Saver 12

Electric Welding Machine No Load Electricity Saver 10

Patent Us6164271

Washing Machine Motor Capacitor Wiring Diagram

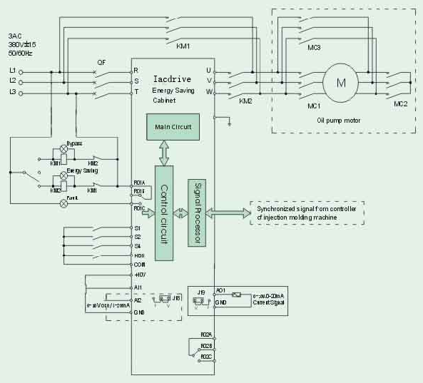
I5300 Inverter Energy Saving Cabinet In Injection Moulding

Brother Sewing Machine 681b

The Xiaoshentong Xqb20

Washing Machine Motor Agitator Timer Circuit

Washing Machine Wiring Diagram

Zanussi Wdt1085 91463405102 Washing Machine Electrical

Pin By Ayaco 011 On Auto Manual Parts Wiring Diagram

Wiring Diagram Of Washing Machine Motor

Operation Of The Enigma Machine With An Example

Switches - Coffee Machine Wiring Diagram

Help Wiring 1 Phase Lathe Motor Pm1236

Samsung Washing Machine Error Code 3e

Washing Machine Wiring Diagram And Schematics

Motor Schematic

Old Cnc Machine Retrofit Success Stories

I Have An Lg Wm2277hw Washing Machine I U0026 39 M Getting A Oe

39 Best Sci Tech Testatika Electrostatic Machines Images

Electrolux Ewf16981w 91452270800 Washing Machine

How To Read An Electrical Diagram Lesson 1

Tips And Tricks Electronics U0026homeapplainces

Aeg L76910 91452430401 Washing Machine Electrical

Singer 400 Series Service And Repair Sewing Machine Manual

Washing Machine Door Lock Checking

Diagrammatic Representation Of A Circuit Of A Washing

Electrical

Xiaoya Tema831a Automatic Washing Machine Principle

Classification Of Electric Machines

Salt Granules Sugar Beans Packing Machine Vffs Packaging

Washing Machine Electronic Program Controller

Electric Welding Machine No Load Electricity Saver 3

Washing Machine Motor

Mtd 14ai825p352 2000 Parts Diagram For Electrical

Manual Standard Dg

Wiring Diagram Of Washing Machine Motor

Is My Nan U0026 39 S Old Singer Sewing Machine Safe To Use As It

Homelite Ps907000s 7 000 Watt Generator Mfg No 090930276

Diagram Washing Machine Electricity Diagram

  • Download Washing Machine Electricity Diagram

    draw.io is free online diagram software for making flowcharts, process diagrams, org charts, UML, ER and network diagrams

    Open and edit diagrams online with Draw.io, a free diagram software supporting various formats and diagram types.

    Create a new diagram, or open an existing diagram in your new tab. To create a new diagram, enter a Diagram Name and click the location where you want to save the file.

    Create flowcharts and diagrams online with this easy to use software.

    Create and edit diagrams with draw.io, a free diagramming tool that integrates seamlessly with Office 365.

    Easily import diagrams from Lucidchart to diagrams.net or draw.io with this simple tool.

    Access and integrate Google Drive files with Draw.io using the Google Picker tool for seamless diagram creation.

    Clearing Cached version 29.3.2... OK Update Start App

    confEmbedUpload=For a better editing experience, please use the regular draw.io macro to insert a blank diagram, then from (File menu → Import From → Device...) select the file you want to upload and embed.

    Editing the diagram from page view may cause data loss. Please edit the Confluence page first and then edit the diagram. confConfigSpacePerm=Note: If you recently migrated from DC app, please check draw.io Configuration space permissions such that all users can read and only admins can write.

    3 way switch,3 way switch wiring,3 way switch wiring diagram pdf,3 way wiring diagram,3way switch wiring diagram,4 prong dryer outlet wiring diagram,4 prong trailer wiring diagram,6 way trailer wiring diagram,7 pin trailer wiring diagram with brakes,7 pin wiring diagram,alternator wiring diagram,amp wiring diagram,automotive lighting,cable harness,chevrolet,diagram,dodge,doorbell wiring diagram,ecobee wiring diagram,electric motor,electrical connector,electrical wiring,electrical wiring diagram,ford,fuse,honeywell thermostat wiring diagram,ignition system,kenwood car stereo wiring diagram,light switch wiring diagram,lighting,motor wiring diagram,nest doorbell wiring diagram,nest hello wiring diagram,nest labs,nest thermostat,nest thermostat wiring diagram,phone connector,pin,pioneer wiring diagram,plug wiring diagram,pump,radio,radio wiring diagram,relay,relay wiring diagram,resistor,rj45 wiring diagram,schematic,semi-trailer truck,sensor,seven pin trailer wiring diagram,speaker wiring diagram,starter wiring diagram,stereo wiring diagram,stereophonic sound,strat wiring diagram,switch,switch wiring diagram,telecaster wiring diagram,thermostat wiring,thermostat wiring diagram,trailer brake controller,trailer plug wiring diagram,trailer wiring diagram,user guide,wire,wire diagram,wiring diagram,wiring diagram 3 way switch,wiring harness

    close