Tv Signal Splitter Wiring Diagram

Tv Signal Splitter Wiring Diagram

  • Category : Wiring Diagram
  • Post Date : January 22, 2026
Tv Signal Splitter Wiring Diagram 9 out of 10 based on 40 ratings. 70 user reviews.

Tv Signal Splitter Wiring Diagram

4 To 20ma Signal Splitter Isolated Current Loop Splitter Dat4530

Rtd Splitter Resistance Splitter Dat4631b

Signal Isolator Input Output K B S E Pt100 4 0 1 0

B Ridge And T Unnel Crowd Optimize Your Ota Antenna Signal With Splitters

Loop Powered Signal Isolator 4 0 0 1 0

Patent Ep0652675a1 - Catv Signal Splitter

Cable

Isolated Signal Converter Dat4135

Signal Isolator 4

Tsh22 Audio Line Driver

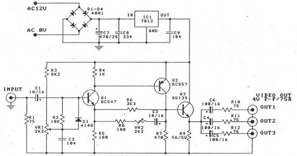
Wiring Circuit Splitter And Amplifier Video Wiring Diagram Schematic

Ma And Current Limit Alarm Trip Amplifier Dat5024e

Signal Converter Trip Amplifier Dat4520 Isolated

Pps3 24v Dc Pulse Splitter 1 Input 3 Outputs

Video Vga Splitter Circuit Diagram Using Ecg2322 U2013 Circuit Wiring Diagrams

Rs232 To 4

Circuit Wiring Solution Simple Vga Monitor Splitter And Extender Wiring Diagram Schematic

Low

Hart Signal Isolator Galvanic Isolation Dat511h

Raymarine Ais100 Splitter

01 04 14

4k X 2k Ultrahd Uhd Hdmi 1x2 Splitter 2 Outputs 3d Hdmi V1 4

Sonifex Rb Ebu Splitter Xlr Connectors

Laurels

Diplexer Switch - Archive Through August 28 2008

Hf Signal Combiner Splitter For 50 Or 75 Ohms Coax

Hdmi Splitter Cable

Loop Powered Signal Isolator 4 0 0 1 0

Uhf Antenna Uhf Antenna Wiring Diagram

How To Split An Over The Air Antenna Signal To Multiple Tv U0026 39 S

Dmx Control Signal Repeater Splitter Amplifier Optically Isolated 1 To 1

Splitters Attenuators Filters Diplexers Other Signal Gear - Page 6

2x Tv Sat Diplexer Digital Hdtv Antenna Satellite Signal Combiner Mixer Splitter

Premium 4

Dmx Splitter 1x4 Tvs Isolated Input Pcb For Dmx

Tripp Lite B126 Splitter Taa Gsa Black Amazon Ca Electronics

Dmx512 Amplifier Dmx Signal Splitter With Single Channel Distribution Output Dc12

Intrinsic Safety Barrier Loop Repeater 4

Passive Line Splitter Question

Ashcroft Pressure Transducer Wiring Diagram

Common Splitter Cables

What Is The Proper Way To Use A Install A Swm-30 For Commercial Use

4k X 2k Ultrahd Uhd Hdmi 1x4 Splitter 4 Outputs 3d Hdmi V1 4

Kebidu 2 Way Cable Satellite Splitter Tv Signal Satellite Sat Coaxial Diplexer Combiner Splitter

Rs485 Isolated Repeater Rs485 Isolator Dat3590

New Technical Usage Of Photoelectric Isolator Transmitter News

Coaxial Cable Splitting The Signal Help

How Can A Splitter Also Be A Combiner

Directv Swm Wiring Diagrams And Resources

Modbus Digital Input Module Dat3148

B Ridge And T Unnel Crowd February 2013

Moore Industries Ect 4-20ma 4-20ma 12-42dc Signal Isolator And Converter

Uk Guide To Installing A Digital Aerial Antenna For Freeview Tv

Fm Ammw And Sw Antenna Amplifier Circuit Diagram

Dvi Splitter Cable

Signal Isolator

Sp236 Current Millivolt Input Signal Splitter Two

Diagram Tv Signal Splitter Wiring Diagram

  • Download Tv Signal Splitter Wiring Diagram

    draw.io is free online diagram software for making flowcharts, process diagrams, org charts, UML, ER and network diagrams

    Open and edit diagrams online with Draw.io, a free diagram software supporting various formats and diagram types.

    Create a new diagram, or open an existing diagram in your new tab. To create a new diagram, enter a Diagram Name and click the location where you want to save the file.

    Create flowcharts and diagrams online with this easy to use software.

    Easily import diagrams from Lucidchart to diagrams.net or draw.io with this simple tool.

    Create and edit diagrams with draw.io, a free diagramming tool that integrates seamlessly with Office 365.

    Access and integrate Google Drive files with Draw.io using the Google Picker tool for seamless diagram creation.

    Clearing Cached version 29.3.2... OK Update Start App

    7.2 The Software will initiate transfers of data forming part of the Diagrams (“Diagram Data”) to services supplied by third parties when you expressly request conversion of Diagrams: a. to another supported file format; and b. to PDF format.

    Editing the diagram from page view may cause data loss. Please edit the Confluence page first and then edit the diagram. confConfigSpacePerm=Note: If you recently migrated from DC app, please check draw.io Configuration space permissions such that all users can read and only admins can write.

    3 way switch,3 way switch wiring,3 way switch wiring diagram pdf,3 way wiring diagram,3way switch wiring diagram,4 prong dryer outlet wiring diagram,4 prong trailer wiring diagram,6 way trailer wiring diagram,7 pin trailer wiring diagram with brakes,7 pin wiring diagram,alternator wiring diagram,amp wiring diagram,automotive lighting,cable harness,chevrolet,diagram,dodge,doorbell wiring diagram,ecobee wiring diagram,electric motor,electrical connector,electrical wiring,electrical wiring diagram,ford,fuse,honeywell thermostat wiring diagram,ignition system,kenwood car stereo wiring diagram,light switch wiring diagram,lighting,motor wiring diagram,nest doorbell wiring diagram,nest hello wiring diagram,nest labs,nest thermostat,nest thermostat wiring diagram,phone connector,pin,pioneer wiring diagram,plug wiring diagram,pump,radio,radio wiring diagram,relay,relay wiring diagram,resistor,rj45 wiring diagram,schematic,semi-trailer truck,sensor,seven pin trailer wiring diagram,speaker wiring diagram,starter wiring diagram,stereo wiring diagram,stereophonic sound,strat wiring diagram,switch,switch wiring diagram,telecaster wiring diagram,thermostat wiring,thermostat wiring diagram,trailer brake controller,trailer plug wiring diagram,trailer wiring diagram,user guide,wire,wire diagram,wiring diagram,wiring diagram 3 way switch,wiring harness

    close