Toyota Avensis T25 Wiring Diagram

Toyota Avensis T25 Wiring Diagram

  • Category : Wiring Diagram
  • Post Date : January 22, 2026
Toyota Avensis T25 Wiring Diagram 9 out of 10 based on 80 ratings. 50 user reviews.

Toyota Avensis T25 Wiring Diagram

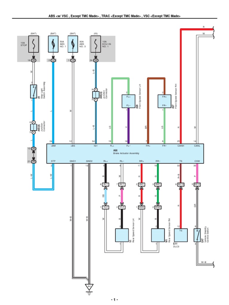
Toyota Avensis T25 2003

Toyota Avensis T25 2003

Avensis Wiring Diagram - Avensis Club

Question About Ecu - Avensis Club

Toyota Avensis T25 Service U0026 Repair Manual Update 2008

Toyota Avensis T25 Service U0026 Repair Manual Update 2008

Toyota Avensis T25 Service U0026 Repair Manual Update 2008

U0430 U0432ensis

Lexus Gs450h 2007 Wiring Diagram

Toyota Avensis

Retro Fit Cruise Control Avensis T3-s

Toyota Avensis Verso Picnic

Toyota Hiace Electrical Wiring Diagram Free

Toyota Avensis Verso Picnic Service Manual Repair Manual

U0430 U0432ensis

Toyota Corolla Verso 2004

Toyota Avensis T25 Service U0026 Repair Manual Update 2008

Toyota Rav4 Service U0026 Repair Manual Update 2008

Toyota Avensis T25 2003-2007 Electrical Wiring

Lexus Gs450h 2007 Wiring Diagram

Toyota Avensis T25 Service U0026 Repair Manual Update 2008

Toyota Avensis T25 2004 R

Toyota Corolla Verso 2004

Kotiblogi Nurmoosta Avensist25 2003 S U00e4hk U00f6kaaviot

Toyota Camry Service U0026 Repair Manual Update 2006

Toyota Rav4 Service U0026 Repair Manual Update 2008

2001 Avensis 1 8 Vvti Ecu Location - Avensis Club

Toyota Avensis

Where Is The Ecu Located Or Let Me Know Where The Tach

Lexus Wiring Diagram And Electrical System Circuit Is300

Kotiblogi Nurmoosta Avensist25 2003 S U00e4hk U00f6kaaviot

Where Are Fuses And Obd Port In Toyota Avensis Ii 2003

Toyota Avensis Forum U2022 Zobacz W U0105tek

Question About Ecu - Avensis Club

Cruise Control Install Avensis T25 1az-fse

Question About Ecu - Avensis Club

Toyota Hilux 2005

Toyota Camry Service U0026 Repair Manual Update 2005

Toyota Rav4 Service U0026 Repair Manual Update 2008

Toyota Avensis Mkii Hatchback T25 2003

Toyota Avensis Starter Motor Problem

Radiotausch Avensis T27 Vfl Bj 2009

Lexus Isf 2010 Wiring Diagram

Epman

Toyota Camry Service U0026 Repair Manual Update 2006

Lexus Rx350 2010 Wiring Diagram

2009

Lexus Rx350 2007 Wiring Diagram

Lexus Rx400h 2007 Wiring Diagram

Lexus Es350 2010 Wiring Diagram

Lexus Gx470 2009 Wiring Diagram

Diagram Toyota Avensis T25 Wiring Diagram

  • Download Toyota Avensis T25 Wiring Diagram

    draw.io is free online diagram software for making flowcharts, process diagrams, org charts, UML, ER and network diagrams

    Open and edit diagrams online with Draw.io, a free diagram software supporting various formats and diagram types.

    Create a new diagram, or open an existing diagram in your new tab. To create a new diagram, enter a Diagram Name and click the location where you want to save the file.

    Create flowcharts and diagrams online with this easy to use software.

    Easily import diagrams from Lucidchart to diagrams.net or draw.io with this simple tool.

    Create and edit diagrams with draw.io, a free diagramming tool that integrates seamlessly with Office 365.

    Access and integrate Google Drive files with Draw.io using the Google Picker tool for seamless diagram creation.

    Clearing Cached version 29.3.2... OK Update Start App

    7.2 The Software will initiate transfers of data forming part of the Diagrams (“Diagram Data”) to services supplied by third parties when you expressly request conversion of Diagrams: a. to another supported file format; and b. to PDF format.

    Editing the diagram from page view may cause data loss. Please edit the Confluence page first and then edit the diagram. confConfigSpacePerm=Note: If you recently migrated from DC app, please check draw.io Configuration space permissions such that all users can read and only admins can write.

    3 way switch,3 way switch wiring,3 way switch wiring diagram pdf,3 way wiring diagram,3way switch wiring diagram,4 prong dryer outlet wiring diagram,4 prong trailer wiring diagram,6 way trailer wiring diagram,7 pin trailer wiring diagram with brakes,7 pin wiring diagram,alternator wiring diagram,amp wiring diagram,automotive lighting,cable harness,chevrolet,diagram,dodge,doorbell wiring diagram,ecobee wiring diagram,electric motor,electrical connector,electrical wiring,electrical wiring diagram,ford,fuse,honeywell thermostat wiring diagram,ignition system,kenwood car stereo wiring diagram,light switch wiring diagram,lighting,motor wiring diagram,nest doorbell wiring diagram,nest hello wiring diagram,nest labs,nest thermostat,nest thermostat wiring diagram,phone connector,pin,pioneer wiring diagram,plug wiring diagram,pump,radio,radio wiring diagram,relay,relay wiring diagram,resistor,rj45 wiring diagram,schematic,semi-trailer truck,sensor,seven pin trailer wiring diagram,speaker wiring diagram,starter wiring diagram,stereo wiring diagram,stereophonic sound,strat wiring diagram,switch,switch wiring diagram,telecaster wiring diagram,thermostat wiring,thermostat wiring diagram,trailer brake controller,trailer plug wiring diagram,trailer wiring diagram,user guide,wire,wire diagram,wiring diagram,wiring diagram 3 way switch,wiring harness

    close