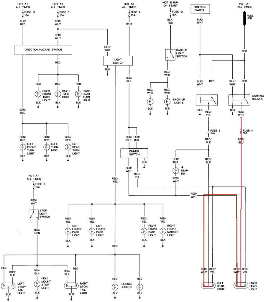
Subaru Justy User Wiring Diagram

Subaru Justy User Wiring Diagram

  • Category : Wiring Diagram
  • Post Date : January 22, 2026
Subaru Justy User Wiring Diagram 9 out of 10 based on 60 ratings. 40 user reviews.

Subaru Justy User Wiring Diagram

Repair Guides

Wire Harness Compatability

Wiring Diagram

Subaru Justy Wiring Diagram

Sr20de Swap In Florida - Page 14

Just Bought A 1988 Justy How To Install A Tachometer

1990 Subaru Justy Repair Shop Manual Original Set

1989 Subaru Justy Repair Shop Manual Original

Subaru Justy 1 2 1990

Headlights Wiring Issue

Wiring Diagrams Unit Wiring Retrofit Diagram Wshp

Volkswagen Hazard Switch Wiring Diagram

Subaru Justy Wiring Diagram

Wiring Diagram

Subaru Justy Wiring Diagram

Access Control Wiring Diagram

Air Motor Technology Motors Gearboxes Power Transmission

1957 Dodge Coe By Asianfever On Deviantart 164 Dodgetruck

Automotive Wiring Diagram

Toyota Ae111 4age Advanced Electrical Wiring Diagrams

House Wiring Diagram With Inverter Connection

Wiring Diagrams - E28 1982-1988

Heru 100 Lp Ec

Get Sensormatic Wiring Diagram Download

8

January 2012

Kinetix 300 Drive Safe Torque

Keeway Matrix 50 User Manual

Other Lighting U0026 Accessories

Fighter

Indicator Fault

Lp822

Wiring Diagram

Wiring Diagrams

Wiring Diagram

Wiring Diagram Outputs Xdvd9101 Installation

Pg Drives Sigma Vs Kelly For Sepex Motor - Page 2

Cummins Qsm11 Cm570 3666413 Wiring Diagram

3

Tr2 3 3a Help With Tr3a Wiring Diagram

Github Shutter

Humidity Sensor Rh

Wiring Diagrams

Wiring Diagram

Get Sensormatic Wiring Diagram Download

Detroit Series 60 Ecm Wiring Diagram

Wiring Harness Diagrams Electrical

Toyota Ae111 4age Advanced Electrical Wiring Diagrams

Wiring Harness Diagrams Electrical

Quattro Wiring Diagram

K30 Connection Diagram

Wiring Diagram Figure A

Wiring Diagrams

955lc Brik Part Numbering Wiring Diagram

Intertherm Model E3eb 012h Blower Motor Wiring Diagram

Megasquirt Support Forum Msextra U2022 Help Thread For My

Diagram Subaru Justy User Wiring Diagram

  • Download Subaru Justy User Wiring Diagram

    draw.io is free online diagram software for making flowcharts, process diagrams, org charts, UML, ER and network diagrams

    Open and edit diagrams online with Draw.io, a free diagram software supporting various formats and diagram types.

    Create a new diagram, or open an existing diagram in your new tab. To create a new diagram, enter a Diagram Name and click the location where you want to save the file.

    Create flowcharts and diagrams online with this easy to use software.

    Create and edit diagrams with draw.io, a free diagramming tool that integrates seamlessly with Office 365.

    Easily import diagrams from Lucidchart to diagrams.net or draw.io with this simple tool.

    Access and integrate Google Drive files with Draw.io using the Google Picker tool for seamless diagram creation.

    Clearing Cached version 29.3.2... OK Update Start App

    confEmbedUpload=For a better editing experience, please use the regular draw.io macro to insert a blank diagram, then from (File menu → Import From → Device...) select the file you want to upload and embed.

    Editing the diagram from page view may cause data loss. Please edit the Confluence page first and then edit the diagram. confConfigSpacePerm=Note: If you recently migrated from DC app, please check draw.io Configuration space permissions such that all users can read and only admins can write.

    3 way switch,3 way switch wiring,3 way switch wiring diagram pdf,3 way wiring diagram,3way switch wiring diagram,4 prong dryer outlet wiring diagram,4 prong trailer wiring diagram,6 way trailer wiring diagram,7 pin trailer wiring diagram with brakes,7 pin wiring diagram,alternator wiring diagram,amp wiring diagram,automotive lighting,cable harness,chevrolet,diagram,dodge,doorbell wiring diagram,ecobee wiring diagram,electric motor,electrical connector,electrical wiring,electrical wiring diagram,ford,fuse,honeywell thermostat wiring diagram,ignition system,kenwood car stereo wiring diagram,light switch wiring diagram,lighting,motor wiring diagram,nest doorbell wiring diagram,nest hello wiring diagram,nest labs,nest thermostat,nest thermostat wiring diagram,phone connector,pin,pioneer wiring diagram,plug wiring diagram,pump,radio,radio wiring diagram,relay,relay wiring diagram,resistor,rj45 wiring diagram,schematic,semi-trailer truck,sensor,seven pin trailer wiring diagram,speaker wiring diagram,starter wiring diagram,stereo wiring diagram,stereophonic sound,strat wiring diagram,switch,switch wiring diagram,telecaster wiring diagram,thermostat wiring,thermostat wiring diagram,trailer brake controller,trailer plug wiring diagram,trailer wiring diagram,user guide,wire,wire diagram,wiring diagram,wiring diagram 3 way switch,wiring harness

    close