Single Line Electrical Diagram

Single Line Electrical Diagram

  • Category : Electrical Diagram
  • Post Date : January 22, 2026
Single Line Electrical Diagram 9 out of 10 based on 40 ratings. 70 user reviews.

Single Line Electrical Diagram

One-line Diagram

Electrical Single

Electrical Single Line Diagram

Download Repair Manual 2017

How To Calculate And Draw A Single Line Diagram For The Power System

101 Electrical Engineering Interview Topics Electric Diagrams

Electrical Single

Electrical Transmission And Distribution System

Understanding Substation Single Line Diagrams And Iec 61850 Process Bus Depicting Relay

Intelligent Electrical One Line Diagram

Example One

One Line Electrical Diagram

Single Line Diagram Of Major Components Of Power System From Generation To Consumption

Electrical Single

How To Calculate And Draw A Single Line Diagram For The Power System

One Line Diagrams

Electrical One

Famic Technologies Inc - Automation Studio U2122 Professional Edition - Modules

Electrical Design Of The On

Control Automation Protection And Monitoring System Of A Small Hydropower Plant

Understanding Substation Single Line Diagrams And Iec 61850 Process Bus Depicting Relay

Antares 44i Catamaran Electrical One

One

1 Identify On The Electrical One U2010line Diagram A

23 Images Of Cable Riser Diagram Template

Revit Add

Electrical U0026 Lighting Systems

World Of Electrical Engineering

Electrical Single Line Diagram

Electrical Wiring Systems And Methods Of Electrical Wiring

Types Of Electrical Diagrams

Learn To Interpret Single Line Diagram Sld

The 7 Steps To Complete An Arc Flash Analysis

That Looks About Right Revit

File Example Of One-line Wiring Diagram Of Fuse Box Jpg

Broadcast

Easypower How To Build One-line Diagrams Part 1

Electrical Single Line Diagram

One

Electrical Design Software

Electrical Installation Wiring Pictures A Simple Electrical Installation

Learn To Interpret Single Line Diagram Sld

2 1 12 1 12

Switchyard Three Line Diagram 2

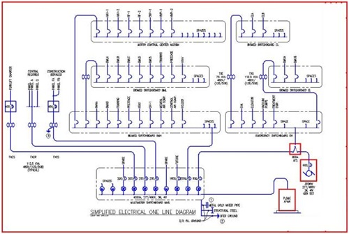
Simplified Electrical One

Simplified Single

Chapter 2 Single

Wiring Diagram

Single Line Diagram-cable Nomenclature - Electrician Talk

How Bad Harmonics Influence The Work Of Motors And Generators Transformers Capacitors Etc

City Stink Special Report Out Of Line Asking For A Single Line

Converting Bandsaw With Vfd But Also Has 3 Phase Blade Grinder

One-line Riser Diagrams

Industrial Instrumentation Instrumentation And Control Symbols

Electrical Distribution Systems For Commercial Reference Building Models

Diagram Single Line Electrical Diagram

  • Download Single Line Electrical Diagram

    Enter your zip code to tailor the results specifically to your area. Join us in providing the world's most accurate speedtest platform.

    How fast is your download speed? In seconds, FAST 's simple Internet speed test will estimate your ISP speed.

    Check your internet speed with our simple and fast speed test. Get detailed results for your download speed, upload speed, and personalized insights into your connection performance.

    Test your Internet connection. Check your network performance with our Internet speed test. Powered by Cloudflare's global edge network.

    An internet speed test measures the connection speed and quality of your connected device to the internet. It does so by running multiple consecutive tests that analyze different aspects of your internet connection, namely ping (latency), download speed, and upload speed.

    Test your connection fast with Xfinity’s internet speed test tool and get tips on how to improve your internet performance.

    Test your current internet speed, and find out how fast your broadband wi fi handles uploads and downloads. See Google Fiber plan options for faster internet.

    Accurately test your Internet connection speed with this powerful broadband speed test. Improve your bandwidth speed with the truth.

    Speedtest is the definitive way to test the performance and quality of an internet connection. Since our founding in 2006, an unparalleled total of more than 55 billion consumer initiated tests have been taken with Speedtest.

    Test your internet speed instantly with our free, accurate speed test tool. Measure download speed, upload speed, ping, and latency. No downloads required works on all devices.

    3 way switch,3 way switch wiring,3 way switch wiring diagram pdf,3 way wiring diagram,3way switch wiring diagram,4 prong dryer outlet wiring diagram,4 prong trailer wiring diagram,6 way trailer wiring diagram,7 pin trailer wiring diagram with brakes,7 pin wiring diagram,alternator wiring diagram,amp wiring diagram,automotive lighting,cable harness,chevrolet,diagram,dodge,doorbell wiring diagram,ecobee wiring diagram,electric motor,electrical connector,electrical wiring,electrical wiring diagram,ford,fuse,honeywell thermostat wiring diagram,ignition system,kenwood car stereo wiring diagram,light switch wiring diagram,lighting,motor wiring diagram,nest doorbell wiring diagram,nest hello wiring diagram,nest labs,nest thermostat,nest thermostat wiring diagram,phone connector,pin,pioneer wiring diagram,plug wiring diagram,pump,radio,radio wiring diagram,relay,relay wiring diagram,resistor,rj45 wiring diagram,schematic,semi-trailer truck,sensor,seven pin trailer wiring diagram,speaker wiring diagram,starter wiring diagram,stereo wiring diagram,stereophonic sound,strat wiring diagram,switch,switch wiring diagram,telecaster wiring diagram,thermostat wiring,thermostat wiring diagram,trailer brake controller,trailer plug wiring diagram,trailer wiring diagram,user guide,wire,wire diagram,wiring diagram,wiring diagram 3 way switch,wiring harness

    close