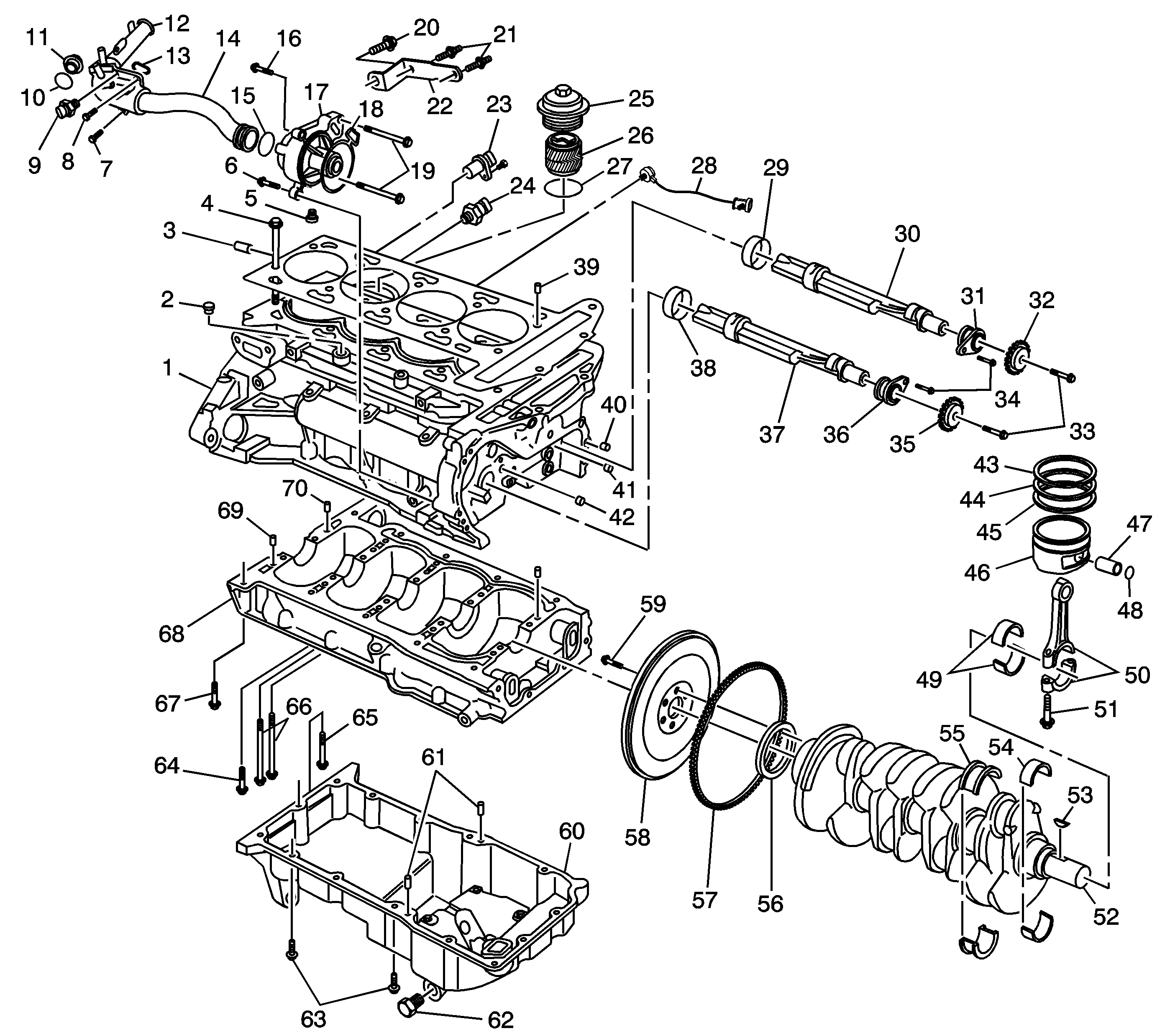
Seadoo Speedster Engine Diagram

Seadoo Speedster Engine Diagram

  • Category : Engine Diagram
  • Post Date : January 22, 2026
Seadoo Speedster Engine Diagram 9 out of 10 based on 40 ratings. 90 user reviews.

Seadoo Speedster Engine Diagram

I Have A 2007 Seadoo Speedster 150 With 215 Hp When I Place The Key It Gives Me The Two Beeps

Dixon Speedztr 44 20hp Kohler

Dixon Speedztr 30

Dixon Speedztr 46

Dixon Speedztr 42

Closed Loop Cooling System For Challenger 1800

Porsche 911 Engine Diagram Poster 24 X 36 Or

Seadoo Engine Diagram

V8 Focu

Detroit 60 Series Injector Wiring Harness

Karznshit Porsche 356 Driver U0026 39 S Manual

Sea Doo Jet Boat Challenger 1800 Repair Manual Download

Engine Mounts - Vx220 Discussion

Cooling Subaru Engine

1996 Seadoo Sdster Wiring Diagrams

Closed Loop Cooling System For Challenger 1800

Dixon Ztr 429 1990 Parts Diagram For Engine Assembly

Porsche Quad

Porsche 356 Heater Diagram

Need Help - Plug Wire Positions On 787

1994 Sea Doo Gtx Parts Diagram U2022 Downloaddescargar Com

Birth Of A 356

Jack Points

944 Speedster Conversion - Possible - Page 2 - Rennlist

Auburn Speedster For Sale

Pin By Davidvw63 On Porche Engine

Fuel Pump Dilema

1996 Seadoo Sdster Wiring Diagrams

My Chesil Speedster Build

278000601 Mpem Used With The 1995 Speedster Jetboat Kit Picture 278000801 Mpem Used With The

Once All Is Back Together And Before Reinstalling The Grey Cover Reconnect The Batteries And

Seadoo 1996 Speedster Main Wiring Harness Wires Plugs 278000797

1999 Sea Doo Seadoo Speedster Sk Service Repair Manual Instant Download

Sea Doo Speedster 200 2004 For Sale For 9 000

1999 Sea Doo Seadoo Speedster Sk Service Repair Workshop Manual Download Volume 2

Vintage Speedster Wiring Diagram U2013 Donghanhcungtuky Com

Vintage Speedster Wiring Diagram U2013 Donghanhcungtuky Com

Used 914 Engine Plate Cover 1970-76

1994 Seadoo Speedster Revival Build

Dixon Speedztr 42 2004 Parts Diagram For Wiring

Porsche 550 Engine

Dixon Speedztr 42

356a Coupe Blueprint

97 Challenger Exhaust Smoke

Porsche 356 Heater Diagram

Dixon Ztr 3304 1997 Parts Diagram For Mower Deck Assembly

1994 Seadoo Speedster Revival Build

Porsche 356 Engine And Transmission

Seadoo Speedster 150 2010 Pdf Boat Service Shop Manual Download

Sea Doo Speedster 1995 For Sale For 3 700

1997 Seadoo Challenger Manual

O4 Lsj Into A Rwd European Opel Speedster

2002 Sea Doo Seadoo Speedster Challenger 1800 2000 X20 Service Repair Workshop Manual Download

912 Engine Lubrication

Sea-doo Speedster 2001 2002 Service Repair Manual Download

Dixon Speedztr 44 2005 Parts Diagram For Drive Train

Diagram Seadoo Speedster Engine Diagram

  • Download Seadoo Speedster Engine Diagram

    draw.io is free online diagram software for making flowcharts, process diagrams, org charts, UML, ER and network diagrams

    Open and edit diagrams online with Draw.io, a free diagram software supporting various formats and diagram types.

    Create a new diagram, or open an existing diagram in your new tab. To create a new diagram, enter a Diagram Name and click the location where you want to save the file.

    Create flowcharts and diagrams online with this easy to use software.

    Create and edit diagrams with draw.io, a free diagramming tool that integrates seamlessly with Office 365.

    Easily import diagrams from Lucidchart to diagrams.net or draw.io with this simple tool.

    Access and integrate Google Drive files with Draw.io using the Google Picker tool for seamless diagram creation.

    Clearing Cached version 29.3.2... OK Update Start App

    confEmbedUpload=For a better editing experience, please use the regular draw.io macro to insert a blank diagram, then from (File menu → Import From → Device...) select the file you want to upload and embed.

    Editing the diagram from page view may cause data loss. Please edit the Confluence page first and then edit the diagram. confConfigSpacePerm=Note: If you recently migrated from DC app, please check draw.io Configuration space permissions such that all users can read and only admins can write.

    3 way switch,3 way switch wiring,3 way switch wiring diagram pdf,3 way wiring diagram,3way switch wiring diagram,4 prong dryer outlet wiring diagram,4 prong trailer wiring diagram,6 way trailer wiring diagram,7 pin trailer wiring diagram with brakes,7 pin wiring diagram,alternator wiring diagram,amp wiring diagram,automotive lighting,cable harness,chevrolet,diagram,dodge,doorbell wiring diagram,ecobee wiring diagram,electric motor,electrical connector,electrical wiring,electrical wiring diagram,ford,fuse,honeywell thermostat wiring diagram,ignition system,kenwood car stereo wiring diagram,light switch wiring diagram,lighting,motor wiring diagram,nest doorbell wiring diagram,nest hello wiring diagram,nest labs,nest thermostat,nest thermostat wiring diagram,phone connector,pin,pioneer wiring diagram,plug wiring diagram,pump,radio,radio wiring diagram,relay,relay wiring diagram,resistor,rj45 wiring diagram,schematic,semi-trailer truck,sensor,seven pin trailer wiring diagram,speaker wiring diagram,starter wiring diagram,stereo wiring diagram,stereophonic sound,strat wiring diagram,switch,switch wiring diagram,telecaster wiring diagram,thermostat wiring,thermostat wiring diagram,trailer brake controller,trailer plug wiring diagram,trailer wiring diagram,user guide,wire,wire diagram,wiring diagram,wiring diagram 3 way switch,wiring harness

    close