Samsung I9082 Diagram

Samsung I9082 Diagram

  • Category : I9082 Diagram
  • Post Date : January 22, 2026
Samsung I9082 Diagram 9 out of 10 based on 100 ratings. 60 user reviews.

Samsung I9082 Diagram

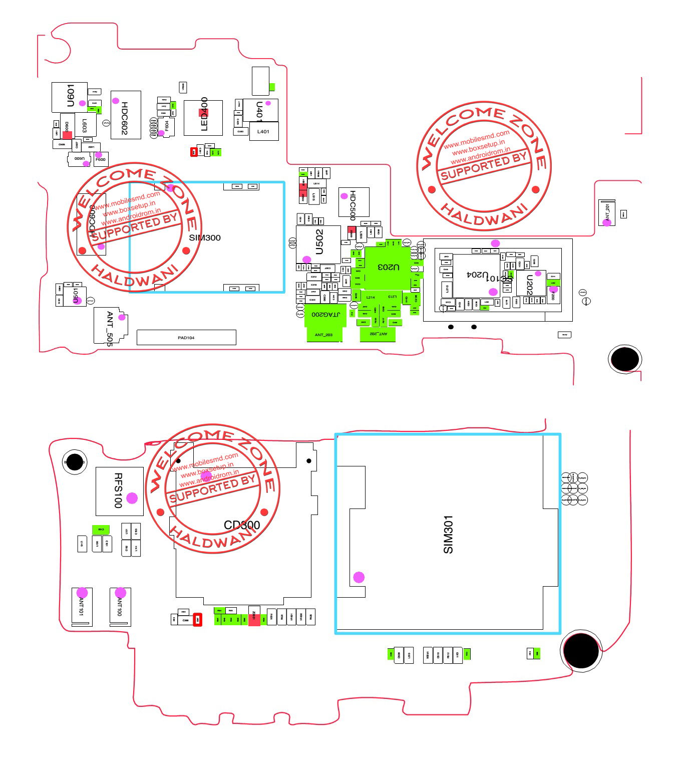
Samsung Galaxy Grand I9082 Schematics

Samsung I9082 Display Light Problem Jumper Ways

Samsung Galaxy Grand I9082 Schematics

Diagram Electronic Circuit Wiring Diagram

Samsung Grand I9082 Mic Solution Jumper Problem Ways

Samsung Galaxy Grand I9082 Mic Solution Jumper Problem

Jrockers World Samsung Galaxy Grand Duos I9082 No Signal

Samsung Galaxy Grand I9082 Service Manual

Samsung Galaxy Grand I9082 Charging Not Working Solution

Iphone 6 Plus Touch Screen Not Working Problem Solution

Samsung Grand Duos I9082 Sim Card Connecter Ways Solution

Samsung Galaxy Grand I9082 Microphone Main Mic Solution

Samsung Galaxy Grand I9082 Sim Part Insert Sim Card

Samsung Gt

Grand Duos Mic Not Working

Gaurav

Samsung Galaxy Grand I9082 8m Rreal Camera Not Working

Samsung Galaxy Grand I9082 Gsm850 Gsm900 Tx 2g Network Not

Samsung Galaxy Grand I9082 Cell Phone Can Not Power On

Samsung Galaxy Grand I9082 Lcd Display Light Ic Solution

Samsung Galaxy Grand I9082 Ear Speaker Receiver Problem

Samsung Galaxy Grand I9082 Wifi Problem Solution

Samsung Galaxy Grand I9082 Lcd Display Not Working

I9082 Lcd Light Ways

Samsung I9082 Circuit Diagram

Samsung Gt

All Over Mobile Solution Samsung Galaxy Grand I9082

Samsung Grand Duos I9082 Battery Connector Problem

Jrockers World Samsung Galaxy Grand Duos I9082 No Signal

Samsung Grand Duos I9082 Earpiece Speaker Ways Solution

Android Update News Samsung Galaxy S5360 Grounded Shorted

Samsung Gt I9082 Mic Ringer Speaker And Ear Speaker Line

Samsung I9082 Display Light Problem Jumper Solution

Pin By Shahazad On Apple 6 In 2019

Samsung I9082 Charging Solution Ways Usb Problem Jumper

Samsung Gt S7562 Galaxy S Duos Audio Not Working Solution

Tiander Cellular Samsung Gt

Samsung Galaxy Grand I9082 Ear Speaker Receiver Problem

Mobile Phone Repairing Me Kaise Jane Ki Hardware Ya

Diagram Samsung I9082 Diagram

  • Download Samsung I9082 Diagram

    draw.io is free online diagram software for making flowcharts, process diagrams, org charts, UML, ER and network diagrams

    Open and edit diagrams online with Draw.io, a free diagram software supporting various formats and diagram types.

    Create a new diagram, or open an existing diagram in your new tab. To create a new diagram, enter a Diagram Name and click the location where you want to save the file.

    Create flowcharts and diagrams online with this easy to use software.

    Easily import diagrams from Lucidchart to diagrams.net or draw.io with this simple tool.

    Create and edit diagrams with draw.io, a free diagramming tool that integrates seamlessly with Office 365.

    Access and integrate Google Drive files with Draw.io using the Google Picker tool for seamless diagram creation.

    Clearing Cached version 29.3.2... OK Update Start App

    7.2 The Software will initiate transfers of data forming part of the Diagrams (“Diagram Data”) to services supplied by third parties when you expressly request conversion of Diagrams: a. to another supported file format; and b. to PDF format.

    Editing the diagram from page view may cause data loss. Please edit the Confluence page first and then edit the diagram. confConfigSpacePerm=Note: If you recently migrated from DC app, please check draw.io Configuration space permissions such that all users can read and only admins can write.

    3 way switch,3 way switch wiring,3 way switch wiring diagram pdf,3 way wiring diagram,3way switch wiring diagram,4 prong dryer outlet wiring diagram,4 prong trailer wiring diagram,6 way trailer wiring diagram,7 pin trailer wiring diagram with brakes,7 pin wiring diagram,alternator wiring diagram,amp wiring diagram,automotive lighting,cable harness,chevrolet,diagram,dodge,doorbell wiring diagram,ecobee wiring diagram,electric motor,electrical connector,electrical wiring,electrical wiring diagram,ford,fuse,honeywell thermostat wiring diagram,ignition system,kenwood car stereo wiring diagram,light switch wiring diagram,lighting,motor wiring diagram,nest doorbell wiring diagram,nest hello wiring diagram,nest labs,nest thermostat,nest thermostat wiring diagram,phone connector,pin,pioneer wiring diagram,plug wiring diagram,pump,radio,radio wiring diagram,relay,relay wiring diagram,resistor,rj45 wiring diagram,schematic,semi-trailer truck,sensor,seven pin trailer wiring diagram,speaker wiring diagram,starter wiring diagram,stereo wiring diagram,stereophonic sound,strat wiring diagram,switch,switch wiring diagram,telecaster wiring diagram,thermostat wiring,thermostat wiring diagram,trailer brake controller,trailer plug wiring diagram,trailer wiring diagram,user guide,wire,wire diagram,wiring diagram,wiring diagram 3 way switch,wiring harness

    close