Quad 2 Circuit Diagram

Quad 2 Circuit Diagram

  • Category : Circuit Diagram
  • Post Date : January 22, 2026
Quad 2 Circuit Diagram 9 out of 10 based on 30 ratings. 90 user reviews.

Quad 2 Circuit Diagram

Two Way Light Switching Explained

2 Wire Control Circuit Diagram Motor Control Basics

Circuit Digest U2014 Simple Two Way Intercom Circuit In This

Resistors In Series And In Parallel

How To Connect A 2

Circuit Diagrams Of Radford Ma Sta Amplifiers

Encoder Digital

2 X 60 W Audio Amplifier Circuit

2 X 32 Watts Stereo Amplifier

Interfacing 16 U00d72 Lcd With 8051

Schematic Diagram And Layout Of Two Input Nand Gate

Electrics Intermediate

Electronic Letter Box Project Circuit And Its Working

Digital Circuits - Decoders

Square D By Schneider Electric Qo 20 Amp 3 5 In Two

How To Interface Usb 2 0 With Lpc2148 Arm7 Development Board

Starter Motor Circuit Diagram 2004

Switchless Nicd

2 Way Lighting Circuit Diagram

Simple 2 1 Surround Speaker System Circuit Diagram

Diyfan Original Pickit

Electrical Technology Stair Case Wiring Wiring Diagram

6v And 12v Car Battery Charger

Breath

Plc Tutorial Twidosuite 2 3 Wire Control Explanation

Up

Mains Frequency Monitor Circuit Diagram

2 Way Light Switch Wiring

Electrical Circuits For Kids

Two

Resources

Electrical

How To Wire Two Way Light Switch Two Way Lighting Circuit

Electrical

How To Wire Circuits From Schematics

3 Way Switch With Power Source Via The Light Switch

Automatic Water Level Controller Circuit Project

How To Build Your Own Usb Keylogger

Circuit No 2 Control Of Double Acting Cylinder

2 Way Light Switch Wiring Diagram

2 1 Channel Systems

Mkiii Schematic

2 4 Ghz 10 Channel Remote Control Switch

Electrics Intermediate

Can I Use A Power Only Usb Lead To Connect Rpi And Hdmipi

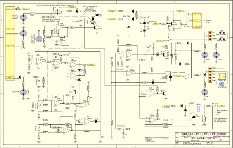
Baxi Solo 3 Circuit Diagram

Circuit Diagram To Control 2 Seven Segment Displays Using

Beolover Beogram 4000 Alternate U0026quot Circuit Diagram 2 U0026quot With

Electrical Engineering World 2 Way Light Switch With

Guide For Mq

Electrical

2 Transistor Fm Transmitter

Digital Circuits - Encoders

Electrical Outlet 2 Way Switch Wiring Diagram How To Wire

2 Way Light Switch Wiring Diagrams

Ladder Diagram Basics 3 2 Wire U0026 3 Wire Motor Control

2 Way Light Switch Diagram In Engilsh

Two Way Intercom Circuit Diagram Using Transistors And

Scr-principle Of Operation

Diagram Quad 2 Circuit Diagram

  • Download Quad 2 Circuit Diagram

    draw.io is free online diagram software for making flowcharts, process diagrams, org charts, UML, ER and network diagrams

    Open and edit diagrams online with Draw.io, a free diagram software supporting various formats and diagram types.

    Create a new diagram, or open an existing diagram in your new tab. To create a new diagram, enter a Diagram Name and click the location where you want to save the file.

    Create flowcharts and diagrams online with this easy to use software.

    Create and edit diagrams with draw.io, a free diagramming tool that integrates seamlessly with Office 365.

    Easily import diagrams from Lucidchart to diagrams.net or draw.io with this simple tool.

    Access and integrate Google Drive files with Draw.io using the Google Picker tool for seamless diagram creation.

    Clearing Cached version 29.3.2... OK Update Start App

    confEmbedUpload=For a better editing experience, please use the regular draw.io macro to insert a blank diagram, then from (File menu → Import From → Device...) select the file you want to upload and embed.

    Editing the diagram from page view may cause data loss. Please edit the Confluence page first and then edit the diagram. confConfigSpacePerm=Note: If you recently migrated from DC app, please check draw.io Configuration space permissions such that all users can read and only admins can write.

    3 way switch,3 way switch wiring,3 way switch wiring diagram pdf,3 way wiring diagram,3way switch wiring diagram,4 prong dryer outlet wiring diagram,4 prong trailer wiring diagram,6 way trailer wiring diagram,7 pin trailer wiring diagram with brakes,7 pin wiring diagram,alternator wiring diagram,amp wiring diagram,automotive lighting,cable harness,chevrolet,diagram,dodge,doorbell wiring diagram,ecobee wiring diagram,electric motor,electrical connector,electrical wiring,electrical wiring diagram,ford,fuse,honeywell thermostat wiring diagram,ignition system,kenwood car stereo wiring diagram,light switch wiring diagram,lighting,motor wiring diagram,nest doorbell wiring diagram,nest hello wiring diagram,nest labs,nest thermostat,nest thermostat wiring diagram,phone connector,pin,pioneer wiring diagram,plug wiring diagram,pump,radio,radio wiring diagram,relay,relay wiring diagram,resistor,rj45 wiring diagram,schematic,semi-trailer truck,sensor,seven pin trailer wiring diagram,speaker wiring diagram,starter wiring diagram,stereo wiring diagram,stereophonic sound,strat wiring diagram,switch,switch wiring diagram,telecaster wiring diagram,thermostat wiring,thermostat wiring diagram,trailer brake controller,trailer plug wiring diagram,trailer wiring diagram,user guide,wire,wire diagram,wiring diagram,wiring diagram 3 way switch,wiring harness

    close