Pacific Inte System Wiring Diagram

Pacific Inte System Wiring Diagram

  • Category : Wiring Diagram
  • Post Date : January 22, 2026
Pacific Inte System Wiring Diagram 9 out of 10 based on 70 ratings. 30 user reviews.

Pacific Inte System Wiring Diagram

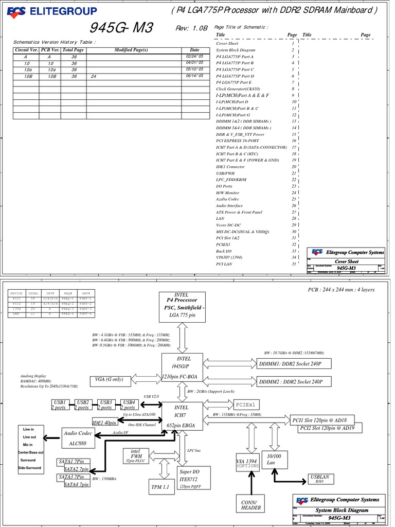
Intel 945 Motherboard Circuit Diagram

Elvox Intercom Wiring Diagram Collection

Intertherm Electric Furnace Wiring Diagram Download

Jeron Intercom Wiring Diagram Collection

Jeron Nurse Call Wiring Diagram

Ptz Controller Wiring Diagram Collection

Jeron Nurse Call Wiring Diagram

Schematic Symbol Chart Schematic

Boiler Heating System Diagram

Rauland Intercom Wiring Diagram

Podcast Episodes U2013 Airplane Owner Maintenance

Elvox Intercom Wiring Diagram Sample

Find Out Here Intertherm Thermostat Wiring Diagram Download

Jeron Nurse Call Wiring Diagram Gallery

Jeron Intercom Wiring Diagram Collection

Aiphone Intercom Wiring Diagram Download

Ekey Home Finger Print Reader

Nordyne Wiring Diagram Electric Furnace Collection

Drafting For Electronics

Fleetwood Motorhome Wiring Diagram Fuse

Ask Vaillant

Intellichlor Chlorine Generator Installation Plumbing

Jeron Nurse Call Wiring Diagram

Gallery Of Elvox Intercom Wiring Diagram Sample

Compaq Wiring Diagrams

Nurse Call System Wiring Diagram Collection

Ekey Home Finger Print Reader

Interop System Graphic

Ask Vaillant

Intertherm E2eb 015ha Wiring Diagram

Dukane Inter Speaker Wiring Diagram

Intertherm Wiring Diagram Collection

Best Salt Water Generator

Intercom Circuit Schematic In 2019

Jrc Jma

Microprocessor Schematic

Ask Vaillant

Block Diagram 8255

Gallery Of Nutone Doorbell Intercom Wiring Diagram Download

80188 Simple Computer

Diagram Ansul System Wiring Diagram Circuit Kitchen

Microprocessor Schematic Symbol

Find Out Here Irrigation Pump Start Relay Wiring Diagram

Intermatic K4221c Wiring Diagram

Gdx Interwiring Diagram

Furnace Control Board Wiring Diagram Download

Ethernet Mezzanine Card Dual Gigabit Ethernet

Get Intermatic Photocell Wiring Diagram Sample

Regions Grow Usage Drops With The Heat U2013 Hypergrid Business

Siemens Shunt Trip Breaker Wiring Diagram

Dell Wiring Diagram

Rauland Intercom Wiring Diagram

Intertherm Electric Furnace Wiring Diagram Download

Lian Pin

Diagram Pacific Inte System Wiring Diagram

  • Download Pacific Inte System Wiring Diagram

    draw.io is free online diagram software for making flowcharts, process diagrams, org charts, UML, ER and network diagrams

    Open and edit diagrams online with Draw.io, a free diagram software supporting various formats and diagram types.

    Create a new diagram, or open an existing diagram in your new tab. To create a new diagram, enter a Diagram Name and click the location where you want to save the file.

    Create flowcharts and diagrams online with this easy to use software.

    Create and edit diagrams with draw.io, a free diagramming tool that integrates seamlessly with Office 365.

    Easily import diagrams from Lucidchart to diagrams.net or draw.io with this simple tool.

    Access and integrate Google Drive files with Draw.io using the Google Picker tool for seamless diagram creation.

    Clearing Cached version 29.3.2... OK Update Start App

    confEmbedUpload=For a better editing experience, please use the regular draw.io macro to insert a blank diagram, then from (File menu → Import From → Device...) select the file you want to upload and embed.

    Editing the diagram from page view may cause data loss. Please edit the Confluence page first and then edit the diagram. confConfigSpacePerm=Note: If you recently migrated from DC app, please check draw.io Configuration space permissions such that all users can read and only admins can write.

    3 way switch,3 way switch wiring,3 way switch wiring diagram pdf,3 way wiring diagram,3way switch wiring diagram,4 prong dryer outlet wiring diagram,4 prong trailer wiring diagram,6 way trailer wiring diagram,7 pin trailer wiring diagram with brakes,7 pin wiring diagram,alternator wiring diagram,amp wiring diagram,automotive lighting,cable harness,chevrolet,diagram,dodge,doorbell wiring diagram,ecobee wiring diagram,electric motor,electrical connector,electrical wiring,electrical wiring diagram,ford,fuse,honeywell thermostat wiring diagram,ignition system,kenwood car stereo wiring diagram,light switch wiring diagram,lighting,motor wiring diagram,nest doorbell wiring diagram,nest hello wiring diagram,nest labs,nest thermostat,nest thermostat wiring diagram,phone connector,pin,pioneer wiring diagram,plug wiring diagram,pump,radio,radio wiring diagram,relay,relay wiring diagram,resistor,rj45 wiring diagram,schematic,semi-trailer truck,sensor,seven pin trailer wiring diagram,speaker wiring diagram,starter wiring diagram,stereo wiring diagram,stereophonic sound,strat wiring diagram,switch,switch wiring diagram,telecaster wiring diagram,thermostat wiring,thermostat wiring diagram,trailer brake controller,trailer plug wiring diagram,trailer wiring diagram,user guide,wire,wire diagram,wiring diagram,wiring diagram 3 way switch,wiring harness

    close