Onida Tv Power Supply Diagram

Onida Tv Power Supply Diagram

  • Category : Supply Diagram
  • Post Date : January 22, 2026
Onida Tv Power Supply Diagram 9 out of 10 based on 20 ratings. 10 user reviews.

Onida Tv Power Supply Diagram

Electro Help Philips 40pfl3606 - Lcd Tv

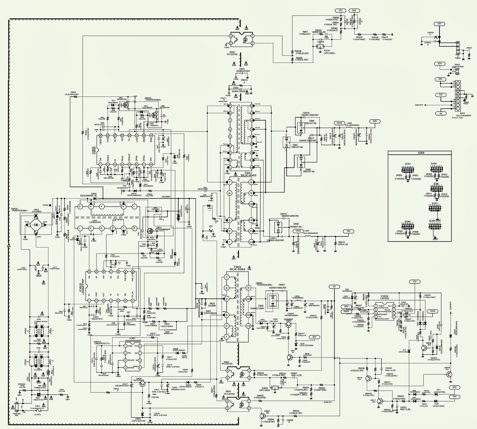
Tv Power Supply Smps Schematic Circuit Diagram

Tv Power Supply Ac Matic

Bn44 00165a Samsung Led Lcd Tv Smps Circuit Diagram

Electro Help Samsung Lcd Tv Power Supply

Samsung Tu40eo Led Lcd Tv Power Supply - Schematic

Philips 22pfl4507

Electro Help Sony Kdl32bx300 Kdl22bx300 - Lcd Tv

Electro Help Akira Lct-30kxstp - Lcd Tv

Jsk 4330

Philips Lc4 1e Ab - Bl6l70ps10j1 - 20 Inch Lcd Tv

Bn44-00197

Samsung Tu40eo Led Lcd Tv Power Supply - Schematic

Tcl 2980db Tv Power Supply Circuit Diagram

Lg Power Supply - Eay62810801 - Schematic

Electro Help Samsung Lcd Tv Power Supply Bn44 00438a

Plasma Tv Lg42pg20 - Smps Circuit Diagram

Samsung Bn44

Akai Lta-27a901 U2013 Lcd Tv

Tcl 2188f Tv Power Supply Circuit Diagram

I Have An Emerson Flat Lcd Screen Tv Tv Comes On And

Welcome Strw 6756 - Tv Power Supply Smps

Lcd Tv Power Supply Circuit Diagram

Hyundai Hptv2912s - 29 Inch Crt Tv

Lg Pt

Panasonic Tc-l42u30b Lcd Tv

Lg Cf

Lc4245w - Toshiba Lcd Tv

Lg Usp490m

Panasonic Tc L42s20b Lcd Tv Smps Power Supply Schematic

Electronics And Electrical Engineering Design News

Universal Switching Power Supply For Tv

Samsung Tu40eo Led Lcd Tv Power Supply - Schematic

China Jsk3200

China Jsk4338

Lcd Tv Power Supply Circuit Diagram Under Repository

Philips 40pfl3606 - Lcd Tv

Tv Power Supply Schematic Circuit Diagram Memorex

Bn44 00165a Samsung Led Lcd Tv Smps Circuit Diagram

32 Inch Philips Lcd Tv Power Supply Smps Schematic

Circuit Diagrams Ht Power Supply Diagram

Philco Pl3217 - Lcd Tv

Samsung Tu40eo Led Lcd Tv Power Supply - Schematic

Bn44-00197

Power Tips Centralized Control Makes Power Supply Design

Electro Help 42pfl6007 Philips Led Lcd Tv

Samsung Bn94-03052a

21k77 - Tcl Crt Tv

Samsing Slim Crt Tv - Cl14b501kjmxzd

Lg Plasma Tv Power Supply Board Eay41360901 Repair Kit

Lg32ln530b Led Lcd Tv Power Supply Board U2013 Eax64905001

Lg Eax64905401 Eay62810601 Led Tv Power Supply Service

Tcl 2580fl Tv Power Supply Circuit Diagram

Loewe - 5655z Tv - Power Supply Smps

Electro Help Sony Kdl32bx300 Kdl22bx300 - Lcd Tv

Diagram Onida Tv Power Supply Diagram

  • Download Onida Tv Power Supply Diagram

    draw.io is free online diagram software for making flowcharts, process diagrams, org charts, UML, ER and network diagrams

    Open and edit diagrams online with Draw.io, a free diagram software supporting various formats and diagram types.

    Create a new diagram, or open an existing diagram in your new tab. To create a new diagram, enter a Diagram Name and click the location where you want to save the file.

    Create flowcharts and diagrams online with this easy to use software.

    Create and edit diagrams with draw.io, a free diagramming tool that integrates seamlessly with Office 365.

    Easily import diagrams from Lucidchart to diagrams.net or draw.io with this simple tool.

    Access and integrate Google Drive files with Draw.io using the Google Picker tool for seamless diagram creation.

    Clearing Cached version 29.3.2... OK Update Start App

    confEmbedUpload=For a better editing experience, please use the regular draw.io macro to insert a blank diagram, then from (File menu → Import From → Device...) select the file you want to upload and embed.

    Editing the diagram from page view may cause data loss. Please edit the Confluence page first and then edit the diagram. confConfigSpacePerm=Note: If you recently migrated from DC app, please check draw.io Configuration space permissions such that all users can read and only admins can write.

    3 way switch,3 way switch wiring,3 way switch wiring diagram pdf,3 way wiring diagram,3way switch wiring diagram,4 prong dryer outlet wiring diagram,4 prong trailer wiring diagram,6 way trailer wiring diagram,7 pin trailer wiring diagram with brakes,7 pin wiring diagram,alternator wiring diagram,amp wiring diagram,automotive lighting,cable harness,chevrolet,diagram,dodge,doorbell wiring diagram,ecobee wiring diagram,electric motor,electrical connector,electrical wiring,electrical wiring diagram,ford,fuse,honeywell thermostat wiring diagram,ignition system,kenwood car stereo wiring diagram,light switch wiring diagram,lighting,motor wiring diagram,nest doorbell wiring diagram,nest hello wiring diagram,nest labs,nest thermostat,nest thermostat wiring diagram,phone connector,pin,pioneer wiring diagram,plug wiring diagram,pump,radio,radio wiring diagram,relay,relay wiring diagram,resistor,rj45 wiring diagram,schematic,semi-trailer truck,sensor,seven pin trailer wiring diagram,speaker wiring diagram,starter wiring diagram,stereo wiring diagram,stereophonic sound,strat wiring diagram,switch,switch wiring diagram,telecaster wiring diagram,thermostat wiring,thermostat wiring diagram,trailer brake controller,trailer plug wiring diagram,trailer wiring diagram,user guide,wire,wire diagram,wiring diagram,wiring diagram 3 way switch,wiring harness

    close