Mercury 225 Efi Wiring Diagram

Mercury 225 Efi Wiring Diagram

  • Category : Wiring Diagram
  • Post Date : January 22, 2026
Mercury 225 Efi Wiring Diagram 9 out of 10 based on 10 ratings. 10 user reviews.

Mercury 225 Efi Wiring Diagram

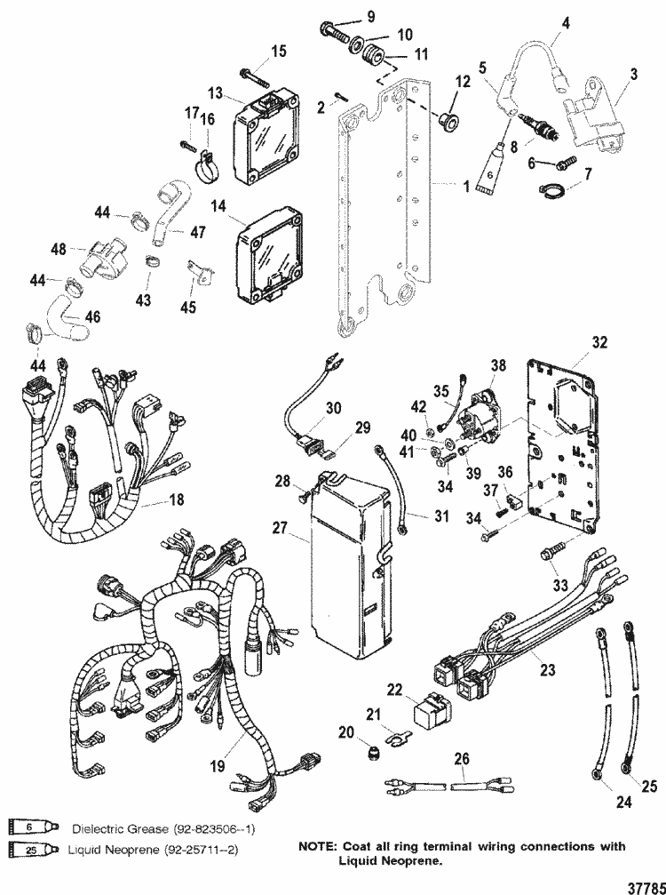
Mercury 225 Efi - Ignoition Coils

Mercury Mariner Racing 225 Efi Pro Max Super Mag Wiring

Mercury Mariner Racing 225 Efi Pro Max Super Mag Wiring

Mercury Efi Wiring Diagram U2013 Fuehrerscheinindeutschland Com

Mercury Efi Wiring Diagram U2013 Fuehrerscheinindeutschland Com

Mercury Mariner Racing 225 Efi Pro Max Super Mag

Marine Parts Plus Mercury Serial 225 3 0l Efi 809170 95

Mercury Outboard Throttle Control Diagram U2014 Untpikapps

Mercury Mercury U0026 Mariner Outboard Parts By Hp U0026 Liter

Mercury Efi Wiring Diagram U2013 Fuehrerscheinindeutschland Com

Mercury Efi Wiring Diagram U2013 Fuehrerscheinindeutschland Com

Mercury 2 Str Service Repair Manual 135 150 175 200 225

I Have A 1996 V 200 Efi Mercury The Fuel Pump Will Not

Intake Silencer For Mercury 225 Efi 4

Mercury Marine 225 Hp 3 0l Efi Shift Linkage Parts

35 Hp Mercury Outboard Fuel Filter Location

Race Outboard 225 Efi Promax Supermagnum

Mercury Efi Wiring Diagram U2013 Fuehrerscheinindeutschland Com

Mercury Efi Wiring Diagram U2013 Fuehrerscheinindeutschland Com

Mercury Marine 250 Hp 3 0l Efi Electrical Components

I Just Read Your Replies To A Gentleman Who Had A 2002

Mercury V

Ebook

Mercury 115 4 Stroke Optimax Service Manual

Mercury Efi U0026quot Push Key To Choke U0026quot Enrichment Diagram

2001 Mercury 225 Efi - The Hull Truth

Mercury 2000 2001 225 Efi U0026 Mercury 2001 150 Carb

Mercury Mariner Outboard 225 225 Efi 250 Efi By

Calam U00e9o

2001 Mercury 225 Efi - The Hull Truth

Mercury Engine Wiring Harness 878082t4 2001

Mercury Optimax Wiring Diagram

Mercury 225 Efi Outboard Boat Motor Completely Overhauled

Mercury Engine Wiring Harness 878082t4 2001

Mercury 115 4 Stroke Optimax Service Manual

Mercury Efi Wiring Diagram U2013 Fuehrerscheinindeutschland Com

Mercury Mariner Outboard 135 150 175 200 225

Mercury 2 Str Service Repair Manual 135 150 175 200 225

Mercury Outboard 115 Efi Fuel Filter

Mercury Efi Wiring Diagram U2013 Fuehrerscheinindeutschland Com

1985 Force 85hp Is My Stator Fried Pics Added Page 2

Wiring Diagram For Evinrude 225 Ficht

Mercury 225 Efi Momentarily Stalls At Speed

Mercury 2 Str Service Repair Manual 135 150 175 200 225

Mercury Efi Wiring Diagram U2013 Fuehrerscheinindeutschland Com

Mercury Outboard 225 225 250 Efi 3 0 Litre Service

90 Hp Mercury 4 Stroke Efi Electrical Diagram

Mercury 2 Str Service Repair Manual 135 150 175 200 225

Mercury 2 Str Service Repair Manual 135 150 175 200 225

Mercury Efi Wiring Diagram U2013 Fuehrerscheinindeutschland Com

2004 Yamaha Fuel Injection Pump 2 Parts For 225 Hp

Mercury 115 4 Stroke Wiring Diagram

Mercury Outboard Throttle Control Diagram U2014 Untpikapps

U041a U0430 U0442 U0430 U043b U043e U0433 U0437 U0430 U043f U0447 U0430 U0441 U0442 U0435 U0439 Mercury 4

Mercury 2 Str Service Repair Manual 135 150 175 200 225

Mercury Mariner Racing 150 200 Efi Pro Max Super Mag

Mercury Mariner Outboards 135 150 175 200 225 Hp

Diagram Mercury 225 Efi Wiring Diagram

  • Download Mercury 225 Efi Wiring Diagram

    draw.io is free online diagram software for making flowcharts, process diagrams, org charts, UML, ER and network diagrams

    Open and edit diagrams online with Draw.io, a free diagram software supporting various formats and diagram types.

    Create flowcharts and diagrams online with this easy to use software.

    Create a new diagram, or open an existing diagram in your new tab. To create a new diagram, enter a Diagram Name and click the location where you want to save the file.

    Create and edit diagrams with draw.io, a free diagramming tool that integrates seamlessly with Office 365.

    Easily import diagrams from Lucidchart to diagrams.net or draw.io with this simple tool.

    Access and integrate Google Drive files with Draw.io using the Google Picker tool for seamless diagram creation.

    Clearing Cached version 29.3.2... OK Update Start App

    confEmbedUpload=For a better editing experience, please use the regular draw.io macro to insert a blank diagram, then from (File menu → Import From → Device...) select the file you want to upload and embed.

    7.2 The Software will initiate transfers of data forming part of the Diagrams (“Diagram Data”) to services supplied by third parties when you expressly request conversion of Diagrams: a. to another supported file format; and b. to PDF format.

    3 way switch,3 way switch wiring,3 way switch wiring diagram pdf,3 way wiring diagram,3way switch wiring diagram,4 prong dryer outlet wiring diagram,4 prong trailer wiring diagram,6 way trailer wiring diagram,7 pin trailer wiring diagram with brakes,7 pin wiring diagram,alternator wiring diagram,amp wiring diagram,automotive lighting,cable harness,chevrolet,diagram,dodge,doorbell wiring diagram,ecobee wiring diagram,electric motor,electrical connector,electrical wiring,electrical wiring diagram,ford,fuse,honeywell thermostat wiring diagram,ignition system,kenwood car stereo wiring diagram,light switch wiring diagram,lighting,motor wiring diagram,nest doorbell wiring diagram,nest hello wiring diagram,nest labs,nest thermostat,nest thermostat wiring diagram,phone connector,pin,pioneer wiring diagram,plug wiring diagram,pump,radio,radio wiring diagram,relay,relay wiring diagram,resistor,rj45 wiring diagram,schematic,semi-trailer truck,sensor,seven pin trailer wiring diagram,speaker wiring diagram,starter wiring diagram,stereo wiring diagram,stereophonic sound,strat wiring diagram,switch,switch wiring diagram,telecaster wiring diagram,thermostat wiring,thermostat wiring diagram,trailer brake controller,trailer plug wiring diagram,trailer wiring diagram,user guide,wire,wire diagram,wiring diagram,wiring diagram 3 way switch,wiring harness

    close