Honda Gl1200 Motorcycle Wiring Diagrams

Honda Gl1200 Motorcycle Wiring Diagrams

  • Category : Wiring Diagrams
  • Post Date : January 22, 2026
Honda Gl1200 Motorcycle Wiring Diagrams 9 out of 10 based on 60 ratings. 50 user reviews.

Honda Gl1200 Motorcycle Wiring Diagrams

Honda Gl1200 Standard Usa Spec Colour Motorcycle Wiring Diagram

1975 Gl 1000 Service Manual

Dan U0026 39 S Motorcycle U0026quot Wiring Diagrams U0026quot

Free Goldwing Parts Manuals

Free Goldwing Parts Manuals

Directory Listing Of Pub Moto Gl

Schema Electrique 1500 Goldwing

1971 Honda Sl70 Technically Its A Thumper And Could Use Some Electrical Help

Wiring Diagrams 911 Honda Cb750c Cb750k And Cb750k

Free Goldwing Parts Manuals

1982 Honda Gl 1100 Gold Wing Pics Specs And Information

Honda Wiring Diagram Symbols

Diagram Honda Hornet 2007 Wiring Diagram Full Version Hd Quality Wiring Diagram

Cafe Racer Forum It

1978 Kz650 Electrical Questions - Kzrider Forum

Honda Gl1200

Caf U00e9 Racer Wiring

Cb400f Wiring Diagram

Evan Fell Motorcycle Works U2013 My Name Is Evan And My Hobby Is Motorcycle Restoration

Wiring Diagram Of Motorcycle Honda Xrm 110

Cb650 Electrical Diagram

18 Best Motorcycle Wiring Diagrams Images On Pinterest

Honda Cd125s Wiring Diagram Vintage Motorbike

Pin By Devante On Ideas For The House

Honda Hardtail Bobber - Brikken En Klassiekers

Honda Gl1100 Goldwing 1980 Standard Us Colour Wiring Loom Diagram

Gl1200 Bobber Modified Wiring Diagram

1976 Gl1000 Neutral Light - Page 2

Honda Rebel 450 Custom

How Does A Starter Solenoid Work On A Motorcycle

Honda Motorcycle 1985 Oem Parts Diagram For Switches Cables Mirrors

Simplified Wiring Diagram For Xs400 Cafe

Wordwind Drawn Motorcycle Wiring Diagrams

A I Wire Harness 86 Gw Aspencade Gw Interstate

1986 Honda Gl1200 Aspencade Goldwing Wiring Diagram

Cb1100f Wiring Diagram

Motorcycle Info Pages

Simplified Wiring Diagram

Basic Sporty Wiring

Kawasaki Zzr1100 D1

Motorcycle Diagrams U2013 Page 26 U2013 Circuit Wiring Diagrams

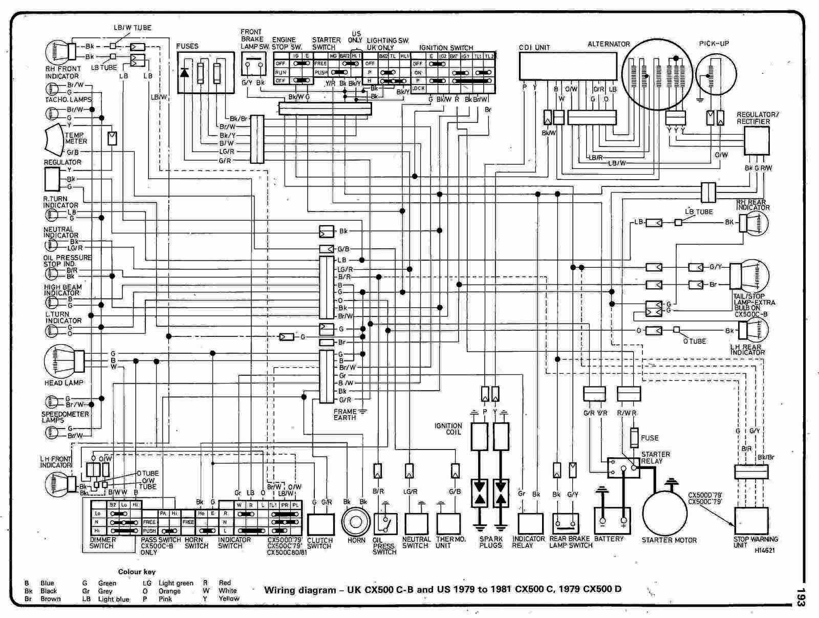
Diagram Honda Gl1200 Motorcycle Wiring Diagrams

  • Download Honda Gl1200 Motorcycle Wiring Diagrams

    draw.io is free online diagram software for making flowcharts, process diagrams, org charts, UML, ER and network diagrams

    Open and edit diagrams online with Draw.io, a free diagram software supporting various formats and diagram types.

    Create a new diagram, or open an existing diagram in your new tab. To create a new diagram, enter a Diagram Name and click the location where you want to save the file.

    Create flowcharts and diagrams online with this easy to use software.

    Easily import diagrams from Lucidchart to diagrams.net or draw.io with this simple tool.

    Create and edit diagrams with draw.io, a free diagramming tool that integrates seamlessly with Office 365.

    Access and integrate Google Drive files with Draw.io using the Google Picker tool for seamless diagram creation.

    Clearing Cached version 29.3.2... OK Update Start App

    7.2 The Software will initiate transfers of data forming part of the Diagrams (“Diagram Data”) to services supplied by third parties when you expressly request conversion of Diagrams: a. to another supported file format; and b. to PDF format.

    Editing the diagram from page view may cause data loss. Please edit the Confluence page first and then edit the diagram. confConfigSpacePerm=Note: If you recently migrated from DC app, please check draw.io Configuration space permissions such that all users can read and only admins can write.

    3 way switch,3 way switch wiring,3 way switch wiring diagram pdf,3 way wiring diagram,3way switch wiring diagram,4 prong dryer outlet wiring diagram,4 prong trailer wiring diagram,6 way trailer wiring diagram,7 pin trailer wiring diagram with brakes,7 pin wiring diagram,alternator wiring diagram,amp wiring diagram,automotive lighting,cable harness,chevrolet,diagram,dodge,doorbell wiring diagram,ecobee wiring diagram,electric motor,electrical connector,electrical wiring,electrical wiring diagram,ford,fuse,honeywell thermostat wiring diagram,ignition system,kenwood car stereo wiring diagram,light switch wiring diagram,lighting,motor wiring diagram,nest doorbell wiring diagram,nest hello wiring diagram,nest labs,nest thermostat,nest thermostat wiring diagram,phone connector,pin,pioneer wiring diagram,plug wiring diagram,pump,radio,radio wiring diagram,relay,relay wiring diagram,resistor,rj45 wiring diagram,schematic,semi-trailer truck,sensor,seven pin trailer wiring diagram,speaker wiring diagram,starter wiring diagram,stereo wiring diagram,stereophonic sound,strat wiring diagram,switch,switch wiring diagram,telecaster wiring diagram,thermostat wiring,thermostat wiring diagram,trailer brake controller,trailer plug wiring diagram,trailer wiring diagram,user guide,wire,wire diagram,wiring diagram,wiring diagram 3 way switch,wiring harness

    close