Harman Kardon Wiring Diagrams

Harman Kardon Wiring Diagrams

  • Category : Wiring Diagrams
  • Post Date : January 22, 2026
Harman Kardon Wiring Diagrams 9 out of 10 based on 60 ratings. 100 user reviews.

Harman Kardon Wiring Diagrams

Harman Kardon Amr6356 Wiring Diagram

Wiring Diagram For The Harman Kardon

Wiring Diagram For The Harman Kardon

Wiring Diagram For The Harman Kardon

Wiring Diagram For The Harman Kardon

Wiring Diagram For The Harman Kardon

Harman Kardon Wire Diagram

How To Connect Harman Kardon Hk395 To Mac

Harman Kardon Sb30 Soundbar

Harman Wiring Diagram

Wiring Diagram For The Harman Kardon

4x4 Icon

The Harman Kardon U2013 Pm640 U2013 Amplifier U2013 Circuit Diagram

Harman Kardon Amr6356 Wiring Diagram

V U0026h Fuelpak 3 U2013 Hijacked Touring Harman Kardon

Harman Kardon Wire Diagram

Harman Kardon Wire Diagram

I Did A Diagnostic On My Harmon Kardon Stereo In My 2007

Harman Kardon Hk250 Corrected Schematic And Restoration

Installing Harman Kardon Into Highline Cars

2004 Chrysler Crossfire Kardon Drive Play 1 For Ipod

Harman Kardon A500 A Couple Of Questions Bugs

Harley Davidson Harmon Kardon Wiring Diagram

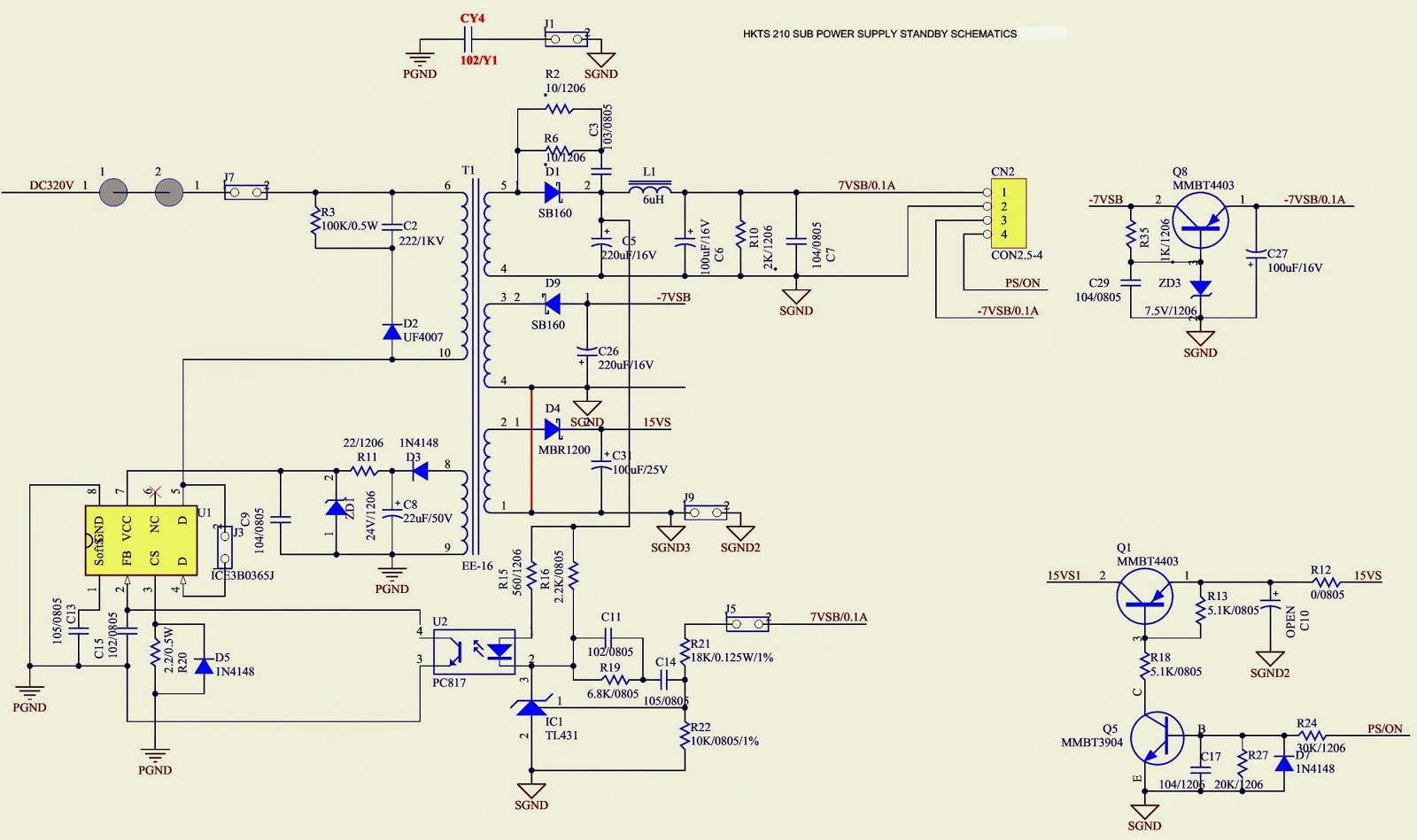
Electro Help Harman Kardon Hkts200

Electro Help Harman-kardon - Citation-16 Series

Inverter 5000w With Pwm Pulse Width Modulator Power

Electro Help Harman Kardon Hkts200

Bmw Harmon Kardon Schematic

Speaker Mount Fab

Harman Kardon Wiring Diagram 2 Pin Plug Questions

Harman Kardon Wiring Diagram Help

R60 Harman Kardon Wiring Diagram Help

Wiring Diagram Harman Kardon Amp - Jaguar Forums

Wiring Diagram Harman Kardon Amp - Jaguar Forums

R60 Harman Kardon Wiring Diagram Help

U0026 39 05 C230k Harmon Kardon - 12 Or 9 Speakers

Harman Kardon Hk Hs 2x0 230

Harmon Kardon Stereo F U0026 39 Ed On Assembly Line

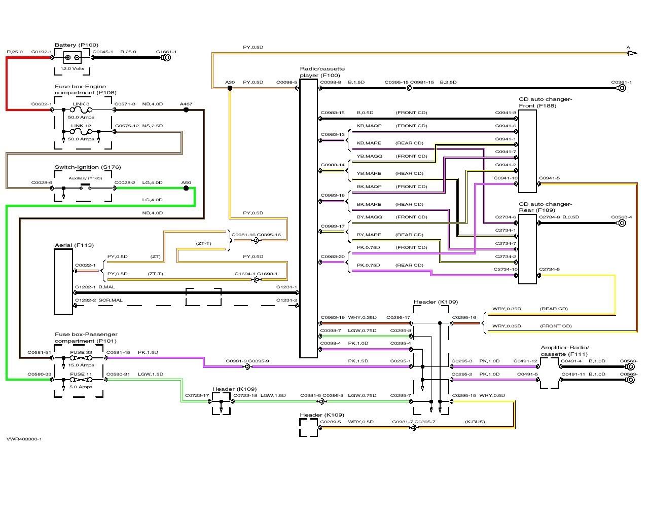
Forum Diagram Harman Kardon Dvd 25 Smps Schematic Wiring

Help With Navigation Harman Kardon Wiring Diagram

Harman Kardon Cxo

2012 Subaru Outback W Harman Kardon No Audio After Install

Hawg Wired Rear Speaker Breakout Wiring Harness For Harman

Harman Kardon Citation Tube Audio Citation I Refurb

Harman Kardon Hk395 Wiring Diagram

Ultimate Harman Kardon Repair Schematics Service Manual

Harman Kardon Car Audio

E46 Harman Kardon Wiring Harness

E46 Harman Kardon Wiring Harness

E46 Harman Kardon Wiring Harness

I Did A Diagnostic On My Harmon Kardon Stereo In My 2007

Mini Cooper Harman Kardon Hs 3897 Car Amplifier

Help With Harmon Kardon A50k

Diagram Harman Kardon Wiring Diagrams

  • Download Harman Kardon Wiring Diagrams

    draw.io is free online diagram software for making flowcharts, process diagrams, org charts, UML, ER and network diagrams

    Open and edit diagrams online with Draw.io, a free diagram software supporting various formats and diagram types.

    Create a new diagram, or open an existing diagram in your new tab. To create a new diagram, enter a Diagram Name and click the location where you want to save the file.

    Create flowcharts and diagrams online with this easy to use software.

    Easily import diagrams from Lucidchart to diagrams.net or draw.io with this simple tool.

    Create and edit diagrams with draw.io, a free diagramming tool that integrates seamlessly with Office 365.

    Access and integrate Google Drive files with Draw.io using the Google Picker tool for seamless diagram creation.

    Clearing Cached version 29.3.2... OK Update Start App

    7.2 The Software will initiate transfers of data forming part of the Diagrams (“Diagram Data”) to services supplied by third parties when you expressly request conversion of Diagrams: a. to another supported file format; and b. to PDF format.

    Editing the diagram from page view may cause data loss. Please edit the Confluence page first and then edit the diagram. confConfigSpacePerm=Note: If you recently migrated from DC app, please check draw.io Configuration space permissions such that all users can read and only admins can write.

    3 way switch,3 way switch wiring,3 way switch wiring diagram pdf,3 way wiring diagram,3way switch wiring diagram,4 prong dryer outlet wiring diagram,4 prong trailer wiring diagram,6 way trailer wiring diagram,7 pin trailer wiring diagram with brakes,7 pin wiring diagram,alternator wiring diagram,amp wiring diagram,automotive lighting,cable harness,chevrolet,diagram,dodge,doorbell wiring diagram,ecobee wiring diagram,electric motor,electrical connector,electrical wiring,electrical wiring diagram,ford,fuse,honeywell thermostat wiring diagram,ignition system,kenwood car stereo wiring diagram,light switch wiring diagram,lighting,motor wiring diagram,nest doorbell wiring diagram,nest hello wiring diagram,nest labs,nest thermostat,nest thermostat wiring diagram,phone connector,pin,pioneer wiring diagram,plug wiring diagram,pump,radio,radio wiring diagram,relay,relay wiring diagram,resistor,rj45 wiring diagram,schematic,semi-trailer truck,sensor,seven pin trailer wiring diagram,speaker wiring diagram,starter wiring diagram,stereo wiring diagram,stereophonic sound,strat wiring diagram,switch,switch wiring diagram,telecaster wiring diagram,thermostat wiring,thermostat wiring diagram,trailer brake controller,trailer plug wiring diagram,trailer wiring diagram,user guide,wire,wire diagram,wiring diagram,wiring diagram 3 way switch,wiring harness

    close