Fjr 1300 Wiring Diagram

Fjr 1300 Wiring Diagram

  • Category : Wiring Diagram
  • Post Date : January 22, 2026
Fjr 1300 Wiring Diagram 9 out of 10 based on 30 ratings. 20 user reviews.

Fjr 1300 Wiring Diagram

Vtx1300c Wiring Diagram Throughout Vtx 1300

Specifications General Specifications

Vtx 1300 Wiring Diagram

Perkins Generator 1300 Series Ecm Wiring Diagram

Vtx 1300 Retro Wiring Diagram

60 Beautiful 2007 Honda Vtx1300c Wiring Diagram Pics

Pryamid 1300

3 Wire 220v Wiring Diagram U2013 Volovets Info

Vtx 1300 Wiring Diagram

Motorcycle Wire Schematics U00ab Bareass Choppers Motorcycle

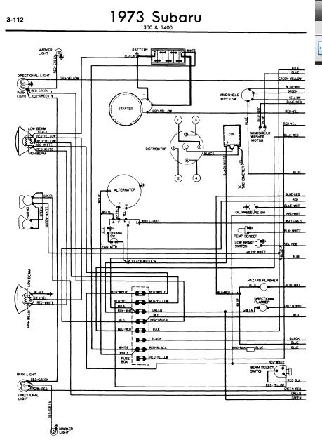
Subaru 1300 1400 1973 Wiring Diagrams

Honda Vtx 1300f

Wiring Schematic For Fuel Shut Off Solenoid 3 Wire Unit

Diagrama Honda Cb1300

Faulty Lighting And Signaling Systems

Honda Vtx 1300 Fuse Box

Honda Vtx 1300 Headlight Wiring Diagram

Motorcycle Wire Schematics U00ab Bareass Choppers Motorcycle

Motorcycle Wire Schematics U00ab Bareass Choppers Motorcycle

Honda St1300 Wiring Diagrams Lights Radio

Vtx 1300 Wiring Diagram

In Urgent Need Of Colour 1300 2001 Wiring Diagram

Vtx 1300 Wiring Diagram

All Tps Wires Show On 12 Volts 2008 Vtx 1800 T

Where To Buy A Replacement Transformer For My Clausing

Perkins Generator 1300 Series Ecm Wiring Diagram

Motorcycle Wire Schematics U00ab Bareass Choppers Motorcycle

Diesel U0026 39 S Honda Pan European St1300 Chronicles Part 1

Diagrama Honda Vtx1300

Honda Vtx1300 Colour Motorcycle Wiring Loom Diagrams

2007 Honda Vtx 1300 Wiring Diagram

Vtx 1300 Wiring Diagram

Lubrication Diagrams - Yamaha Xjr 1300

Kawasaki Z1300 Kz1300 A1 A2 Uk Colour Motorcycle Wiring

Suzuki Gsx1300r Hayabusa 98

Rz350 U2019s Gen Ii Mods Index - Parts And Accessories

Perkins Generator 1300 Series Ecm Wiring Diagram

Lnl 1300e Wiring Diagram

Yamaha Waverunner 650 Wiring Diagram

Perkins Generator 1300 Series Ecm Wiring Diagram

Find Yamaha V Star Vstar 1300 Clymer Service U0026 Repair

Wiring Schematic For Fuel Shut Off Solenoid 3 Wire Unit

Wiring Schematic For Fuel Shut Off Solenoid 3 Wire Unit

Perkins Generator 1300 Series Ecm Wiring Diagram

Vtx 1300 Wiring Diagram

Honda Vtx 1300 Fuse Box

Perkins Generator 1300 Series Ecm Wiring Diagram

Perkins Generator 1300 Series Ecm Wiring Diagram

60 Beautiful 2007 Honda Vtx1300c Wiring Diagram Pics

Perkins Generator 1300 Series Ecm Wiring Diagram

Ford 1300 1500 1700 1900 Tractor Service Manual Repair

Diagram Fjr 1300 Wiring Diagram

  • Download Fjr 1300 Wiring Diagram

    draw.io is free online diagram software for making flowcharts, process diagrams, org charts, UML, ER and network diagrams

    Open and edit diagrams online with Draw.io, a free diagram software supporting various formats and diagram types.

    Create a new diagram, or open an existing diagram in your new tab. To create a new diagram, enter a Diagram Name and click the location where you want to save the file.

    Create flowcharts and diagrams online with this easy to use software.

    Create and edit diagrams with draw.io, a free diagramming tool that integrates seamlessly with Office 365.

    Easily import diagrams from Lucidchart to diagrams.net or draw.io with this simple tool.

    Access and integrate Google Drive files with Draw.io using the Google Picker tool for seamless diagram creation.

    Clearing Cached version 29.3.2... OK Update Start App

    confEmbedUpload=For a better editing experience, please use the regular draw.io macro to insert a blank diagram, then from (File menu → Import From → Device...) select the file you want to upload and embed.

    Editing the diagram from page view may cause data loss. Please edit the Confluence page first and then edit the diagram. confConfigSpacePerm=Note: If you recently migrated from DC app, please check draw.io Configuration space permissions such that all users can read and only admins can write.

    3 way switch,3 way switch wiring,3 way switch wiring diagram pdf,3 way wiring diagram,3way switch wiring diagram,4 prong dryer outlet wiring diagram,4 prong trailer wiring diagram,6 way trailer wiring diagram,7 pin trailer wiring diagram with brakes,7 pin wiring diagram,alternator wiring diagram,amp wiring diagram,automotive lighting,cable harness,chevrolet,diagram,dodge,doorbell wiring diagram,ecobee wiring diagram,electric motor,electrical connector,electrical wiring,electrical wiring diagram,ford,fuse,honeywell thermostat wiring diagram,ignition system,kenwood car stereo wiring diagram,light switch wiring diagram,lighting,motor wiring diagram,nest doorbell wiring diagram,nest hello wiring diagram,nest labs,nest thermostat,nest thermostat wiring diagram,phone connector,pin,pioneer wiring diagram,plug wiring diagram,pump,radio,radio wiring diagram,relay,relay wiring diagram,resistor,rj45 wiring diagram,schematic,semi-trailer truck,sensor,seven pin trailer wiring diagram,speaker wiring diagram,starter wiring diagram,stereo wiring diagram,stereophonic sound,strat wiring diagram,switch,switch wiring diagram,telecaster wiring diagram,thermostat wiring,thermostat wiring diagram,trailer brake controller,trailer plug wiring diagram,trailer wiring diagram,user guide,wire,wire diagram,wiring diagram,wiring diagram 3 way switch,wiring harness

    close