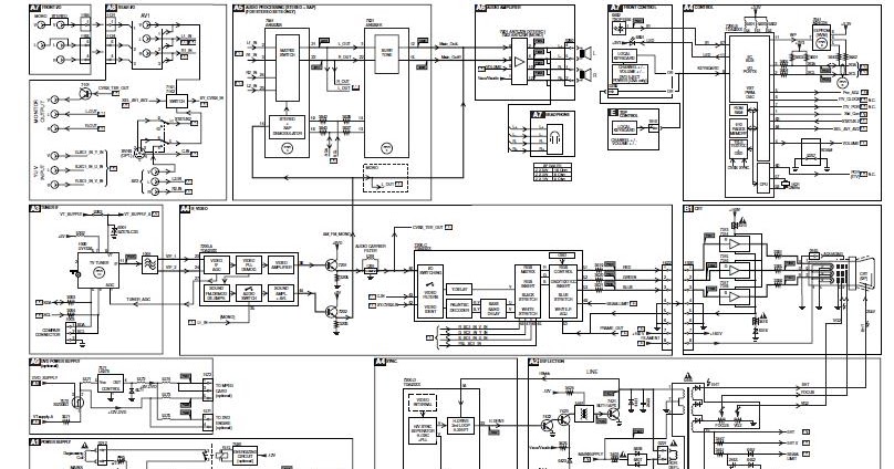
Diagrama Philips Chasis L03 1laa

Diagrama Philips Chasis L03 1laa

  • Category : L03 1laa
  • Post Date : January 22, 2026
Diagrama Philips Chasis L03 1laa 9 out of 10 based on 50 ratings. 30 user reviews.

Diagrama Philips Chasis L03 1laa

B Chasis L03 1laa Diferencia En Diagrama

Reparacion De Tv Philips Chasis L03 1laa

Solucionado Tv Philips 21pt6341 44 Chasis L03 1laa No

Tv Philips 21pt6341 Chasis Sl03 1laa No Enciende

Reparaciones Reparaciones Philips 20pt3331 85r Chasis

B Chasis L03 1laa Diferencia En Diagrama

Philips 14pt4131 14pt3131 20pt333 20pt3331 78r Chassis L03

Reparaciones Reparaciones Philips 29pt5435 85 Chasis L03

Solucionado Ayuda Ttv Philips De 21 U0026quot Modelo 21pt3005 55

Philips Modelo 21pt3005 55 Chassis L03 2l Aa

Solucionado Falla Vertical Tv Philips 21pt6456 44 Chassi

Esquema El U00e9trico Philips 14pt3131

Tv Philips 14 U0026quot Chasis L03 2laa

Tv Color Philips Modelo 21pt6446 Chasis L03 1l

Tv Philips Chassis L03 2laa Se Apaga A Los 5 Segundos

Philips 14pt4131 14pt3131 20pt333 20pt3331 78r Chassis L03

Tv Color Philips Modelo 21pt6446 Chasis L03 1l

L03 1laa Diagrama Tv Philips

Philips 21pt6334 L03 1laa Philips L03 1laa 21pt6334 Pdf

Manual De Servicio Tv Philips 21pt3205 55 Chasis L03 2l Aa

Sin Opci U00d3n De Dvd Soluci U00d3n Ud83d Udcaf Philips Chasis L03 2laa

Reparaciones Reparaciones Philips 20pt3331 85r Chasis

Philips 14 Pt3005 55 Chasis L03 2l Aa

Philips 14 Pt3131 78r Chasis L03 1l Aa

Tv Philips 21pt6341 Chasis Sl03 1laa No Enciende

Tv Color Philips Modelo 21pt6446 Chasis L03 1l

Philips G110 G11 Chassis Repair

Reparaciones Reparaciones Philips 29pt5435 85 Chasis L03

Philips 14 Pt3005 55 Chasis L03 2l Aa

Philips 20pt3331 85r Chassis L03 1l L03 1u Aa Sm Service

L03 1laa

Reparaciones Reparaciones Philips 29pt5435 85 Chasis L03

Reparaciones Reparaciones Philips 20pt3331 85r Chasis

Tv Color Philips Modelo 21pt6446 Chasis L03 1l

Tv Color Philips Modelo 21pt6446 Chasis L03 1l

Philips 14 Pt3131 78r Chasis L03 1l Aa

Philips 14 Pt3005 55 Chasis L03 2l Aa

Tv Philips Chassis L03 2laa Se Apaga A Los 5 Segundos

Philips 14 Pt3131 78r Chasis L03 1l Aa

Tv Philips 21pt6341 Chasis Sl03 1laa No Enciende

Philips 14 Pt3005 55 Chasis L03 2l Aa

Philips 21pt6333 85 Sin Sonido

Diagram Diagrama Philips Chasis L03 1laa

  • Download Diagrama Philips Chasis L03 1laa

    draw.io is free online diagram software for making flowcharts, process diagrams, org charts, UML, ER and network diagrams

    Open and edit diagrams online with Draw.io, a free diagram software supporting various formats and diagram types.

    Create a new diagram, or open an existing diagram in your new tab. To create a new diagram, enter a Diagram Name and click the location where you want to save the file.

    Create flowcharts and diagrams online with this easy to use software.

    Create and edit diagrams with draw.io, a free diagramming tool that integrates seamlessly with Office 365.

    Easily import diagrams from Lucidchart to diagrams.net or draw.io with this simple tool.

    Access and integrate Google Drive files with Draw.io using the Google Picker tool for seamless diagram creation.

    Clearing Cached version 29.3.2... OK Update Start App

    confEmbedUpload=For a better editing experience, please use the regular draw.io macro to insert a blank diagram, then from (File menu → Import From → Device...) select the file you want to upload and embed.

    Editing the diagram from page view may cause data loss. Please edit the Confluence page first and then edit the diagram. confConfigSpacePerm=Note: If you recently migrated from DC app, please check draw.io Configuration space permissions such that all users can read and only admins can write.

    3 way switch,3 way switch wiring,3 way switch wiring diagram pdf,3 way wiring diagram,3way switch wiring diagram,4 prong dryer outlet wiring diagram,4 prong trailer wiring diagram,6 way trailer wiring diagram,7 pin trailer wiring diagram with brakes,7 pin wiring diagram,alternator wiring diagram,amp wiring diagram,automotive lighting,cable harness,chevrolet,diagram,dodge,doorbell wiring diagram,ecobee wiring diagram,electric motor,electrical connector,electrical wiring,electrical wiring diagram,ford,fuse,honeywell thermostat wiring diagram,ignition system,kenwood car stereo wiring diagram,light switch wiring diagram,lighting,motor wiring diagram,nest doorbell wiring diagram,nest hello wiring diagram,nest labs,nest thermostat,nest thermostat wiring diagram,phone connector,pin,pioneer wiring diagram,plug wiring diagram,pump,radio,radio wiring diagram,relay,relay wiring diagram,resistor,rj45 wiring diagram,schematic,semi-trailer truck,sensor,seven pin trailer wiring diagram,speaker wiring diagram,starter wiring diagram,stereo wiring diagram,stereophonic sound,strat wiring diagram,switch,switch wiring diagram,telecaster wiring diagram,thermostat wiring,thermostat wiring diagram,trailer brake controller,trailer plug wiring diagram,trailer wiring diagram,user guide,wire,wire diagram,wiring diagram,wiring diagram 3 way switch,wiring harness

    close