Diagram Pembuatan Hcl

Diagram Pembuatan Hcl

  • Category : Pembuatan Hcl
  • Post Date : January 22, 2026
Diagram Pembuatan Hcl 9 out of 10 based on 100 ratings. 50 user reviews.

Diagram Pembuatan Hcl

Diagram Alir Pembuatan Larutan Hcl U2013 Chemisstory Kimia Punya Cerita

Diagram Alir Pembuatan Dan Pengenceran Larutan

Diagram Alir Pembuatan Dan Pengenceran Larutan

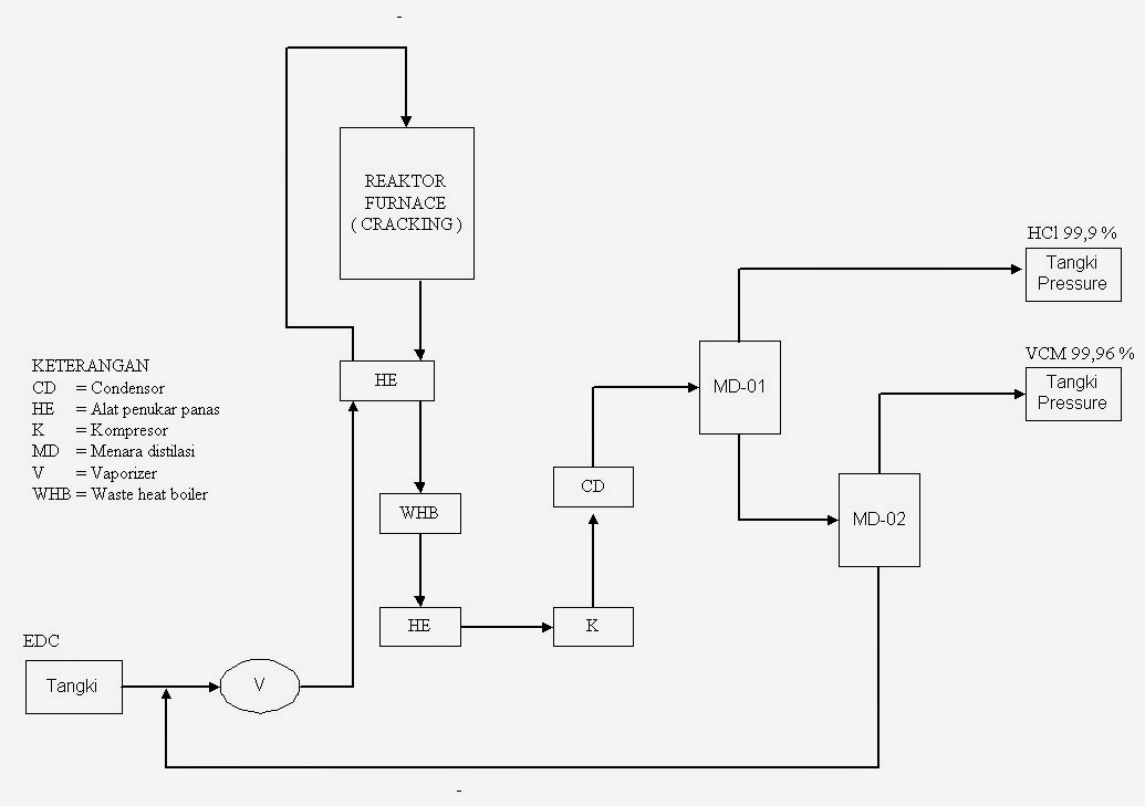
Pembuatan Vinil Klorida

Diagram Alir Pembuatan Naoh U2013 Chemisstory Kimia Punya Cerita

Bab Iv Asidi Alkalimetri

Proses Produksi Hidrogen Peroksida H2o2

Pembahasan Soal Nomor 12 Pada Paket 2014

Proses Produksi Zk Dengan Dekomposisi Kcl Dengan Na2so4

Cara Cepat Menyelesaikan Resep Tanpa U201cdtd U201d U2013 Frdoom Com

Diagram Alir Pembuatan Dan Pengenceran Larutan

Laporan Teknologi Sediaan Steril Pembuatan Injeksi Klorpromazin Hcl

Laporan Teknologi Sediaan Steril Pembuatan Injeksi Klorpromazin Hcl

Pembuatan Natrium Tiosulfat

239861717

Bab I U0026 Ii Budaya K3 Dan Pembuatan Larutan

Sifat U0026 Pembuatan Koloid

Bab Iv Asidi Alkalimetri

Laporan Teknologi Sediaan Steril Pembuatan Injeksi Klorpromazin Hcl

Laporan Kimia Pembuatan Larutan Dan Standarisasinya

Kimia Unsur Unsur Halogen

Cara Pembuatan Larutan Hcl 0 1 N Sebanyak 100 Ml Dari Hcl Pekat Beserta Contohnya

Tata Cara Pengajuan Notifikasi Kosmetik Ke Badan Pom Ri Mudah Murah

Pembuatan Larutan Hcl 0 1n

Sifat U0026 Pembuatan Koloid

Pembuatan Koloid

Sifat U0026 Pembuatan Koloid

Cara Membuat Larutan Hcl 25 Sebanyak 1000 Ml

Pembuatan Larutan Stok Asam Sulfat Dan Asam Klorida

Oryon Cara Membuat Pembersih Porselin Ala Harpic Viksal

301 Moved Permanently

Desain Produk Industri

Kimia Analitik 2014 Armawati

April 2015

Journal Pemanfaatan Glyserol Biodiesel

Pembuatan Sol Agcl

Doc Industri Pembuatan Asam Klorida

Cara Pembuatan Polimer Atau Reaksi Polimerisasi

Sistem Koloid Sma

Laporan Teknologi Sediaan Steril Pembuatan Injeksi Klorpromazin Hcl

Cici Novita Pembuatan Ester Dan Reaksi

Pembuatan Koloid

Prarancangan Pabrik Kimia U00a9 Manufacture Of Vinyl Chloride From Ethylene Dichloride

Pembuatan Etil Asetat

Pembuatan Koloid

Pengawasan Post Market Obat Tradisional Kosmetika Dan Produk Komplem U2026

Kelaskita Com Pembuatan Larutan Dan Standarisasi

Pembuatan Halogen

Power Point Kimia Unsur

Resume Eksperimen Asam Dan Basa

Hidupku Pembuatan Natrium Tiosulfat

Cara Pembuatan Polimer Atau Reaksi Polimerisasi

Cara Pembuatan Asam Karboksilat Sintesis Senyawa Gugus Fungsi Kimia

Laporan Teknologi Sediaan Steril Pembuatan Injeksi Klorpromazin Hcl

Pembuatan Koloid

Cara Membuat Larutan Hcl 25 Sebanyak 1000 Ml

Catetan Kuliah Pembuatan Garam Natrium Tiosulfat

Bab I U0026 Ii Budaya K3 Dan Pembuatan Larutan

Diagram Diagram Pembuatan Hcl

  • Download Diagram Pembuatan Hcl

    draw.io is free online diagram software for making flowcharts, process diagrams, org charts, UML, ER and network diagrams

    Open and edit diagrams online with Draw.io, a free diagram software supporting various formats and diagram types.

    Create a new diagram, or open an existing diagram in your new tab. To create a new diagram, enter a Diagram Name and click the location where you want to save the file.

    Create flowcharts and diagrams online with this easy to use software.

    Create and edit diagrams with draw.io, a free diagramming tool that integrates seamlessly with Office 365.

    Easily import diagrams from Lucidchart to diagrams.net or draw.io with this simple tool.

    Access and integrate Google Drive files with Draw.io using the Google Picker tool for seamless diagram creation.

    Clearing Cached version 29.3.2... OK Update Start App

    confEmbedUpload=For a better editing experience, please use the regular draw.io macro to insert a blank diagram, then from (File menu → Import From → Device...) select the file you want to upload and embed.

    Editing the diagram from page view may cause data loss. Please edit the Confluence page first and then edit the diagram. confConfigSpacePerm=Note: If you recently migrated from DC app, please check draw.io Configuration space permissions such that all users can read and only admins can write.

    3 way switch,3 way switch wiring,3 way switch wiring diagram pdf,3 way wiring diagram,3way switch wiring diagram,4 prong dryer outlet wiring diagram,4 prong trailer wiring diagram,6 way trailer wiring diagram,7 pin trailer wiring diagram with brakes,7 pin wiring diagram,alternator wiring diagram,amp wiring diagram,automotive lighting,cable harness,chevrolet,diagram,dodge,doorbell wiring diagram,ecobee wiring diagram,electric motor,electrical connector,electrical wiring,electrical wiring diagram,ford,fuse,honeywell thermostat wiring diagram,ignition system,kenwood car stereo wiring diagram,light switch wiring diagram,lighting,motor wiring diagram,nest doorbell wiring diagram,nest hello wiring diagram,nest labs,nest thermostat,nest thermostat wiring diagram,phone connector,pin,pioneer wiring diagram,plug wiring diagram,pump,radio,radio wiring diagram,relay,relay wiring diagram,resistor,rj45 wiring diagram,schematic,semi-trailer truck,sensor,seven pin trailer wiring diagram,speaker wiring diagram,starter wiring diagram,stereo wiring diagram,stereophonic sound,strat wiring diagram,switch,switch wiring diagram,telecaster wiring diagram,thermostat wiring,thermostat wiring diagram,trailer brake controller,trailer plug wiring diagram,trailer wiring diagram,user guide,wire,wire diagram,wiring diagram,wiring diagram 3 way switch,wiring harness

    close