Bmw E46 320 D Engine Diagram

Bmw E46 320 D Engine Diagram

  • Category : Engine Diagram
  • Post Date : January 22, 2026
Bmw E46 320 D Engine Diagram 9 out of 10 based on 30 ratings. 20 user reviews.

Bmw E46 320 D Engine Diagram

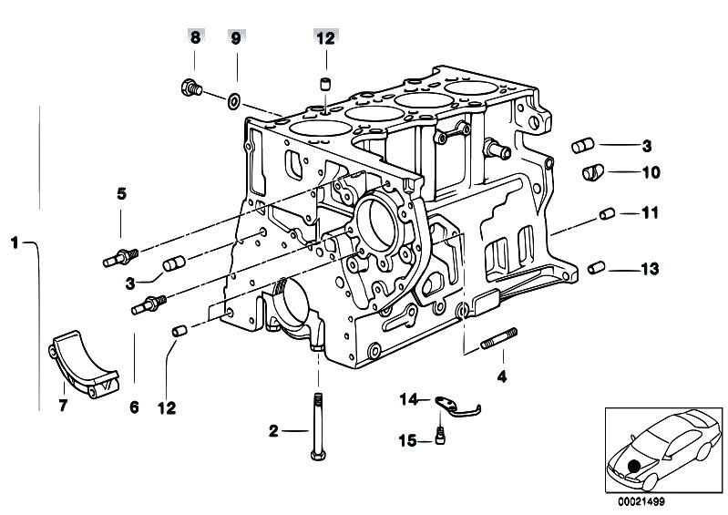
Original Parts For E46 320d M47 Touring Engine Engine

Bmw M44 Engine Diagram

Bmw Serie 3 E46 - Manual De Taller

Original Parts For E46 320d M47 Sedan Engine Lower

Original Parts For E39 520d M47 Sedan Engine Waterpump

Diagram Bmw E46 320 D Engine Diagram

  • Download Bmw E46 320 D Engine Diagram

    Widely regarded as one of the greatest and most influential rappers of all time, he is often credited with popularizing hip hop in Middle America and breaking down racial barriers for the acceptance of white rappers in popular music.

    GALLERY: THANKSGIVING HALFTIME SHOW Eminem joined Jack White on stage for a surprise performance at this year's Detroit Lions'…

    Marshall Bruce Mathers III, better known by his stage name Eminem (stylized as EMINƎM) and by his alter ego Slim Shady, is an American rapper, record producer, songwriter and actor.

    Eminem is an American rapper, record producer, and actor who is known as one of the most controversial and best selling artists of the early 21st century. His best known songs include ‘My Name Is,’ ‘The Real Slim Shady,’ ‘Stan,’ and ‘Lose Yourself.’

    Eminem is a Grammy winning rapper whose songs include “Lose Yourself” and “Love The Way You Lie.” Read about his albums, mom, ex wife, daughters, and more.

    At the age of 14, he began to get very serious about his rapping but it wasn't until he was 17 that he actually made a name for himself, becoming M&M, which he would later respell as "Eminem".

    Eminem is one of the most talented and controversial wordsmiths in hip hop history, and has left an enormous imprint on American pop culture.

    Bruno Mars is No.1 on the Genius chart, but Eminem holds two spots in the Top 10 with Lose Yourself and Mockingbird. He never leaves the conversation.

    Eminem's first ever song to enter the Billboard Hot 100 was "My Name Is", which was released in 1999 and became the most successful single from The Slim Shady LP. Along with "Guilty Conscience", it reached the top 5 in the UK.

    Marshall Bruce Mathers III (born October 17, 1972)—otherwise known as Eminem—is a legendary hip hop icon who started as an underground battle rapper in Detroit, Michigan. He developed a career...

    3 way switch,3 way switch wiring,3 way switch wiring diagram pdf,3 way wiring diagram,3way switch wiring diagram,4 prong dryer outlet wiring diagram,4 prong trailer wiring diagram,6 way trailer wiring diagram,7 pin trailer wiring diagram with brakes,7 pin wiring diagram,alternator wiring diagram,amp wiring diagram,automotive lighting,cable harness,chevrolet,diagram,dodge,doorbell wiring diagram,ecobee wiring diagram,electric motor,electrical connector,electrical wiring,electrical wiring diagram,ford,fuse,honeywell thermostat wiring diagram,ignition system,kenwood car stereo wiring diagram,light switch wiring diagram,lighting,motor wiring diagram,nest doorbell wiring diagram,nest hello wiring diagram,nest labs,nest thermostat,nest thermostat wiring diagram,phone connector,pin,pioneer wiring diagram,plug wiring diagram,pump,radio,radio wiring diagram,relay,relay wiring diagram,resistor,rj45 wiring diagram,schematic,semi-trailer truck,sensor,seven pin trailer wiring diagram,speaker wiring diagram,starter wiring diagram,stereo wiring diagram,stereophonic sound,strat wiring diagram,switch,switch wiring diagram,telecaster wiring diagram,thermostat wiring,thermostat wiring diagram,trailer brake controller,trailer plug wiring diagram,trailer wiring diagram,user guide,wire,wire diagram,wiring diagram,wiring diagram 3 way switch,wiring harness

    close