Bmw 118d Engine Diagram

Bmw 118d Engine Diagram

  • Category : Engine Diagram
  • Post Date : January 22, 2026
Bmw 118d Engine Diagram 9 out of 10 based on 40 ratings. 10 user reviews.

Bmw 118d Engine Diagram

Original Parts For E88 118d N47 Cabrio Engine Intake Manifold Agr Without Flap Control

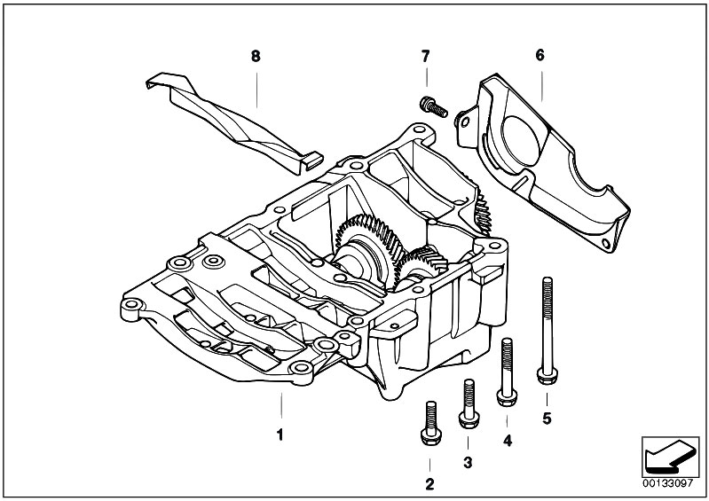
Original Parts For E87 118d M47n2 5 Doors Engine Cylinder Head Attached Parts

Original Parts For E87 118d M47n2 5 Doors Vehicle Trim Sound Insulating Front

Original Parts For E87 118d M47n2 5 Doors Bodywork Engine Hood Mounting Parts

Original Parts For E46 320d M47n Touring Engine Crankshaft Drive Mass Compensator

Original Parts For E46 330d M57 Touring Engine Timing Timing Chain Lower P

Original Parts For E91 318d M47n2 Touring Engine Intake Manifold Agr Without Flap Control 2

Original Parts For E46 320i M54 Sedan Engine Lubrication System Oil Filter

Original Parts For E91n 316i N43 Touring Engine Lubrication System Oil Pump Drive

Original Parts For E60n 520d N47 Sedan Engine Engine Acoustics

Original Parts For E60 M5 S85 Sedan Engine Timing Gear Timing Chain Cyl 1 5

Original Parts For E83n X3 2 0d N47 Sav Engine Crankshaft Drive Mass Compensator

Original Parts For E36 320i M50 Sedan Engine Belt Drive Water Pump Alternator 3

Original Parts For E87 120d M47n2 5 Doors Fuel Preparation System Mass Air Flow Sensor Intake

Original Parts For E39 520d M47 Sedan Engine Timing Gear Timing Chain Top

Original Parts For E38 750ilp M73n Sedan Engine Cooling System Water Hoses

Original Parts For E60n 520d N47 Sedan Engine Electrical System Glow Plug Unit

Original Parts For E71 X6 35ix N54 Sac Engine Timing And Valve Train Timing Chain

Original Parts For E46 330d M57 Touring Heater And Air Conditioning Water Hoses Water Valve

Original Parts For E46 M3 S54 Coupe Engine Timing And Valve Train Timing Chain

Original Parts For E83 X3 3 0d M57n Sav Engine Timing Gear Timing Chain Top

Genuine Bmw E87 E90 E90n E91 E91n E92 E93 Alternator Pulley Oem 12317792020

Oem V

Original Parts For E30 324d M21 4 Doors Engine Electrical System Glow Plug Unit Temp Sensor

Original Parts For F01 730d N57 Sedan Engine Belt Drive For Air Cond Power Steering

Original Parts For E88 118d N47 Cabrio Engine Electrical System Cable Holder

Service Engine Soon Code 29f5 Cat Issue

Original Parts For E60 535d M57n Sedan Engine Belt Drive Climate Compressor

Genuine Bmw E60n E61n E81 X1 E84 Timing Chain Gaskets Repair Kit 11312365578

58 Timing Chain Bmw 1 Series Timing Chain Kit Bmw 1 Series Coupe 123d E82 20l 201

Belt Drive F Power Steering Pump

How To- Replace The Egr Valve On A N47 Engine

The Amazo Effect The Cutaway Diagram Files

Bmw N47 Timing Chain Recall Cadillac

Bmw 1 E81 E82 E87 E88 2004 - 2013 - Fuse Box Diagram

Briggs And Stratton 124t02

Engine Wont Turn Over Clicks

2010 Bmw Series 5 Fuse Box Diagram 1 Of 130 I - Bmwcase

Timing Chain Kit Bmw 3 Series Hatchback 316i Compact E36 1 Timing Chain Bmw 1 Series

E92 M3 Fuse Box Autos Weblog Bmw 1 Series Diagram - Bmwcase

Bmw E90 Drive Belt Replacement

Fuse Box Diagram U0026gt Bmw 1 F21 2012

Deroure Ltd

Im Having A Fuel Pressure Drop Fault On Fuel Rail On A 57 Plate 320d Bmw If I Bleed The System

Fuse Box Diagram U0026gt Bmw 1 F21 2012

Serpentine Belt A C Belt

Home Bmw E36 M3 Fuse Box Relay Layout 318i Warning Symbols List - Bmwcase

Genuine Bmw E46 E53 E60 E60n Crankshaft Position Sensor Cps Oem 13627809334

Ford 1720 Tractor Wiring Diagram

Bmw N55 Engine Workshop Repair Service Manual

Original Parts For E70 X5 3 0si N52n Sav Engine Belt Drive Alternator Ac Power Steering 2

Fuse Box Bmw 1 2004

2010 Bmw Series 5 Fuse Box Diagram 1 Of 130 I - Bmwcase

Bmw Fuse Box Diagram Icons Car Galleries 1 Series - Bmwcase

Tuning For Bmw 118d 150hp 2015

Im Having A Fuel Pressure Drop Fault On Fuel Rail On A 57 Plate 320d Bmw If I Bleed The System

Bmw 1 Series Workshop Repair Manual

Bmw High Pressure Fuel Pump Replacement

Another Look Insight Even Fancier

Diagram Bmw 118d Engine Diagram

  • Download Bmw 118d Engine Diagram

    draw.io is free online diagram software for making flowcharts, process diagrams, org charts, UML, ER and network diagrams

    Open and edit diagrams online with Draw.io, a free diagram software supporting various formats and diagram types.

    Create a new diagram, or open an existing diagram in your new tab. To create a new diagram, enter a Diagram Name and click the location where you want to save the file.

    Create flowcharts and diagrams online with this easy to use software.

    Create and edit diagrams with draw.io, a free diagramming tool that integrates seamlessly with Office 365.

    Easily import diagrams from Lucidchart to diagrams.net or draw.io with this simple tool.

    Access and integrate Google Drive files with Draw.io using the Google Picker tool for seamless diagram creation.

    Clearing Cached version 29.3.2... OK Update Start App

    confEmbedUpload=For a better editing experience, please use the regular draw.io macro to insert a blank diagram, then from (File menu → Import From → Device...) select the file you want to upload and embed.

    Editing the diagram from page view may cause data loss. Please edit the Confluence page first and then edit the diagram. confConfigSpacePerm=Note: If you recently migrated from DC app, please check draw.io Configuration space permissions such that all users can read and only admins can write.

    3 way switch,3 way switch wiring,3 way switch wiring diagram pdf,3 way wiring diagram,3way switch wiring diagram,4 prong dryer outlet wiring diagram,4 prong trailer wiring diagram,6 way trailer wiring diagram,7 pin trailer wiring diagram with brakes,7 pin wiring diagram,alternator wiring diagram,amp wiring diagram,automotive lighting,cable harness,chevrolet,diagram,dodge,doorbell wiring diagram,ecobee wiring diagram,electric motor,electrical connector,electrical wiring,electrical wiring diagram,ford,fuse,honeywell thermostat wiring diagram,ignition system,kenwood car stereo wiring diagram,light switch wiring diagram,lighting,motor wiring diagram,nest doorbell wiring diagram,nest hello wiring diagram,nest labs,nest thermostat,nest thermostat wiring diagram,phone connector,pin,pioneer wiring diagram,plug wiring diagram,pump,radio,radio wiring diagram,relay,relay wiring diagram,resistor,rj45 wiring diagram,schematic,semi-trailer truck,sensor,seven pin trailer wiring diagram,speaker wiring diagram,starter wiring diagram,stereo wiring diagram,stereophonic sound,strat wiring diagram,switch,switch wiring diagram,telecaster wiring diagram,thermostat wiring,thermostat wiring diagram,trailer brake controller,trailer plug wiring diagram,trailer wiring diagram,user guide,wire,wire diagram,wiring diagram,wiring diagram 3 way switch,wiring harness

    close