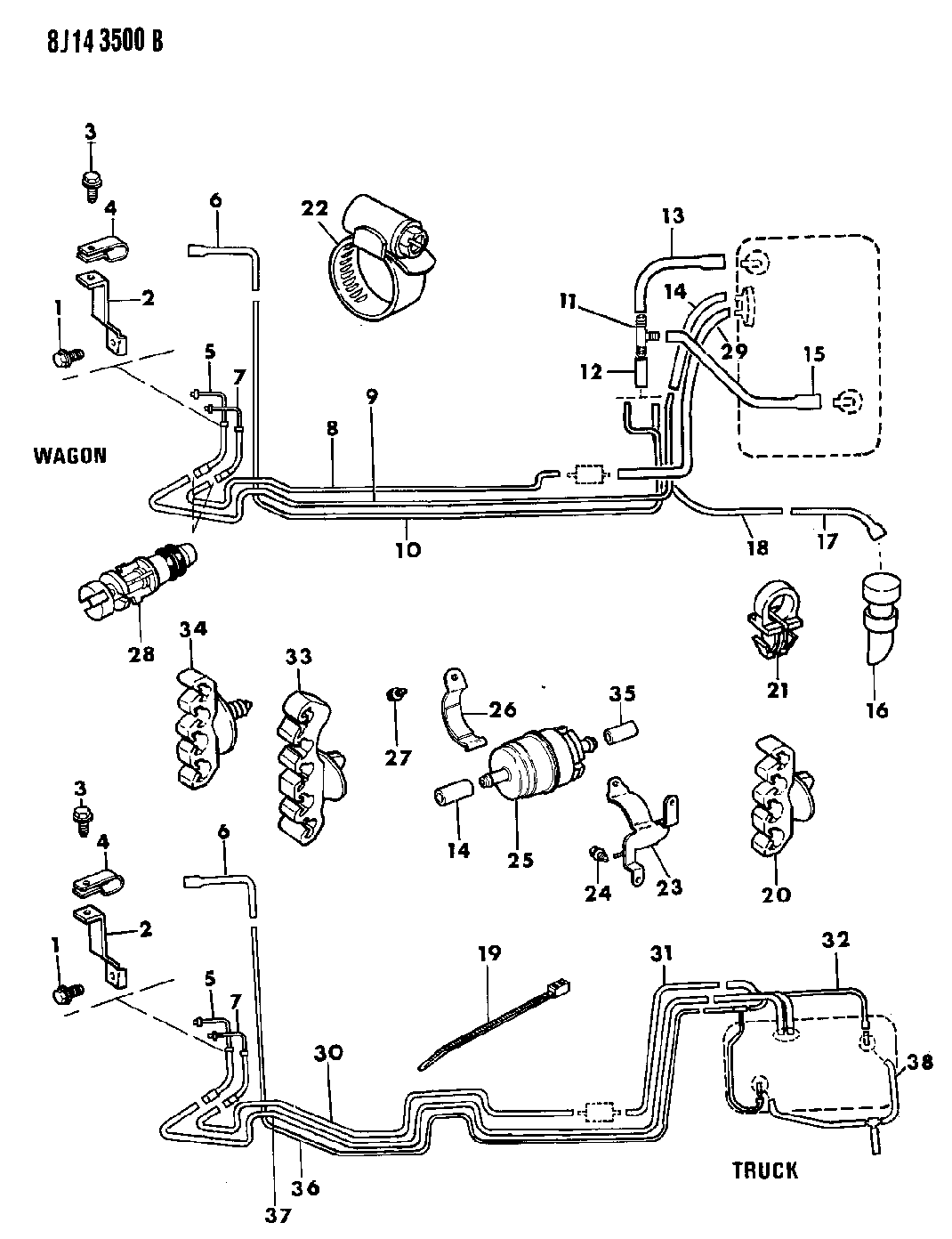
98 Jeep Fuel System Diagram

98 Jeep Fuel System Diagram

  • Category : System Diagram
  • Post Date : January 22, 2026
98 Jeep Fuel System Diagram 9 out of 10 based on 40 ratings. 20 user reviews.

98 Jeep Fuel System Diagram

Jeep Yj Fuel System Diagram

1987

Jeep Grand Cherokee Zj Fuel Parts

Parts Com U00ae

Parts Com U00ae

Fuel Check Valve

Parts Com U00ae

2014 Jeep Wrangler Fuel Line

53030001

1997 Jeep Grand Cherokee Vacuum Hose Diagram

Parts Com U00ae

34202371

Parts Com U00ae

Parts Com U00ae

2007 Jeep Grand Cherokee Engine Diagram

Tj Wrangler Fuel Parts

Jeep Chrysler Oem 87

I Have A Jeep 2003 Liberty I Smell A Strong Oder Of Gas Fumes Near The Rear Of The Vehicle

Xj Cherokee Fuel Parts

Fuel Cell Question

Jeep Wrangler Jk Fuel Parts

52059587ad

1997 Jeep Wrangler Fuel System Diagram Pictures To Pin On Pinterest

95 Yj Fuel Line Leak

Repair Guides

Cant Gas Up Without Overflowing

Fuel Injection System - Tbi 1984

Willys Jeep Parts Diagrams U0026 Illustrations From Midwest Jeep Willys

Fuel System Parts For Cherokee Xj

Fuel System Parts For Wrangler Yj

96 Jeep Grand Cherokee No Spark Or Power To Fuel Pump

Cj7 Fuel System Diagram

Interactive Diagram

Hard Starting 1998 Jeep Grand Cherokee 5 9

Fuel System Parts For Wrangler Tj

2000 Jeep Cherokee Engine Diagram

68064249aa

Exhaust Emission Systems For Jeep Cj U0026 39 S U0026 Wagoneer Sj

1986 Jeep Wagoneer Fuel Line

92 Jeep Wrangler Fuel System Diagram

Jeep Cherokee Fuel Injection

1978

859978d1385074303t

Fuel Pump For 1986 Jeep Comanche

Diagram 1997 Honda Civic Exhaust System U2022 Downloaddescargar Com

I Have A 91 Wrangler 4 0 That Starts And Then Cuts Out

Diagram 98 Jeep Fuel System Diagram

  • Download 98 Jeep Fuel System Diagram

    draw.io is free online diagram software for making flowcharts, process diagrams, org charts, UML, ER and network diagrams

    Open and edit diagrams online with Draw.io, a free diagram software supporting various formats and diagram types.

    Create a new diagram, or open an existing diagram in your new tab. To create a new diagram, enter a Diagram Name and click the location where you want to save the file.

    Create flowcharts and diagrams online with this easy to use software.

    Easily import diagrams from Lucidchart to diagrams.net or draw.io with this simple tool.

    Create and edit diagrams with draw.io, a free diagramming tool that integrates seamlessly with Office 365.

    Access and integrate Google Drive files with Draw.io using the Google Picker tool for seamless diagram creation.

    Clearing Cached version 29.3.2... OK Update Start App

    7.2 The Software will initiate transfers of data forming part of the Diagrams (“Diagram Data”) to services supplied by third parties when you expressly request conversion of Diagrams: a. to another supported file format; and b. to PDF format.

    Editing the diagram from page view may cause data loss. Please edit the Confluence page first and then edit the diagram. confConfigSpacePerm=Note: If you recently migrated from DC app, please check draw.io Configuration space permissions such that all users can read and only admins can write.

    3 way switch,3 way switch wiring,3 way switch wiring diagram pdf,3 way wiring diagram,3way switch wiring diagram,4 prong dryer outlet wiring diagram,4 prong trailer wiring diagram,6 way trailer wiring diagram,7 pin trailer wiring diagram with brakes,7 pin wiring diagram,alternator wiring diagram,amp wiring diagram,automotive lighting,cable harness,chevrolet,diagram,dodge,doorbell wiring diagram,ecobee wiring diagram,electric motor,electrical connector,electrical wiring,electrical wiring diagram,ford,fuse,honeywell thermostat wiring diagram,ignition system,kenwood car stereo wiring diagram,light switch wiring diagram,lighting,motor wiring diagram,nest doorbell wiring diagram,nest hello wiring diagram,nest labs,nest thermostat,nest thermostat wiring diagram,phone connector,pin,pioneer wiring diagram,plug wiring diagram,pump,radio,radio wiring diagram,relay,relay wiring diagram,resistor,rj45 wiring diagram,schematic,semi-trailer truck,sensor,seven pin trailer wiring diagram,speaker wiring diagram,starter wiring diagram,stereo wiring diagram,stereophonic sound,strat wiring diagram,switch,switch wiring diagram,telecaster wiring diagram,thermostat wiring,thermostat wiring diagram,trailer brake controller,trailer plug wiring diagram,trailer wiring diagram,user guide,wire,wire diagram,wiring diagram,wiring diagram 3 way switch,wiring harness

    close