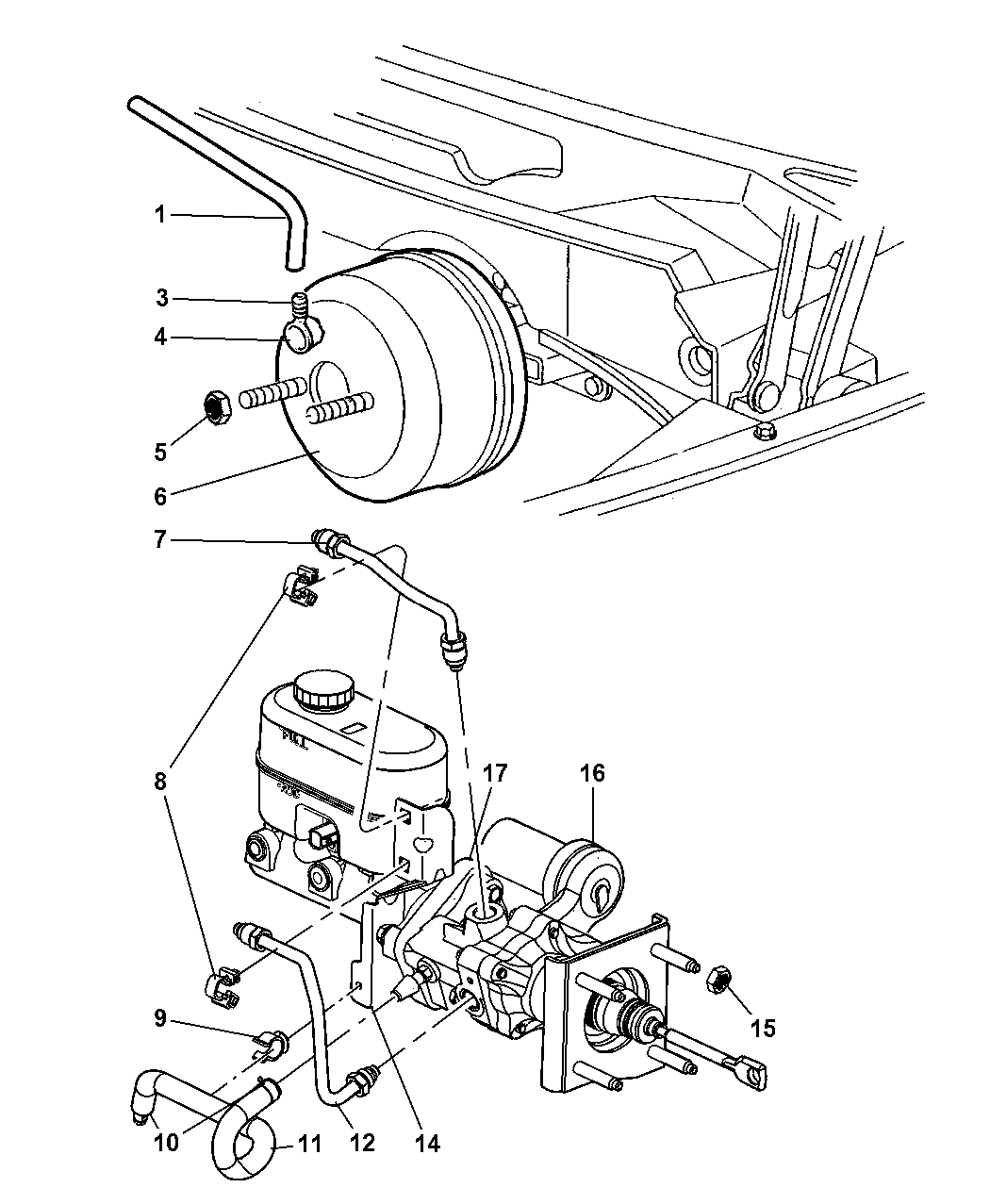
95 Dodge Ram Vacuum Line Diagram

95 Dodge Ram Vacuum Line Diagram

  • Category : Line Diagram
  • Post Date : January 22, 2026
95 Dodge Ram Vacuum Line Diagram 9 out of 10 based on 80 ratings. 80 user reviews.

95 Dodge Ram Vacuum Line Diagram

2002 Dodge Stratus Sedan V6 2 7l Just Bought A Vacuum

Regarding A 1997 Dodge Ram 1500 4wd Automatic 5 9 L I

4x4 Vacuum Line

Dodge Ram 2500 Questions

I Have A 1988 Dodge Ram 50 With A 2 6 Mitsubishi Engine

Vacuum Lines 4x4 What The Heck Help

Last Year I Started Working On A 96 Dodge Dakota 3 9 V6

Can You Give Me A Diagram On How To Replace The Bypass

Vacuum Lines Update Look My Pics

Vacuum Lines 4x4 What The Heck Help

Auto Locking Hubs To Manual

5179891ac

4 Hole Rubber Vacuum Connector T Case

Dr Fuel Filter Regulator Pump

Diagram 95 Dodge Ram Vacuum Line Diagram

  • Download 95 Dodge Ram Vacuum Line Diagram

    PNC offers a wide range of services for all our customers, from individuals and small businesses, to corporations and government entities. No matter how simple or complicated your needs, we're sure to have the products, knowledge and resources necessary for financial success.

    PNC Bank offers a wide range of personal banking services including checking and savings accounts, credit cards, mortgage loans, auto loans and much more.

    Manage your cards – View and manage your PNC credit, debit and SmartAccess® cards and make in store payments with PNC Pay right from the app. Lock your cards – Easily lock or unlock your PNC...

    Enter your user ID to sign into the PNC online banking website.

    PNC can help make it easier to manage your money with our financial tools and technology with our online and mobile banking solutions.

    It looks like you're experiencing problems logging in. You can try to fix this a few different ways. Log in through the PNC Mobile app Use a different browser or device Enable popups on your browser Don't use a VPN when you visit PNC websites Type in your User ID and password Clear your browser's cache or cookies

    Important Legal Disclosures & Information Partner ATMs are not owned by PNC and may be limited to cash withdrawal functionality.

    It looks like you're experiencing problems logging in. You can try to fix this a few different ways. Log in through the PNC Mobile app Use a different browser or device Enable popups on your browser Don't use a VPN when you visit PNC websites Type in your User ID and password Clear your browser's cache or cookies

    PNC Retail Banking

    PNC offers a wide range of services for all our customers, from individuals and small businesses, to corporations and government entities. No matter how simple or complicated your needs, we're sure to have the products, knowledge and resources necessary for financial success.

    3 way switch,3 way switch wiring,3 way switch wiring diagram pdf,3 way wiring diagram,3way switch wiring diagram,4 prong dryer outlet wiring diagram,4 prong trailer wiring diagram,6 way trailer wiring diagram,7 pin trailer wiring diagram with brakes,7 pin wiring diagram,alternator wiring diagram,amp wiring diagram,automotive lighting,cable harness,chevrolet,diagram,dodge,doorbell wiring diagram,ecobee wiring diagram,electric motor,electrical connector,electrical wiring,electrical wiring diagram,ford,fuse,honeywell thermostat wiring diagram,ignition system,kenwood car stereo wiring diagram,light switch wiring diagram,lighting,motor wiring diagram,nest doorbell wiring diagram,nest hello wiring diagram,nest labs,nest thermostat,nest thermostat wiring diagram,phone connector,pin,pioneer wiring diagram,plug wiring diagram,pump,radio,radio wiring diagram,relay,relay wiring diagram,resistor,rj45 wiring diagram,schematic,semi-trailer truck,sensor,seven pin trailer wiring diagram,speaker wiring diagram,starter wiring diagram,stereo wiring diagram,stereophonic sound,strat wiring diagram,switch,switch wiring diagram,telecaster wiring diagram,thermostat wiring,thermostat wiring diagram,trailer brake controller,trailer plug wiring diagram,trailer wiring diagram,user guide,wire,wire diagram,wiring diagram,wiring diagram 3 way switch,wiring harness

    close