89 Trans Am Wiring Diagram

89 Trans Am Wiring Diagram

  • Category : Wiring Diagram
  • Post Date : January 22, 2026
89 Trans Am Wiring Diagram 9 out of 10 based on 20 ratings. 10 user reviews.

89 Trans Am Wiring Diagram

01 Trans Am Wiring Schematic

01 Trans Am Wiring Schematic - Ls1tech

01 Trans Am Wiring Schematic - Ls1tech

01 Trans Am Wiring Schematic - Ls1tech

82 Trans Am Transmission Wiring Question Anyone Have A

88 Trans

88 Trans

I Have A 1987 Pontiac Trans Am With 35k Miles On It

82 Trans Am Transmission Wiring Question Anyone Have A

1979 Trans Am Wiring Diagram

No Lights 82 Trans Am

98 Trans Am Ls1 My Trans Am U0026 39 S Headlight Wont Raise When I

01 Trans Am Wiring Schematic - Ls1tech

2000 Trans Am Ws6 Automatic Trans

I Have A 1994 Trans Am With Ac Not Working I Have

1978 Trans Am Carb Ls2 Alternator Wiring Question

1978 Trans Am Wiring Diagram

I Have A 1997 Trans Am Ws6 And Both Of My Cooling Fans

Trans Am Wiring Harness Technical Pdf For 1980 Trans Am

What Are These Wires In My Console 82 Trans Am

Trans Am Wiring Diagram

1985 Trans Am Wiring Diagram Electric Fan

Im Restoring A 79 Trans Am And The Turn Signals Will Not Work

Do Have Have A Engine Wiring Harness Diagram For 1976 Trans Am

1974 Pontiac Trans Am Transmission

Need Wiring Diagram For 1986 Trans Am Rear Deck Lid

1998 Trans Am Pcm Diagram Help - Ls1tech

1972 Trans Am Wiring Diagram

1972 Trans Am Wiring Diagram

A C Wiring Diagram And A C Blower How

78 Ac Clutch Issues

1972 Trans Am Wiring Diagram

Wrg

If You Ever Find Yourself Owning A 1981 Trans Am

1970 All Makes All Models Parts

1983 Trans Am C100 Diagram And Instrument Panel Pinouts

Turn Signals Dont Work The 4 Way Work I Changed The Turn

1972 Trans Am Wiring Diagram

2010 Camaro Schematics

1979 Trans Am Wiring Diagram

1979 Trans Am Wiring Diagram

I Have A 1980 Pontiac Firebird Formula That Had A 301cid

Need Wiring Diagram For C207 And C221 85 Trans Am Tpi

2002 Pontiac Trans Am Sometimes The Car Will Not Start

1979 Trans Am Wiring Diagram

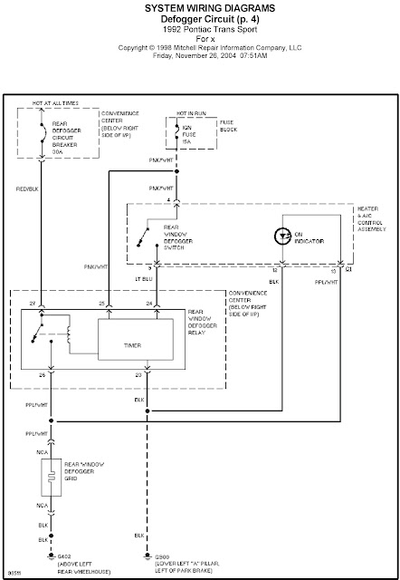
1992 Pontiac Trans Sport Defogger Circuit System Wiring

Trans Am Headlight Wiring Probably Simple But Strange

Diagram 89 Trans Am Wiring Diagram

  • Download 89 Trans Am Wiring Diagram

    draw.io is free online diagram software for making flowcharts, process diagrams, org charts, UML, ER and network diagrams

    Open and edit diagrams online with Draw.io, a free diagram software supporting various formats and diagram types.

    Create a new diagram, or open an existing diagram in your new tab. To create a new diagram, enter a Diagram Name and click the location where you want to save the file.

    Create flowcharts and diagrams online with this easy to use software.

    Easily import diagrams from Lucidchart to diagrams.net or draw.io with this simple tool.

    Create and edit diagrams with draw.io, a free diagramming tool that integrates seamlessly with Office 365.

    Access and integrate Google Drive files with Draw.io using the Google Picker tool for seamless diagram creation.

    Clearing Cached version 29.3.2... OK Update Start App

    7.2 The Software will initiate transfers of data forming part of the Diagrams (“Diagram Data”) to services supplied by third parties when you expressly request conversion of Diagrams: a. to another supported file format; and b. to PDF format.

    Editing the diagram from page view may cause data loss. Please edit the Confluence page first and then edit the diagram. confConfigSpacePerm=Note: If you recently migrated from DC app, please check draw.io Configuration space permissions such that all users can read and only admins can write.

    3 way switch,3 way switch wiring,3 way switch wiring diagram pdf,3 way wiring diagram,3way switch wiring diagram,4 prong dryer outlet wiring diagram,4 prong trailer wiring diagram,6 way trailer wiring diagram,7 pin trailer wiring diagram with brakes,7 pin wiring diagram,alternator wiring diagram,amp wiring diagram,automotive lighting,cable harness,chevrolet,diagram,dodge,doorbell wiring diagram,ecobee wiring diagram,electric motor,electrical connector,electrical wiring,electrical wiring diagram,ford,fuse,honeywell thermostat wiring diagram,ignition system,kenwood car stereo wiring diagram,light switch wiring diagram,lighting,motor wiring diagram,nest doorbell wiring diagram,nest hello wiring diagram,nest labs,nest thermostat,nest thermostat wiring diagram,phone connector,pin,pioneer wiring diagram,plug wiring diagram,pump,radio,radio wiring diagram,relay,relay wiring diagram,resistor,rj45 wiring diagram,schematic,semi-trailer truck,sensor,seven pin trailer wiring diagram,speaker wiring diagram,starter wiring diagram,stereo wiring diagram,stereophonic sound,strat wiring diagram,switch,switch wiring diagram,telecaster wiring diagram,thermostat wiring,thermostat wiring diagram,trailer brake controller,trailer plug wiring diagram,trailer wiring diagram,user guide,wire,wire diagram,wiring diagram,wiring diagram 3 way switch,wiring harness

    close