86 Venture Wiring Diagram

86 Venture Wiring Diagram

  • Category : Wiring Diagram
  • Post Date : January 22, 2026
86 Venture Wiring Diagram 9 out of 10 based on 100 ratings. 100 user reviews.

86 Venture Wiring Diagram

2002 Chevy Venture Wiring Diagrams

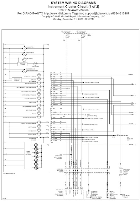
1997 Chevrolet Venture Instrument Cluster Circuit System

2002 Chevy Venture Wiring Diagrams

2002 Chevy Venture Wiring Diagrams

2001 Chevy Venture Wiring Diagram 33 Wiring Diagram

2000 Chevrolet Venture Wiring Diagram

I Need The Wiring Diagram For A Chevy 2002 Venture Problem

Radio Wiring Diagram Electrical Problem 2000 Chevy

Radio Wiring Diagram Electrical Problem 2000 Chevy

I Need A Headlight Wiring Diagram For The 04 Chevy Venture

I Have A Chevrolet Venture Van 2002 That Has An Electical

1997 Chevrolet Venture Instrument Cluster Circuit System

Trailer Wiring Harness Diagram

I Need A Headlight Wiring Diagram For The 04 Chevy Venture

2004 Chevy Venture Wiring Diagram - Gooddy

I Am Looking For A Wiring Diagram For A 2003 Chevy Venture

Nothing Found For 04 Chevy Venture Turn Signal Wiring Diagram

Chevy Venture Wiring Diagrams

No A C 2002 Chevy Venture Compressor Clutch Not Engaging

Chevy Venture 2004 Do Not Have Auto Headlights Dash

2001 Chevy Venture Wiring Diagram 33 Wiring Diagram

2001 Chevy Venture Wiring Diagram 33 Wiring Diagram

My Turn Signal On My 2004 Chevy Venture Does Not Work

I Have A 1997 Venture And The Electric Cooling Fans Come

2011 Mazda 3 Wiring Harness Diagram

My 2000 Chevy Venture Van Won U0026 39 T Start It Acts Like It

The Venturers

Wiring Diagrams

I Need A Wiring Schematic From The Chassis To The Fuel

Chevrolet Venture 2000 U2013 Fuse Box Diagram

2003 Chevy Impala Fuel Pump Wiring Diagram

04 Chevy Venture Turn Signal Wiring Diagram

2002 Chevy Venture Wiring Diagrams

2002 Chevy Venture Engine Wiring Diagram

Chevrolet Venture 2004 Electrical Circuit Wiring Diagram

1999 Starcraft Venture Dome Light Wiring Diagram

Index Of Temp Venture

2004 Chevy Venture Wiring Diagram

Chevy Venture 2004 Do Not Have Auto Headlights Dash

I Have A 2005 Chevy Venture Van And It Is Locking Somtimes

I U0026 39 Ve Got A 2000 Chevy Venture It U0026 39 S A No Start No Crank

Diagram 86 Venture Wiring Diagram

  • Download 86 Venture Wiring Diagram

    draw.io is free online diagram software for making flowcharts, process diagrams, org charts, UML, ER and network diagrams

    Open and edit diagrams online with Draw.io, a free diagram software supporting various formats and diagram types.

    Create a new diagram, or open an existing diagram in your new tab. To create a new diagram, enter a Diagram Name and click the location where you want to save the file.

    Create flowcharts and diagrams online with this easy to use software.

    Easily import diagrams from Lucidchart to diagrams.net or draw.io with this simple tool.

    Create and edit diagrams with draw.io, a free diagramming tool that integrates seamlessly with Office 365.

    Access and integrate Google Drive files with Draw.io using the Google Picker tool for seamless diagram creation.

    Clearing Cached version 29.3.2... OK Update Start App

    7.2 The Software will initiate transfers of data forming part of the Diagrams (“Diagram Data”) to services supplied by third parties when you expressly request conversion of Diagrams: a. to another supported file format; and b. to PDF format.

    Editing the diagram from page view may cause data loss. Please edit the Confluence page first and then edit the diagram. confConfigSpacePerm=Note: If you recently migrated from DC app, please check draw.io Configuration space permissions such that all users can read and only admins can write.

    3 way switch,3 way switch wiring,3 way switch wiring diagram pdf,3 way wiring diagram,3way switch wiring diagram,4 prong dryer outlet wiring diagram,4 prong trailer wiring diagram,6 way trailer wiring diagram,7 pin trailer wiring diagram with brakes,7 pin wiring diagram,alternator wiring diagram,amp wiring diagram,automotive lighting,cable harness,chevrolet,diagram,dodge,doorbell wiring diagram,ecobee wiring diagram,electric motor,electrical connector,electrical wiring,electrical wiring diagram,ford,fuse,honeywell thermostat wiring diagram,ignition system,kenwood car stereo wiring diagram,light switch wiring diagram,lighting,motor wiring diagram,nest doorbell wiring diagram,nest hello wiring diagram,nest labs,nest thermostat,nest thermostat wiring diagram,phone connector,pin,pioneer wiring diagram,plug wiring diagram,pump,radio,radio wiring diagram,relay,relay wiring diagram,resistor,rj45 wiring diagram,schematic,semi-trailer truck,sensor,seven pin trailer wiring diagram,speaker wiring diagram,starter wiring diagram,stereo wiring diagram,stereophonic sound,strat wiring diagram,switch,switch wiring diagram,telecaster wiring diagram,thermostat wiring,thermostat wiring diagram,trailer brake controller,trailer plug wiring diagram,trailer wiring diagram,user guide,wire,wire diagram,wiring diagram,wiring diagram 3 way switch,wiring harness

    close