70v Volume Control Wiring Diagram

70v Volume Control Wiring Diagram

  • Category : Wiring Diagram
  • Post Date : January 22, 2026
70v Volume Control Wiring Diagram 9 out of 10 based on 20 ratings. 10 user reviews.

70v Volume Control Wiring Diagram

Owi 2x2

Owi Amp

Volume Controls In

Volume Knobs On Transducer Wiring Need Help Or Some Plans

White Weatherproof Outdoor Speaker For Patio With 6 5

Pylehome - Pvckt5 - Tools And Meters - Wall Plates

Ist Bluetooth Volume Control With Amplifier

The Guitar Wiring Blog

Home Audio Volume Control Wiring Diagram

How To Wire Ceiling Speakers With Volume Control

Amazon Com Pylehome Pvcd15 In

What U0026 39 S The Difference Between Two Audio Systems

Touch Volume Control Circuit

The Guitar Wiring Blog

Wiring Diagrams

Modding The Peavey Valveking Royal 8

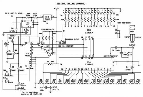
Power Amplifier With Digital Volume Control

Switchable Volume Attenuator Wiring Diagram

Amazon Com Pyle Home Pvcs2 In B Source Selector

Speaker L

Russound Volume Control Wiring Diagram

Pam 8403 Board Amp Wiring Diagram

Diy Stereo Volume Control Module Easy

16e4f Speaker Rheostat Wiring Diagram

Max5486 Digital Volume Control

Home Audio Volume Control Wiring Diagram

Audio Potentiometer Wiring Diagram

Wiring Schematic Diagram Stereo Digital Volume Control

And Now For Something Completely Different Wiring Diagram

Adding Arcade Volume Control

How To Wire Four Speakers To One Amplifier

How To Add Volume Control To A Speaker Line

Stereo Amplifier Balance Control Circuit

Diy Passive Preamp Idea

Wolf Enterprises

The Guitar Wiring Blog

Guitar Wiring Site

Electronic Test Digital Volume Control Circuits

Wiring Diagrams U0026 Schematics

Audio Guide Faq

Bt2 Wiring Deployment Options New Construction

Diagram 70v Volume Control Wiring Diagram

  • Download 70v Volume Control Wiring Diagram

    draw.io is free online diagram software for making flowcharts, process diagrams, org charts, UML, ER and network diagrams

    Open and edit diagrams online with Draw.io, a free diagram software supporting various formats and diagram types.

    Create a new diagram, or open an existing diagram in your new tab. To create a new diagram, enter a Diagram Name and click the location where you want to save the file.

    Create flowcharts and diagrams online with this easy to use software.

    Create and edit diagrams with draw.io, a free diagramming tool that integrates seamlessly with Office 365.

    Easily import diagrams from Lucidchart to diagrams.net or draw.io with this simple tool.

    Access and integrate Google Drive files with Draw.io using the Google Picker tool for seamless diagram creation.

    Clearing Cached version 29.3.2... OK Update Start App

    confEmbedUpload=For a better editing experience, please use the regular draw.io macro to insert a blank diagram, then from (File menu → Import From → Device...) select the file you want to upload and embed.

    Editing the diagram from page view may cause data loss. Please edit the Confluence page first and then edit the diagram. confConfigSpacePerm=Note: If you recently migrated from DC app, please check draw.io Configuration space permissions such that all users can read and only admins can write.

    3 way switch,3 way switch wiring,3 way switch wiring diagram pdf,3 way wiring diagram,3way switch wiring diagram,4 prong dryer outlet wiring diagram,4 prong trailer wiring diagram,6 way trailer wiring diagram,7 pin trailer wiring diagram with brakes,7 pin wiring diagram,alternator wiring diagram,amp wiring diagram,automotive lighting,cable harness,chevrolet,diagram,dodge,doorbell wiring diagram,ecobee wiring diagram,electric motor,electrical connector,electrical wiring,electrical wiring diagram,ford,fuse,honeywell thermostat wiring diagram,ignition system,kenwood car stereo wiring diagram,light switch wiring diagram,lighting,motor wiring diagram,nest doorbell wiring diagram,nest hello wiring diagram,nest labs,nest thermostat,nest thermostat wiring diagram,phone connector,pin,pioneer wiring diagram,plug wiring diagram,pump,radio,radio wiring diagram,relay,relay wiring diagram,resistor,rj45 wiring diagram,schematic,semi-trailer truck,sensor,seven pin trailer wiring diagram,speaker wiring diagram,starter wiring diagram,stereo wiring diagram,stereophonic sound,strat wiring diagram,switch,switch wiring diagram,telecaster wiring diagram,thermostat wiring,thermostat wiring diagram,trailer brake controller,trailer plug wiring diagram,trailer wiring diagram,user guide,wire,wire diagram,wiring diagram,wiring diagram 3 way switch,wiring harness

    close