50 Hp Johnson Motor Diagram

50 Hp Johnson Motor Diagram

  • Category : Motor Diagram
  • Post Date : January 22, 2026
50 Hp Johnson Motor Diagram 9 out of 10 based on 70 ratings. 50 user reviews.

50 Hp Johnson Motor Diagram

Johnson Outboard Motor Troubleshooting

Johnson Motor Cover

Johnson Boat Motor Parts Diagram

Johnson Carburetor Parts For 1974 6hp 6r74c Outboard Motor

Johnson Lower Unit Group Parts For 1958 35hp Rds

Johnson Gearcase Group Parts For 1970 25hp 25r70e Outboard

Johnson Boat Motor Parts Diagram

Motor Parts Johnson Outboard Motor Parts

Johnson Outboard Motor Parts Diagram

Johnson Outboard Parts By Hp 9 5hp Oem Parts Diagram For

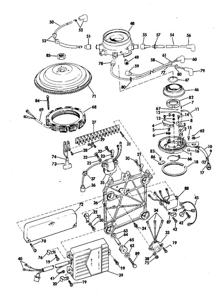
Johnson Ignition System Parts For 1995 90hp J90tleor

1994 Johnson 15 Hp Outboard Motor

Johnson Distributor Group Parts For 1969 115hp 115esl69s

Johnson Ignition System Parts For 1972 100hp 100esl72r

Johnson Cylinder U0026 Crankcase Parts For 1976 25hp 25r76e

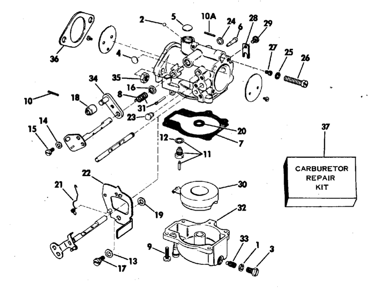
Johnson Carburetor

Johnson Ignition System 60ttl Parts For 1990 60hp

Johnson Carburetor Parts For 1989 15hp Tj15rlcec Outboard

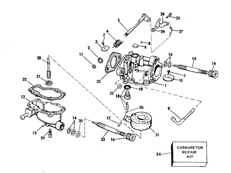
Johnson Carburetor Parts For 1974 50hp 50esl74m Outboard Motor

Johnson Powerhead Group Parts For 1969 4hp 4r69b Outboard

Johnson Motor Cover Group Parts For 1969 4hp 4r69b

Johnson Swivel Bracket Parts For 2006 15hp J15tel4sdm

Johnson Carburetor And Starter Group Parts For 1969 6hp

Johnson Gearcase Parts For 1996 150hp Sj150wtplb Outboard

Johnson Gearcase Parts For 2006 15hp J15rsdr Outboard Motor

Johnson Outboard Parts By Hp 15hp Oem Parts Diagram For

Johnson Ignition System Parts For 1972 50hp 50esl72c

Johnson Magneto Parts For 1978 25hp 25e78c Outboard Motor

Johnson Outboard Motor Parts Diagram

Johnson Motor Cover Group Parts For 1969 20hp 20r69b

Johnson Cylinder U0026 Crankcase Parts For 1994 15hp J15rere

Johnson Rewind Starter Parts For 1973 6hp 6r73s Outboard Motor

40 Hp Evinrude Parts Diagram

Johnson Thermostat Parts For 2004 115hp Bj115l4src

Johnson Decals Graphite Models Parts For 2003 115hp

Johnson Carburetor

Johnson Carburetor

15 Hp Johnson Outboard Parts

Johnson Carburetor Parts For 2000 50hp Bj50plssm Outboard

Johnson Carburetor Parts For 2002 15hp J15te4snf Outboard

Johnson Magneto Parts For 1976 25hp 25r76e Outboard Motor

100 Hp Johnson Outboard Motor Wiring Diagram Vehicle

Johnson Carburetor Parts For 1975 4hp 4w75a Outboard Motor

1978 25 Hp Johnson Outboard Motor

Johnson Ignition System Parts For 1988 40hp J40elccs

Johnson Outboard Motor Troubleshooting

Johnson Boat Motor Parts Diagram

Johnson Manual Primer System Parts For 1984 25hp J25ecrs

Diagram 50 Hp Johnson Motor Diagram

  • Download 50 Hp Johnson Motor Diagram

    draw.io is free online diagram software for making flowcharts, process diagrams, org charts, UML, ER and network diagrams

    Open and edit diagrams online with Draw.io, a free diagram software supporting various formats and diagram types.

    Create a new diagram, or open an existing diagram in your new tab. To create a new diagram, enter a Diagram Name and click the location where you want to save the file.

    Create flowcharts and diagrams online with this easy to use software.

    Easily import diagrams from Lucidchart to diagrams.net or draw.io with this simple tool.

    Create and edit diagrams with draw.io, a free diagramming tool that integrates seamlessly with Office 365.

    Access and integrate Google Drive files with Draw.io using the Google Picker tool for seamless diagram creation.

    Clearing Cached version 29.3.2... OK Update Start App

    7.2 The Software will initiate transfers of data forming part of the Diagrams (“Diagram Data”) to services supplied by third parties when you expressly request conversion of Diagrams: a. to another supported file format; and b. to PDF format.

    Editing the diagram from page view may cause data loss. Please edit the Confluence page first and then edit the diagram. confConfigSpacePerm=Note: If you recently migrated from DC app, please check draw.io Configuration space permissions such that all users can read and only admins can write.

    3 way switch,3 way switch wiring,3 way switch wiring diagram pdf,3 way wiring diagram,3way switch wiring diagram,4 prong dryer outlet wiring diagram,4 prong trailer wiring diagram,6 way trailer wiring diagram,7 pin trailer wiring diagram with brakes,7 pin wiring diagram,alternator wiring diagram,amp wiring diagram,automotive lighting,cable harness,chevrolet,diagram,dodge,doorbell wiring diagram,ecobee wiring diagram,electric motor,electrical connector,electrical wiring,electrical wiring diagram,ford,fuse,honeywell thermostat wiring diagram,ignition system,kenwood car stereo wiring diagram,light switch wiring diagram,lighting,motor wiring diagram,nest doorbell wiring diagram,nest hello wiring diagram,nest labs,nest thermostat,nest thermostat wiring diagram,phone connector,pin,pioneer wiring diagram,plug wiring diagram,pump,radio,radio wiring diagram,relay,relay wiring diagram,resistor,rj45 wiring diagram,schematic,semi-trailer truck,sensor,seven pin trailer wiring diagram,speaker wiring diagram,starter wiring diagram,stereo wiring diagram,stereophonic sound,strat wiring diagram,switch,switch wiring diagram,telecaster wiring diagram,thermostat wiring,thermostat wiring diagram,trailer brake controller,trailer plug wiring diagram,trailer wiring diagram,user guide,wire,wire diagram,wiring diagram,wiring diagram 3 way switch,wiring harness

    close