4runner Power Steering Pump Diagram

4runner Power Steering Pump Diagram

  • Category : Pump Diagram
  • Post Date : January 22, 2026
4runner Power Steering Pump Diagram 9 out of 10 based on 60 ratings. 10 user reviews.

4runner Power Steering Pump Diagram

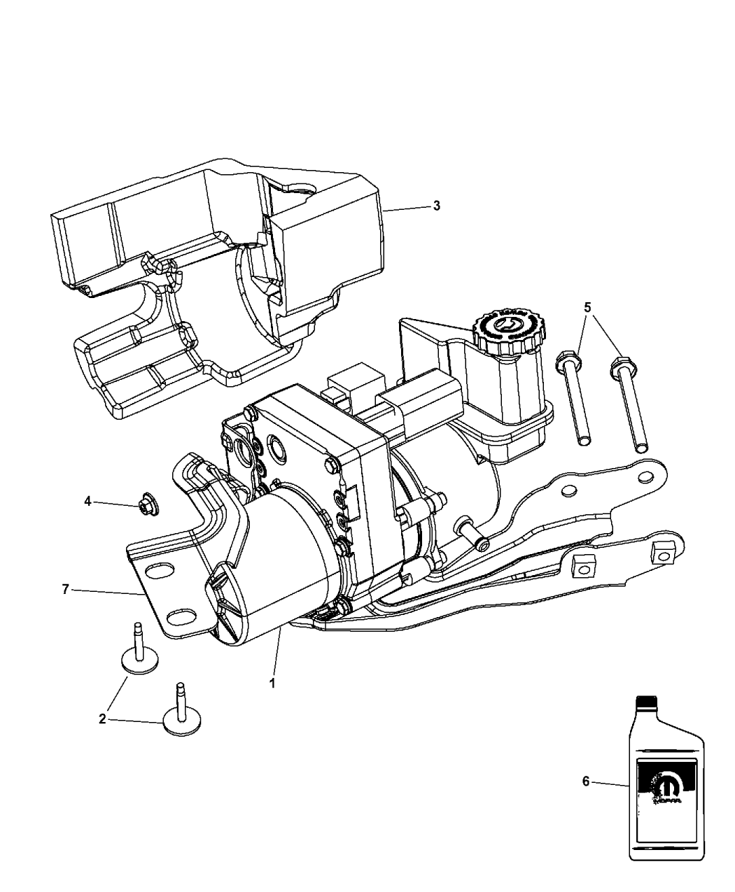
Power Steering Pump Assembly Small Pump

Power Steering Pump Bracket - Ps301

1981 Corvette Power Steering Pump Parts

62 Series Or 3fe Power Steering Pump Rebuild Diagram

Engine

U201997 Outback Power Steering Pump Leak U2026 - Page 2

Ford Truck Technical Drawings And Schematics

53032637ab

Wheel Alignment Strut Replacement

Power Steering Pump Help - Ford F150 Forum

Need To Change The Power Steering Pump In My 2002 I

Where Can I Find A Picture Of The Power Steering Hose On

62 Series Or 3fe Power Steering Pump Rebuild Diagram

327 350 Power Steering Pump Mounting

Power Steering Pump-hobourn Eaton - 2 5 Na

1985 Ford F250 The Power Steering Pump Compressor V8

Of A 2001 Toyota Tacoma 4x4 6 Cyl Power Steering Pump

Toyota Oem Power Steering

Gm Oem Power Steering Pump

I Replaced My Rack U0026 Pinion And My Power Steering Pump And

Ford Super Duty Power Steering Filter

Repair Guides

05093985aa

Repair Guides

34411ac080

Power Steering Pump And Related - Diagram View

Toyota Oem 92

Power Steering Pump Union Bolt Pressure Tube One Piece Or

Bolt Diagram On 1996 K1500 Gmc Power Steering Pump

Taking Pump Off Without Taking Off Muffler Pipe Because I

Md317370

Lexus Toyota Oem 98

Repair Guides

Gm Oem

I Need Some Pictures Or Diagrams Of How The Alternator And

03 Accord Ex V6 Power Steering

1953-2018 Corvette Power Steering Pump Parts

Checking Your Vehicle U0026 39 S Fluid

1993 Mercury Villager Power Steering Hose Leak Need

I Need Pictures Or A Diagram On The Power Steering Pump

Help Power Steering Hose Failed

49110

Zf Electric Power Steering Conversion Phase 1

Power Steering Pump Banjo Bolt How Does It Go

U0026 39 99 Ss Power Steering Pump - Need Help - Ls1tech

Wrg

Corvette Power Steering Pump To Control Valve Inlet Hose

Power Steering Hose Replacement Steering Problem 6 Cyl

Help Power Steering Hose Failed

68059524al

Diagram 4runner Power Steering Pump Diagram

  • Download 4runner Power Steering Pump Diagram

    draw.io is free online diagram software for making flowcharts, process diagrams, org charts, UML, ER and network diagrams

    Open and edit diagrams online with Draw.io, a free diagram software supporting various formats and diagram types.

    Create a new diagram, or open an existing diagram in your new tab. To create a new diagram, enter a Diagram Name and click the location where you want to save the file.

    Create flowcharts and diagrams online with this easy to use software.

    Create and edit diagrams with draw.io, a free diagramming tool that integrates seamlessly with Office 365.

    Easily import diagrams from Lucidchart to diagrams.net or draw.io with this simple tool.

    Access and integrate Google Drive files with Draw.io using the Google Picker tool for seamless diagram creation.

    Clearing Cached version 29.3.2... OK Update Start App

    confEmbedUpload=For a better editing experience, please use the regular draw.io macro to insert a blank diagram, then from (File menu → Import From → Device...) select the file you want to upload and embed.

    Editing the diagram from page view may cause data loss. Please edit the Confluence page first and then edit the diagram. confConfigSpacePerm=Note: If you recently migrated from DC app, please check draw.io Configuration space permissions such that all users can read and only admins can write.

    3 way switch,3 way switch wiring,3 way switch wiring diagram pdf,3 way wiring diagram,3way switch wiring diagram,4 prong dryer outlet wiring diagram,4 prong trailer wiring diagram,6 way trailer wiring diagram,7 pin trailer wiring diagram with brakes,7 pin wiring diagram,alternator wiring diagram,amp wiring diagram,automotive lighting,cable harness,chevrolet,diagram,dodge,doorbell wiring diagram,ecobee wiring diagram,electric motor,electrical connector,electrical wiring,electrical wiring diagram,ford,fuse,honeywell thermostat wiring diagram,ignition system,kenwood car stereo wiring diagram,light switch wiring diagram,lighting,motor wiring diagram,nest doorbell wiring diagram,nest hello wiring diagram,nest labs,nest thermostat,nest thermostat wiring diagram,phone connector,pin,pioneer wiring diagram,plug wiring diagram,pump,radio,radio wiring diagram,relay,relay wiring diagram,resistor,rj45 wiring diagram,schematic,semi-trailer truck,sensor,seven pin trailer wiring diagram,speaker wiring diagram,starter wiring diagram,stereo wiring diagram,stereophonic sound,strat wiring diagram,switch,switch wiring diagram,telecaster wiring diagram,thermostat wiring,thermostat wiring diagram,trailer brake controller,trailer plug wiring diagram,trailer wiring diagram,user guide,wire,wire diagram,wiring diagram,wiring diagram 3 way switch,wiring harness

    close