3 Input Xor Gate Logic Diagram

3 Input Xor Gate Logic Diagram

  • Category : Logic Diagram
  • Post Date : January 22, 2026
3 Input Xor Gate Logic Diagram 9 out of 10 based on 40 ratings. 20 user reviews.

3 Input Xor Gate Logic Diagram

Logic Circuits In Python U2013 Anu B Nair

What Is The Easiest Way To Learn Truth Table Of Nor Gate And Xor Gate Of Class 12th Cbse

3

A Mcml 2 Input Xor Xnor Gate

Xor Gate

Cmos Xor Gate Circuit Diagram

Solved Multiple Inputs Xnor Gate Logic

File Cmos Xor Gate Svg

Universal Logic Gate Xor

Neural Networks Solving Xor With A Hidden Layer Youtube

Neural Networks Solving Xor With A Hidden Layer Youtube

3 Input Logic Gates Truth Tables Pdf

A Circuit Symbol And B Accuracy Table Of The Xor Logic Gate

Neural Networks Solving Xor With A Hidden Layer Youtube

3

Plc Logic Functions Instrumentation Tools

Logic Gates Truth Table Calculator

Xor Schematic With Led Xor Get Free Image About Wiring Diagram Xor Ladder Logic

To Study And Verify The Truth Table Of Logic Gates U2013 Ahirlabs

Logic Gates And Or Not Nand Nor Xor

Xor Gate

Chapter

Digital Logic - Building A Xor Gate On 3 Inputs Using Only 5 And Or Not Gates

Digital Electronics Astable Multivibrators

What Is The Logic Switching Circuit Of Xor And Xnor Gates

Ec 201 Implement Xnor Using Nand U0026 Nor Xor Using Nand U0026 Nor

File Xor From Nand Svg

Logic Gates Truth Tables Exercises

Logicblocks Experiment Guide

Nor Logic Gate Truth Table

How To Teach Logic To Your Neuralnetworks U2013 Autonomous Agents U2014 Ai U2013 Medium

Chapter 3 U2013 Logic Gates And Logic Circuits

Digital Logic - Xnor Gate With Multiple Inputs

Solved A 3

Gerbang Logika Dasar Logic Gate

3 Input Xor Gate Truth Table

Hardware

Digital Logic - 3 Input Xnor Gate Operation

Basic Designs Of Xor

Npn Transistor Xor Gate Circuit

Combinational Logic

Or Gate Ic Circuit Diagram

Solved Sketch A Transistor

S0

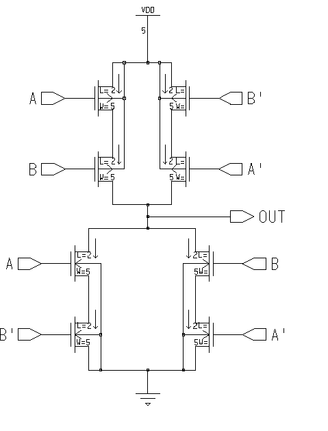
Schematic Diagram And Layout Of Two Input Xor Gate

Team Insa Toulouse Contenu Project Biological Construction

Diagram 3 Input Xor Gate Logic Diagram

  • Download 3 Input Xor Gate Logic Diagram

    draw.io is free online diagram software for making flowcharts, process diagrams, org charts, UML, ER and network diagrams

    Open and edit diagrams online with Draw.io, a free diagram software supporting various formats and diagram types.

    Create a new diagram, or open an existing diagram in your new tab. To create a new diagram, enter a Diagram Name and click the location where you want to save the file.

    Create flowcharts and diagrams online with this easy to use software.

    Easily import diagrams from Lucidchart to diagrams.net or draw.io with this simple tool.

    Create and edit diagrams with draw.io, a free diagramming tool that integrates seamlessly with Office 365.

    Access and integrate Google Drive files with Draw.io using the Google Picker tool for seamless diagram creation.

    Clearing Cached version 29.3.2... OK Update Start App

    7.2 The Software will initiate transfers of data forming part of the Diagrams (“Diagram Data”) to services supplied by third parties when you expressly request conversion of Diagrams: a. to another supported file format; and b. to PDF format.

    Editing the diagram from page view may cause data loss. Please edit the Confluence page first and then edit the diagram. confConfigSpacePerm=Note: If you recently migrated from DC app, please check draw.io Configuration space permissions such that all users can read and only admins can write.

    3 way switch,3 way switch wiring,3 way switch wiring diagram pdf,3 way wiring diagram,3way switch wiring diagram,4 prong dryer outlet wiring diagram,4 prong trailer wiring diagram,6 way trailer wiring diagram,7 pin trailer wiring diagram with brakes,7 pin wiring diagram,alternator wiring diagram,amp wiring diagram,automotive lighting,cable harness,chevrolet,diagram,dodge,doorbell wiring diagram,ecobee wiring diagram,electric motor,electrical connector,electrical wiring,electrical wiring diagram,ford,fuse,honeywell thermostat wiring diagram,ignition system,kenwood car stereo wiring diagram,light switch wiring diagram,lighting,motor wiring diagram,nest doorbell wiring diagram,nest hello wiring diagram,nest labs,nest thermostat,nest thermostat wiring diagram,phone connector,pin,pioneer wiring diagram,plug wiring diagram,pump,radio,radio wiring diagram,relay,relay wiring diagram,resistor,rj45 wiring diagram,schematic,semi-trailer truck,sensor,seven pin trailer wiring diagram,speaker wiring diagram,starter wiring diagram,stereo wiring diagram,stereophonic sound,strat wiring diagram,switch,switch wiring diagram,telecaster wiring diagram,thermostat wiring,thermostat wiring diagram,trailer brake controller,trailer plug wiring diagram,trailer wiring diagram,user guide,wire,wire diagram,wiring diagram,wiring diagram 3 way switch,wiring harness

    close