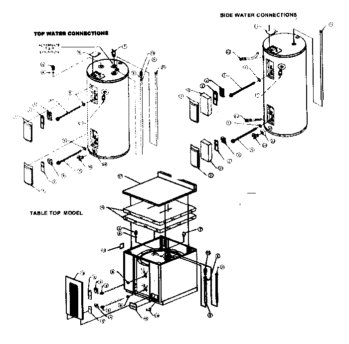
295098 Whirlpool Water Heater Installation Diagram

295098 Whirlpool Water Heater Installation Diagram

  • Category : Installation Diagram
  • Post Date : January 22, 2026
295098 Whirlpool Water Heater Installation Diagram 9 out of 10 based on 90 ratings. 30 user reviews.

295098 Whirlpool Water Heater Installation Diagram

Whirlpool Water Heater Parts

Whirlpool Energy Smart Electric Water Heater Troubleshooting

I Have A Whirlpool Electric Water Heater That Doesn U0026 39 T Work How Do I Change Elements

Top Whirlpool Hot Water Heater Wiring Diagram Wiring Diagram For Thermostat On Hot Water Heater

Whirlpool Energy Smart Hot Water Heater Manual

Gas Hot Water Heater Diagram Proswaterheatersanjose Com

Page 15 Of Whirlpool Water Heater E1f50rd045v User Guide

Whirlpool Water Heater Age

Whirlpool Electric Water Heater Lukewarm After Main Breaker Replaced

21 Dream Energy Smart Water Heater Photo

Wiring Diagram For A Whirlpool Hot Water Heater Gallery Diagram Writing Sample Ideas And Guide

Water Heaters Basics Types Components And How They Work

Water Heater Circuit Breaker Wiring

Rheem Rte 13 Wiring Diagram

Residential Gas Hot Water Heater Exploded View In Electric Water Heater Parts Diagram

American Waterheaters Water Heater Parts

Gas Hot Water Heater Parts Diagram

Efimax Com Co

Whirlpool Gas Water Heater Parts

Electric Water Heater Parts Diagram

Newest 220 Volt Water Heater Wiring Diagram 240v Electric Water Heater Wiring Diagrams

Aosmith Water Heater Parts

Tankless Water Heater Wiring Diagram Download

Whirlpool Wpy503978 Heating Element

Installing A Water Softener Diagram

Electric Water Heater Parts Diagram

Whirlpool 66001358 Sensor Temperature

Whirlpool Wp99003625 Heater

Register Your Whirlpool U00ae Water Heater

60 Awesome 120v Electric Heater Element Wiring Diagram Images

Whirlpool E2f65hd045v User Manual

Electric Water Heater Wiring With Diagram

Ao Smith Electric Water Heater Upper Thermostat 9001954045

Anatomy Of A Tank Type Gas Water Heater

Whirlpool Water Heater Reviews Troubleshooting Repair And Support

I Have An Electric Kenmore Survivor Hot Water Heater And It Is Tripping The Breaker Every 3 Or

Thermodisc Wiring Diagram U2013 Volovets Info

Gas Line Repair Houston

Diagram 295098 Whirlpool Water Heater Installation Diagram

  • Download 295098 Whirlpool Water Heater Installation Diagram

    draw.io is free online diagram software for making flowcharts, process diagrams, org charts, UML, ER and network diagrams

    Open and edit diagrams online with Draw.io, a free diagram software supporting various formats and diagram types.

    Create a new diagram, or open an existing diagram in your new tab. To create a new diagram, enter a Diagram Name and click the location where you want to save the file.

    Create flowcharts and diagrams online with this easy to use software.

    Easily import diagrams from Lucidchart to diagrams.net or draw.io with this simple tool.

    Create and edit diagrams with draw.io, a free diagramming tool that integrates seamlessly with Office 365.

    Access and integrate Google Drive files with Draw.io using the Google Picker tool for seamless diagram creation.

    Clearing Cached version 29.3.2... OK Update Start App

    7.2 The Software will initiate transfers of data forming part of the Diagrams (“Diagram Data”) to services supplied by third parties when you expressly request conversion of Diagrams: a. to another supported file format; and b. to PDF format.

    Editing the diagram from page view may cause data loss. Please edit the Confluence page first and then edit the diagram. confConfigSpacePerm=Note: If you recently migrated from DC app, please check draw.io Configuration space permissions such that all users can read and only admins can write.

    3 way switch,3 way switch wiring,3 way switch wiring diagram pdf,3 way wiring diagram,3way switch wiring diagram,4 prong dryer outlet wiring diagram,4 prong trailer wiring diagram,6 way trailer wiring diagram,7 pin trailer wiring diagram with brakes,7 pin wiring diagram,alternator wiring diagram,amp wiring diagram,automotive lighting,cable harness,chevrolet,diagram,dodge,doorbell wiring diagram,ecobee wiring diagram,electric motor,electrical connector,electrical wiring,electrical wiring diagram,ford,fuse,honeywell thermostat wiring diagram,ignition system,kenwood car stereo wiring diagram,light switch wiring diagram,lighting,motor wiring diagram,nest doorbell wiring diagram,nest hello wiring diagram,nest labs,nest thermostat,nest thermostat wiring diagram,phone connector,pin,pioneer wiring diagram,plug wiring diagram,pump,radio,radio wiring diagram,relay,relay wiring diagram,resistor,rj45 wiring diagram,schematic,semi-trailer truck,sensor,seven pin trailer wiring diagram,speaker wiring diagram,starter wiring diagram,stereo wiring diagram,stereophonic sound,strat wiring diagram,switch,switch wiring diagram,telecaster wiring diagram,thermostat wiring,thermostat wiring diagram,trailer brake controller,trailer plug wiring diagram,trailer wiring diagram,user guide,wire,wire diagram,wiring diagram,wiring diagram 3 way switch,wiring harness

    close