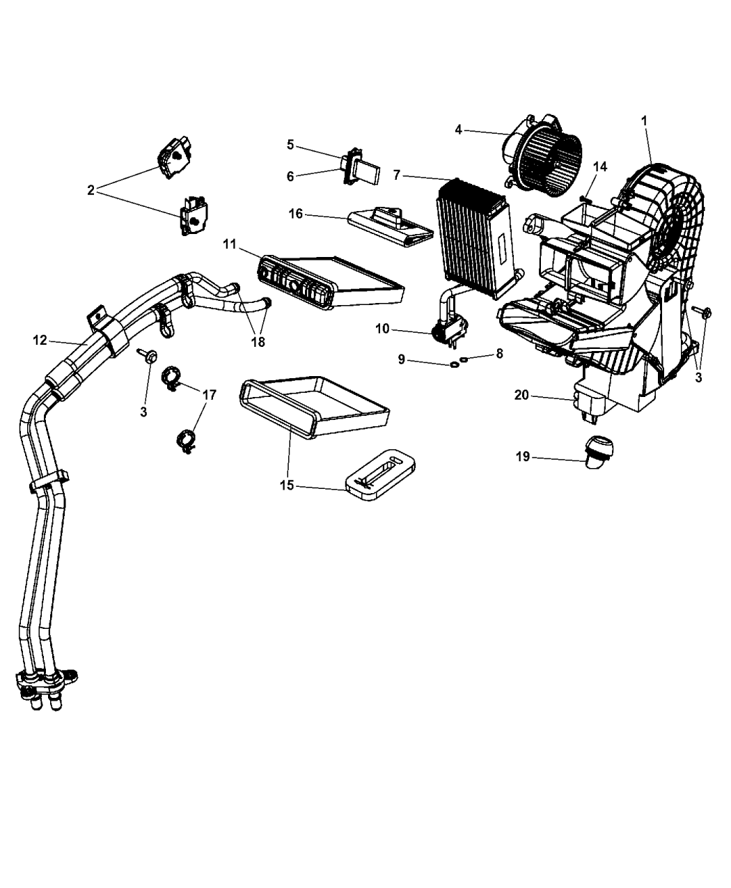
2006 Dodge Grand Caravan Blower Motor Diagram

2006 Dodge Grand Caravan Blower Motor Diagram

  • Category : Motor Diagram
  • Post Date : January 22, 2026
2006 Dodge Grand Caravan Blower Motor Diagram 9 out of 10 based on 60 ratings. 60 user reviews.

2006 Dodge Grand Caravan Blower Motor Diagram

2002 Dodge Caravan Blower Motor Quite Yesterday Checked

2005 Dodge Grand Caravan Swapped The Wiring Diagram

Dodge Caravan 1996 Blower Motor Schematic Wiring Diagram

Dodge Caravan 1996 Front Blower Motor Wiring Diagram

I Have A 1987 Dodge Caravan Sometime The Heater Motor

How Can I Repair This Myself

1997 Dodge Caravan Heater Blower Will Not Work Supply

2006 Caravan A C Blower Motor

Dodge U2013 Page 6 U2013 Circuit Wiring Diagrams

2003 Dodge Caravan Ac Wiring Diagram

2006 Dodge Grand Caravan Parts

1997 Dodge Grand Caravan Wiring Blower Motor Air

1998 Dodge Grand Caravan Resistor Blower Motor Air

I Have A 2006 Dodge Grand Caravan In Which The A C Is Not

68031976aa

An Elderly Friend Has A 2004 Chrysler Town U0026 Country

I Have A 2002 Dodge Grand Carovan The Wiring 4 The Blower

The Blower Heater In My 99 Dodge Caravan Se 3 3l Has

2005 Dodge Caravan Blower Motor Wiring Diagram

2004 Caravan Front Heater Blower Wont Operate Windshield

Dodge Dynasty 1992 Blower Motor Schematic Diagram

Caravan Blower Motor Relay Location Dodge Front Pictures

I Have A 2002 Dodge Grand Carovan The Wiring 4 The Blower

2000 Dodge Caravan Replace Resistor Blower Motor But Fan

Rear A C Questions On A 98 Grand Caravan Se Awd

Where Is The Front Blower Motor Resistor Block Located In

2005 Dodge Grand Caravan

Caravan Blower Motor Relay Location Dodge Front Pictures

2011 Dodge Grand Caravan Resistor Blower Motor Air

2005 Dodge Caravan Blower Motor Wiring Diagram

Chrysler Pacifica Heater Not Working

00 Chrysler Grand Voyager Fuse Box

2019 Dodge Grand Caravan Motor Blower With Wheel Zone

00 Chrysler Grand Voyager Fuse Box

Dodge Caravan 1996 Blower Motor Schematic Wiring Diagram

Dodge Grand Caravan 2014

1999 Jeep Wrangler 4wd 4 0l Fi Ohv 6cyl

Rear Blower Motor Only Operates On High

2009 Dodge Grand Caravan Resistor Blower Motor

Dodge Grand Caravan Resistor Blower Motor

2005 Dodge Caravan Blower Motor Wiring Diagram

Caravan Blower Motor Relay Location Dodge Front Pictures

Dodge Grand Caravan Resistor Blower Motor

Diagram 2006 Dodge Grand Caravan Blower Motor Diagram

  • Download 2006 Dodge Grand Caravan Blower Motor Diagram

    draw.io is free online diagram software for making flowcharts, process diagrams, org charts, UML, ER and network diagrams

    Open and edit diagrams online with Draw.io, a free diagram software supporting various formats and diagram types.

    Create flowcharts and diagrams online with this easy to use software.

    Create a new diagram, or open an existing diagram in your new tab. To create a new diagram, enter a Diagram Name and click the location where you want to save the file.

    Create and edit diagrams with draw.io, a free diagramming tool that integrates seamlessly with Office 365.

    Easily import diagrams from Lucidchart to diagrams.net or draw.io with this simple tool.

    Access and integrate Google Drive files with Draw.io using the Google Picker tool for seamless diagram creation.

    Clearing Cached version 29.3.2... OK Update Start App

    confEmbedUpload=For a better editing experience, please use the regular draw.io macro to insert a blank diagram, then from (File menu → Import From → Device...) select the file you want to upload and embed.

    7.2 The Software will initiate transfers of data forming part of the Diagrams (“Diagram Data”) to services supplied by third parties when you expressly request conversion of Diagrams: a. to another supported file format; and b. to PDF format.

    3 way switch,3 way switch wiring,3 way switch wiring diagram pdf,3 way wiring diagram,3way switch wiring diagram,4 prong dryer outlet wiring diagram,4 prong trailer wiring diagram,6 way trailer wiring diagram,7 pin trailer wiring diagram with brakes,7 pin wiring diagram,alternator wiring diagram,amp wiring diagram,automotive lighting,cable harness,chevrolet,diagram,dodge,doorbell wiring diagram,ecobee wiring diagram,electric motor,electrical connector,electrical wiring,electrical wiring diagram,ford,fuse,honeywell thermostat wiring diagram,ignition system,kenwood car stereo wiring diagram,light switch wiring diagram,lighting,motor wiring diagram,nest doorbell wiring diagram,nest hello wiring diagram,nest labs,nest thermostat,nest thermostat wiring diagram,phone connector,pin,pioneer wiring diagram,plug wiring diagram,pump,radio,radio wiring diagram,relay,relay wiring diagram,resistor,rj45 wiring diagram,schematic,semi-trailer truck,sensor,seven pin trailer wiring diagram,speaker wiring diagram,starter wiring diagram,stereo wiring diagram,stereophonic sound,strat wiring diagram,switch,switch wiring diagram,telecaster wiring diagram,thermostat wiring,thermostat wiring diagram,trailer brake controller,trailer plug wiring diagram,trailer wiring diagram,user guide,wire,wire diagram,wiring diagram,wiring diagram 3 way switch,wiring harness

    close