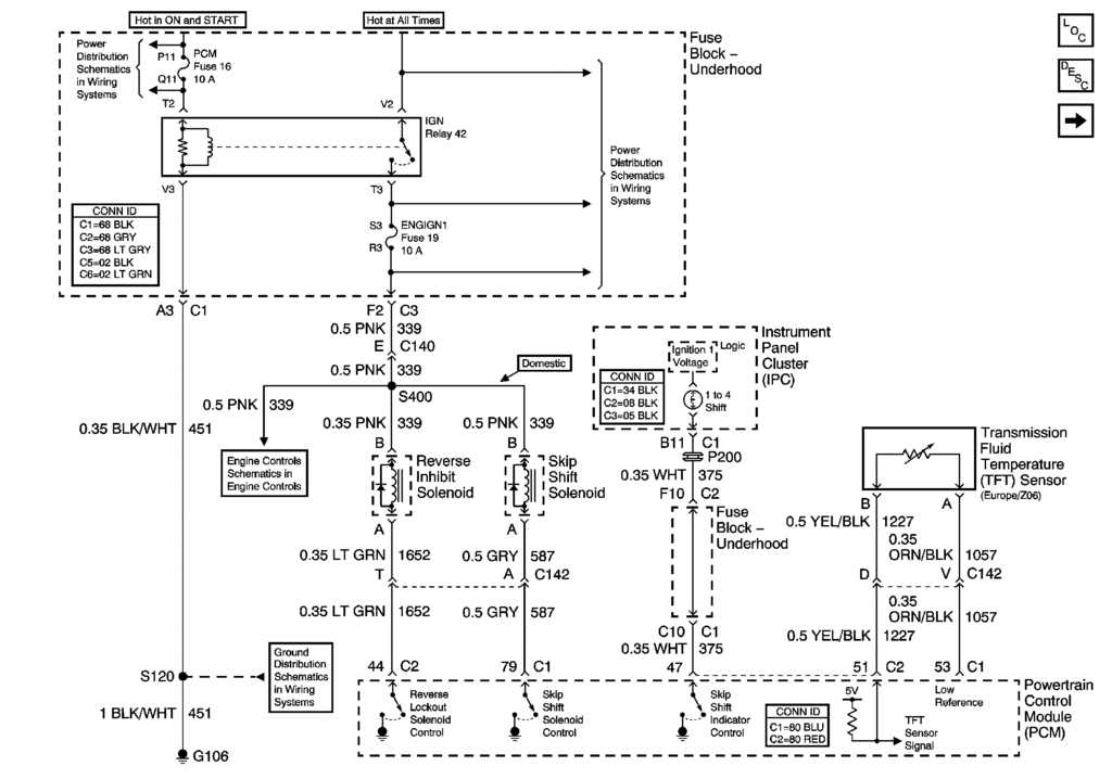
2001 Zo6 Corvette Wiring Diagram

2001 Zo6 Corvette Wiring Diagram

  • Category : Wiring Diagram
  • Post Date : January 22, 2026
2001 Zo6 Corvette Wiring Diagram 9 out of 10 based on 10 ratings. 30 user reviews.

2001 Zo6 Corvette Wiring Diagram

Need The Wiring Diagram For A 2002 Zo6 Alternator

Need The Wiring Diagram For A 2002 Zo6 Alternator

Need The Wiring Diagram For A 2002 Zo6 Alternator

Help With Abs Fault Codes For A C5 2001 Zo6

Lectric Limited Ignition Switch Question

1999 C5 Corvette Active Handling Warming Up Code C1283

Cruise Control Problems - Corvetteforum

Fog Light Install Questions - Corvetteforum

Door Control Module - More Questions

C5 Stereo Wiring Diagram - Corvetteforum

Very Strange U0026quot Car Won U0026 39 T Start Sometimes U0026quot Problem

Is It My Multi

Help Reverse Extremely Hard

Need The Wiring Diagram For A 2002 Zo6 Alternator

T I Specialty - 1966

Patent Us7009366

C5 Ignition Switch Replacement - Corvetteforum

1999 Chevrolet Chevy 1500 Pu V6 Wiring Diagram

1964

Plz Someone Help I Need A Diagram Or Somthing To Show Me

2009-2013 Corvette C6 Trunk Carpet Panel

I Have 95 Chevy 2500 Automatic Went To Start It And It

C5 Gauges Going Wild

69 Camaro Tail Light Wiring

Chevrolet Corvette Questions - Starting Problem

2005

2005

Corvette C6 Carbon Fiber Edition Z06 Zr1 Grand Sport

2005

1964 Corvette Service News Servicing The Breakerless

World Big Ls Engine 507ci With Mozez Heads N A For My Zo6

Gm Oem 2015 C7 Corvette Zo6 Left Tail Lamp 23219535 Z06

Brushless Spal Fans And Dewitts Rad Initial Fit

2007 Focus Relay Location

Check Out This Badass Vette For Sale On Carlister Co

2009

06

801 Best Images About Corvettes On Pinterest

Felicia Central Locking Problem

Chevrolet Corvette Manuals At Books4cars Com

2001 Honda Accord Ex 2 3l Fi Sohc Vtec 4cyl

Lincoln Continental Convertible Late 1963 And 1964

2009-2013 Corvette C6 Trunk Carpet Panel

Ison Liwat 2011 Chevrolet Corvette Zo6 Performance

97 15lb Nitrous Bottle Bracket

Lingenfelter Adjustable Launch Controller Rpm Limiter 2

2009-2013 Corvette C6 Trunk Carpet Panel

Offerings For The Gen V Lt

Hah What If Your Car Has A Corvette Motor Can U Still Go

05 Onstar Sms

Gentex Gntx 221 227 Auto Dimming Map Lights Rear View

2005

Farrari Enzo Shelby Gt 500 Eleanor Concorde Black Gtr

Genuine Gm C7 Corvette Coupe Lh Drivers Side Rear Quarter

Bangshift Com C7 Corvette Dissection

Location Of Bank 1 Sensor 4 Diagrams Wiring Diagram Images

Instrument Cluster Died U0026 Now Indicators Don U0026 39 T Work

Diagram 2001 Zo6 Corvette Wiring Diagram

  • Download 2001 Zo6 Corvette Wiring Diagram

    draw.io is free online diagram software for making flowcharts, process diagrams, org charts, UML, ER and network diagrams

    Open and edit diagrams online with Draw.io, a free diagram software supporting various formats and diagram types.

    Create a new diagram, or open an existing diagram in your new tab. To create a new diagram, enter a Diagram Name and click the location where you want to save the file.

    Create flowcharts and diagrams online with this easy to use software.

    Easily import diagrams from Lucidchart to diagrams.net or draw.io with this simple tool.

    Create and edit diagrams with draw.io, a free diagramming tool that integrates seamlessly with Office 365.

    Access and integrate Google Drive files with Draw.io using the Google Picker tool for seamless diagram creation.

    Clearing Cached version 29.3.2... OK Update Start App

    7.2 The Software will initiate transfers of data forming part of the Diagrams (“Diagram Data”) to services supplied by third parties when you expressly request conversion of Diagrams: a. to another supported file format; and b. to PDF format.

    Editing the diagram from page view may cause data loss. Please edit the Confluence page first and then edit the diagram. confConfigSpacePerm=Note: If you recently migrated from DC app, please check draw.io Configuration space permissions such that all users can read and only admins can write.

    3 way switch,3 way switch wiring,3 way switch wiring diagram pdf,3 way wiring diagram,3way switch wiring diagram,4 prong dryer outlet wiring diagram,4 prong trailer wiring diagram,6 way trailer wiring diagram,7 pin trailer wiring diagram with brakes,7 pin wiring diagram,alternator wiring diagram,amp wiring diagram,automotive lighting,cable harness,chevrolet,diagram,dodge,doorbell wiring diagram,ecobee wiring diagram,electric motor,electrical connector,electrical wiring,electrical wiring diagram,ford,fuse,honeywell thermostat wiring diagram,ignition system,kenwood car stereo wiring diagram,light switch wiring diagram,lighting,motor wiring diagram,nest doorbell wiring diagram,nest hello wiring diagram,nest labs,nest thermostat,nest thermostat wiring diagram,phone connector,pin,pioneer wiring diagram,plug wiring diagram,pump,radio,radio wiring diagram,relay,relay wiring diagram,resistor,rj45 wiring diagram,schematic,semi-trailer truck,sensor,seven pin trailer wiring diagram,speaker wiring diagram,starter wiring diagram,stereo wiring diagram,stereophonic sound,strat wiring diagram,switch,switch wiring diagram,telecaster wiring diagram,thermostat wiring,thermostat wiring diagram,trailer brake controller,trailer plug wiring diagram,trailer wiring diagram,user guide,wire,wire diagram,wiring diagram,wiring diagram 3 way switch,wiring harness

    close