2000 Subaru Wiring Diagrams

2000 Subaru Wiring Diagrams

  • Category : Wiring Diagrams
  • Post Date : January 22, 2026
2000 Subaru Wiring Diagrams 9 out of 10 based on 100 ratings. 60 user reviews.

2000 Subaru Wiring Diagrams

What Is The Wiring Diagram For The 2003 Subaru Baja

Subaru 1600 1800 1982 Wiring Diagrams

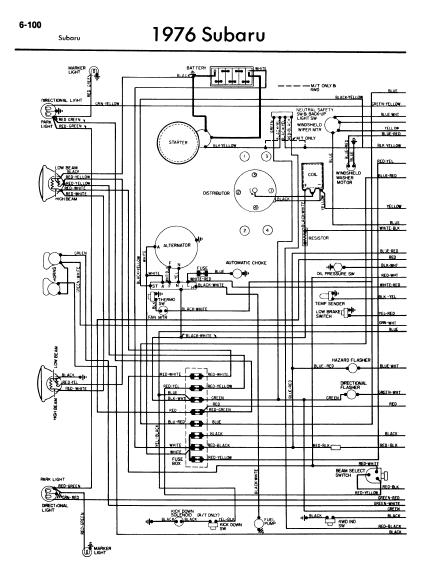
Subaru 1975 Models Wiring Diagrams

Subaru Outback Wiring Diagram

What Is The Wiring Diagram For The 2003 Subaru Baja

Where Can I Purchase A Copy Of Subaru Engine And Body

Subaru Outback Wiring Diagram

2001 Subaru Outback Wiring Diagram Sample

Gallery Of 2001 Subaru Outback Wiring Diagram Download

Repair

Subaru Outback Wiring Diagram

2004 Subaru Radio Wiring Diagram

Subaru Charging System Wiring Diagram

Repair

2003 Subaru Forester Wiring Schematic

2002 Subaru Forester Wiring Diagram

2001 Subaru Outback Wiring Diagram Sample

Repair

Subaru Outback Wiring Diagram

Ej18 Wiring Diagram From 93 Imprezza

Fixing Manual Pdf Download 2006 Subaru Impreza Wiring Diagram

1999 Subaru Impreza Wiring Diagram

2001 Subaru Legacy Wiring Diagram And Engine Electrical

2001

1992 Subaru Ignition Coil

Gallery Of 2001 Subaru Outback Wiring Diagram Download

97 Subaru Legacy Engine Diagram

I Need A Wiring Diagram For A 93 Subaru Impreza Radio

I Have A 1997 Subaru Legacy Wagon It Quit On Us While We

2001 Subaru Forester Wiring Diagram

1996 Subaru Legacy Bg5 Ecu Wiring Diagram

1999-2001 Subaru Impreza Wiring Diagram

2005 2009 Subaru Legacy Oem Service Repair And 50 Similar

Subaru Tribeca 2002 Wiring Electrical Circuit Wiring

I Have 2007 Subaru Legacy Outback Sedan Ll Bean Edition

My Son Who Just Got Back From Iraq And Last Month

Iiii Have A 2003 Subaru Outback Wagon Every Time I Turn

Subaru - 96 Impreza Ecu Pinout

I Have A 1999 Subaru Forester The Right Side Turn Signal

I Need The Wiring Diagram For Theinstrument Cluster On A

Subaru Crosstrek Service Manual

Repair

Subaru - Dlc Pinout For Svx Ecu

Diagram 2000 Subaru Wiring Diagrams

  • Download 2000 Subaru Wiring Diagrams

    draw.io is free online diagram software for making flowcharts, process diagrams, org charts, UML, ER and network diagrams

    Open and edit diagrams online with Draw.io, a free diagram software supporting various formats and diagram types.

    Create a new diagram, or open an existing diagram in your new tab. To create a new diagram, enter a Diagram Name and click the location where you want to save the file.

    Create flowcharts and diagrams online with this easy to use software.

    Easily import diagrams from Lucidchart to diagrams.net or draw.io with this simple tool.

    Create and edit diagrams with draw.io, a free diagramming tool that integrates seamlessly with Office 365.

    Access and integrate Google Drive files with Draw.io using the Google Picker tool for seamless diagram creation.

    Clearing Cached version 29.3.2... OK Update Start App

    7.2 The Software will initiate transfers of data forming part of the Diagrams (“Diagram Data”) to services supplied by third parties when you expressly request conversion of Diagrams: a. to another supported file format; and b. to PDF format.

    Editing the diagram from page view may cause data loss. Please edit the Confluence page first and then edit the diagram. confConfigSpacePerm=Note: If you recently migrated from DC app, please check draw.io Configuration space permissions such that all users can read and only admins can write.

    3 way switch,3 way switch wiring,3 way switch wiring diagram pdf,3 way wiring diagram,3way switch wiring diagram,4 prong dryer outlet wiring diagram,4 prong trailer wiring diagram,6 way trailer wiring diagram,7 pin trailer wiring diagram with brakes,7 pin wiring diagram,alternator wiring diagram,amp wiring diagram,automotive lighting,cable harness,chevrolet,diagram,dodge,doorbell wiring diagram,ecobee wiring diagram,electric motor,electrical connector,electrical wiring,electrical wiring diagram,ford,fuse,honeywell thermostat wiring diagram,ignition system,kenwood car stereo wiring diagram,light switch wiring diagram,lighting,motor wiring diagram,nest doorbell wiring diagram,nest hello wiring diagram,nest labs,nest thermostat,nest thermostat wiring diagram,phone connector,pin,pioneer wiring diagram,plug wiring diagram,pump,radio,radio wiring diagram,relay,relay wiring diagram,resistor,rj45 wiring diagram,schematic,semi-trailer truck,sensor,seven pin trailer wiring diagram,speaker wiring diagram,starter wiring diagram,stereo wiring diagram,stereophonic sound,strat wiring diagram,switch,switch wiring diagram,telecaster wiring diagram,thermostat wiring,thermostat wiring diagram,trailer brake controller,trailer plug wiring diagram,trailer wiring diagram,user guide,wire,wire diagram,wiring diagram,wiring diagram 3 way switch,wiring harness

    close