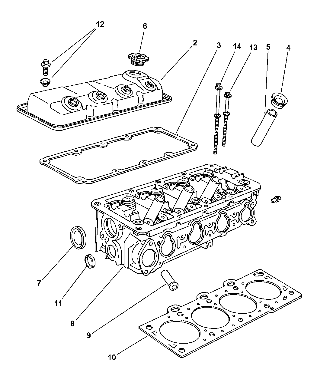
1999 Dodge Neon Engine Diagram

1999 Dodge Neon Engine Diagram

  • Category : Engine Diagram
  • Post Date : January 22, 2026
1999 Dodge Neon Engine Diagram 9 out of 10 based on 40 ratings. 30 user reviews.

1999 Dodge Neon Engine Diagram

2005 Dodge Neon Engine Diagram

2001 Dodge Neon Engine Diagram

2005 Dodge Neon Engine Diagram

2002 Dodge Neon Hid Wiring

2005 Dodge Neon Engine Diagram

2002 Dodge Neon Engine Diagram

Neon Sensor And Part Locations

97 F350sel Engine Diagram

2000 Dodge Neon Engine Diagram

5014127aa

1997 Dodge Neon Serpentine Belt Routing And Timing Belt

2001 Dodge Neon Engine Diagram Belt

5274952aa

4794275ac

2005 Dodge Neon Engine Diagram

Fan Shroud Genuine Mopar 05086237aa Dodge Neon 2002

2001 Dodge Neon 2 0l Fi Sohc 4cyl

I Have A Dodge Stratus 1998 Inside The Oil Pan Is A Box

2005 Dodge Neon Parts

Neon Engine Timing Belt Tensioner Pictures

Serp Belt Diagram Need A Diagram For The Serpentine Belt

Expired Storefront

Parts Com U00ae

2005 Dodge Neon Parts

Graphics For 97 Dodge Neon Factory With Graphics

2002 Dodge Neon Engine Diagram

Dodge Neon 2005 Engine Fuse Box Block Circuit Breaker

2002 2003 And 2005 Dodge Neon Sxt Car Reviews

2005 Dodge Neon Motor Mounts

2005 Dodge 2 0 Engine Diagram

1999 Dodge Neon Engine Diagram Gtcarlot Com Data

2002 Dodge Neon Engine Diagram

2000 Dodge Neon Engine Diagram

1998 Dodge Neon Engine Diagram U2022 Downloaddescargar Com

Dodge Neon Car Battery

2005 Dodge Neon Pcm Wire Diagram

I Have A 2005 Dodge Neon Srt4 With 58000 Miles And Last

My Son Has A 1995 Doge Neon With A 1997 Engine In It The

Have 1998 Neon 2 0 Sohc Where Is The Egr Valve Located

Neon Sensor And Part Locations

Parts Com U00ae

Diagram 1999 Dodge Neon Engine Diagram

  • Download 1999 Dodge Neon Engine Diagram

    draw.io is free online diagram software for making flowcharts, process diagrams, org charts, UML, ER and network diagrams

    Open and edit diagrams online with Draw.io, a free diagram software supporting various formats and diagram types.

    Create a new diagram, or open an existing diagram in your new tab. To create a new diagram, enter a Diagram Name and click the location where you want to save the file.

    Create flowcharts and diagrams online with this easy to use software.

    Easily import diagrams from Lucidchart to diagrams.net or draw.io with this simple tool.

    Create and edit diagrams with draw.io, a free diagramming tool that integrates seamlessly with Office 365.

    Access and integrate Google Drive files with Draw.io using the Google Picker tool for seamless diagram creation.

    Clearing Cached version 29.3.2... OK Update Start App

    7.2 The Software will initiate transfers of data forming part of the Diagrams (“Diagram Data”) to services supplied by third parties when you expressly request conversion of Diagrams: a. to another supported file format; and b. to PDF format.

    Editing the diagram from page view may cause data loss. Please edit the Confluence page first and then edit the diagram. confConfigSpacePerm=Note: If you recently migrated from DC app, please check draw.io Configuration space permissions such that all users can read and only admins can write.

    3 way switch,3 way switch wiring,3 way switch wiring diagram pdf,3 way wiring diagram,3way switch wiring diagram,4 prong dryer outlet wiring diagram,4 prong trailer wiring diagram,6 way trailer wiring diagram,7 pin trailer wiring diagram with brakes,7 pin wiring diagram,alternator wiring diagram,amp wiring diagram,automotive lighting,cable harness,chevrolet,diagram,dodge,doorbell wiring diagram,ecobee wiring diagram,electric motor,electrical connector,electrical wiring,electrical wiring diagram,ford,fuse,honeywell thermostat wiring diagram,ignition system,kenwood car stereo wiring diagram,light switch wiring diagram,lighting,motor wiring diagram,nest doorbell wiring diagram,nest hello wiring diagram,nest labs,nest thermostat,nest thermostat wiring diagram,phone connector,pin,pioneer wiring diagram,plug wiring diagram,pump,radio,radio wiring diagram,relay,relay wiring diagram,resistor,rj45 wiring diagram,schematic,semi-trailer truck,sensor,seven pin trailer wiring diagram,speaker wiring diagram,starter wiring diagram,stereo wiring diagram,stereophonic sound,strat wiring diagram,switch,switch wiring diagram,telecaster wiring diagram,thermostat wiring,thermostat wiring diagram,trailer brake controller,trailer plug wiring diagram,trailer wiring diagram,user guide,wire,wire diagram,wiring diagram,wiring diagram 3 way switch,wiring harness

    close