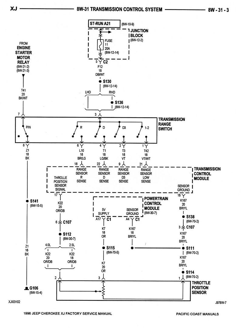
1998 Jeep Cherokee Tcm Wiring Diagram

1998 Jeep Cherokee Tcm Wiring Diagram

  • Category : Wiring Diagram
  • Post Date : January 22, 2026
1998 Jeep Cherokee Tcm Wiring Diagram 9 out of 10 based on 20 ratings. 30 user reviews.

1998 Jeep Cherokee Tcm Wiring Diagram

99 Tcm Diagram Aw4

Tcu Pin8 Wiring Problem - Xj

Tcu Pin8 Wiring Problem - Xj

44 Best Cherokee Diagrams Images On Pinterest

Cadillac U0101 Lost Communication With Tcm

71-84 Auto Trans Diagnosis - Aw4 1984

Blown Fuse 11

Aw4 Tcu Wiring Diagram

Tcu Pin8 Wiring Problem - Xj

Aw4 Wiring Diagram

P0884 U2013 Transmission Control Module Tcm

98 Cherokee Sport No Gauges

Megasquirt 91-95 Xj 4 0l Harness Pinout

71-84 Auto Trans Diagnosis - Aw4 1984

Grand Cherokee I Have A 93 Jeep Grand Cherokee With A 4 0l

Tcu Pin8 Wiring Problem - Xj

I Have A 98 Jeep Cherokee With Intermittent Gauge Cluster

Aw4 Tcm Wiring Diagram

98 Cherokee Cel Light Doesn U0026 39 T Display But Have Codes

Help 2000 Jeep Cherokee No Bus Code

Lost Jeeps U2022 View Topic

Aw4 Wiring Diagram

Jwr Automotive Diagnostics 2000 Jeep Grand Cherokee

1995 Jeep Gc Leredo 42re Trans Has No Power To The Trans

P0888 U2013 Transmission Control Module Tcm Power Relay

Help 2000 Jeep Cherokee No Bus Code

Wire Diagram 1998 Jeep Xj Tcm Jeep Auto Wiring Diagram

Grand Cherokee I Need A Pinout Diagram For The Pcm Ecu For

Where Is The Transmission Control Module Tcm On A 1999

71-84 Auto Trans Diagnosis - Aw4 1984

Jeep Experts Only Please 1999 Grand Cherokee 4wd 4 7l V8

98 Cherokee Won U0026 39 T Shift Into Overdrive

Tcu Pin8 Wiring Problem - Xj

My 99 Jeep Grand Cherokee Was Having Shifting Problems The

P0740 Check Engine Code

Diagram 2000 Jeep Cherokee Body Control Module Wiring

Allison 1000 Transmission Wiring Diagram

2003 Jeep Grand Cherokee Fuse Diagrams U2014 Ricks Free Auto

Awesome 2001 Jeep Grand Cherokee Radio Wiring Diagram

Aw4 Tcm Wiring Diagram

Diagram 2000 Jeep Cherokee Body Control Module Wiring

2005 Jeep Grand Cherokee 3 7 Chk Engine Light On Code

I Have A 2003 Grand Cherokee That Keeps Blowing The Asd Fuse

Diagram 2000 Jeep Cherokee Body Control Module Wiring

Help Troubleshooting P0891

98 Cherokee Odbii Ccd Bus Voltage Fails Check

Jeep Cherokee 1998 Njeep Cherokee Sport Will Not Start

Tranny Problem Help U0026 39 98 Cherokee Sport

Diagram 2000 Jeep Cherokee Body Control Module Wiring

Diagram 1998 Jeep Cherokee Tcm Wiring Diagram

  • Download 1998 Jeep Cherokee Tcm Wiring Diagram

    draw.io is free online diagram software for making flowcharts, process diagrams, org charts, UML, ER and network diagrams

    Open and edit diagrams online with Draw.io, a free diagram software supporting various formats and diagram types.

    Create a new diagram, or open an existing diagram in your new tab. To create a new diagram, enter a Diagram Name and click the location where you want to save the file.

    Create flowcharts and diagrams online with this easy to use software.

    Easily import diagrams from Lucidchart to diagrams.net or draw.io with this simple tool.

    Create and edit diagrams with draw.io, a free diagramming tool that integrates seamlessly with Office 365.

    Access and integrate Google Drive files with Draw.io using the Google Picker tool for seamless diagram creation.

    Clearing Cached version 29.3.2... OK Update Start App

    7.2 The Software will initiate transfers of data forming part of the Diagrams (“Diagram Data”) to services supplied by third parties when you expressly request conversion of Diagrams: a. to another supported file format; and b. to PDF format.

    Editing the diagram from page view may cause data loss. Please edit the Confluence page first and then edit the diagram. confConfigSpacePerm=Note: If you recently migrated from DC app, please check draw.io Configuration space permissions such that all users can read and only admins can write.

    3 way switch,3 way switch wiring,3 way switch wiring diagram pdf,3 way wiring diagram,3way switch wiring diagram,4 prong dryer outlet wiring diagram,4 prong trailer wiring diagram,6 way trailer wiring diagram,7 pin trailer wiring diagram with brakes,7 pin wiring diagram,alternator wiring diagram,amp wiring diagram,automotive lighting,cable harness,chevrolet,diagram,dodge,doorbell wiring diagram,ecobee wiring diagram,electric motor,electrical connector,electrical wiring,electrical wiring diagram,ford,fuse,honeywell thermostat wiring diagram,ignition system,kenwood car stereo wiring diagram,light switch wiring diagram,lighting,motor wiring diagram,nest doorbell wiring diagram,nest hello wiring diagram,nest labs,nest thermostat,nest thermostat wiring diagram,phone connector,pin,pioneer wiring diagram,plug wiring diagram,pump,radio,radio wiring diagram,relay,relay wiring diagram,resistor,rj45 wiring diagram,schematic,semi-trailer truck,sensor,seven pin trailer wiring diagram,speaker wiring diagram,starter wiring diagram,stereo wiring diagram,stereophonic sound,strat wiring diagram,switch,switch wiring diagram,telecaster wiring diagram,thermostat wiring,thermostat wiring diagram,trailer brake controller,trailer plug wiring diagram,trailer wiring diagram,user guide,wire,wire diagram,wiring diagram,wiring diagram 3 way switch,wiring harness

    close