1996 Force Outboard Engine Diagram

1996 Force Outboard Engine Diagram

  • Category : Engine Diagram
  • Post Date : January 22, 2026
1996 Force Outboard Engine Diagram 9 out of 10 based on 100 ratings. 40 user reviews.

1996 Force Outboard Engine Diagram

Force 50 Hp 1992

Force 125 Hp 1988 Gear Housing Parts

Force 120 Hp 1990 L

Force 85 Hp 1989 Gear Housing Parts

Force 125 Hp 1989 Gear Housing Parts

Force 35 Hp 1986 Gear Housing Parts

Force 85 Hp 1986 Gear Housing Parts

Force 85 Hp 1985 Powerhead Parts

Force 85 Hp 1989 Carburetor Parts

Force 7 5 Hp 1985 Gear Housing Parts

Force 50 Hp 1988 Carburetor Parts

Force 85 Hp 1985 Gear Housing Parts

Force 40 Hp 1998 Recirculation U0026 Prime System Parts

Force 120 Hp 1990-1994 Carburetor 0e009500

Force 90 Hp 1991

Force 120 Hp 1991 L

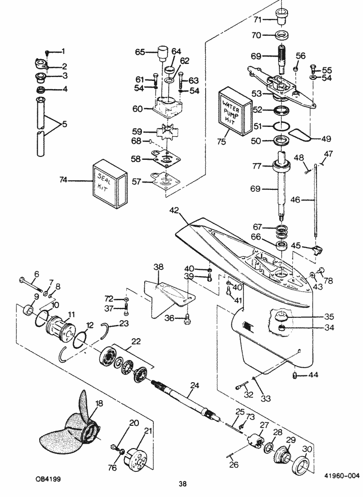
Force 40 Hp 1996 Gear Housing Assembly Driveshaft Parts

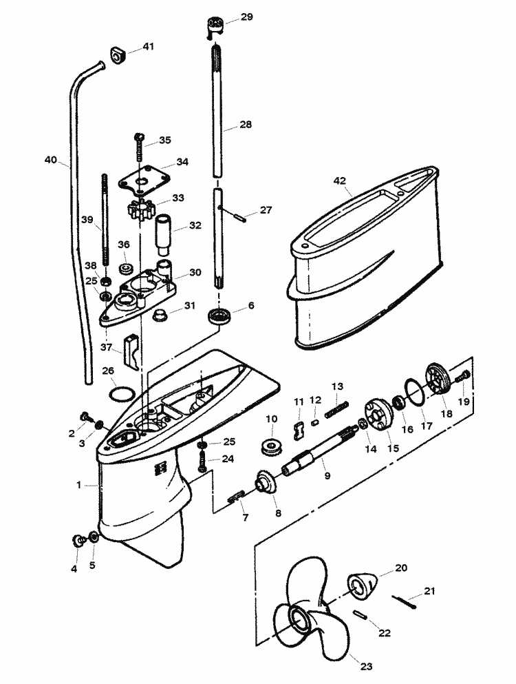
Force 40 Hp 1998 Gear Housing Assembly Propeller Shaft

Force 120 Hp 1998 Carburetor Parts

Force 120 Hp 1999 Driveshaft Housing Parts

Force 85 Hp 1985 Carburetor Side Jet Style Parts

Force 5 Hp 1996 Gear Housing Assembly Parts

Force 120 Hp 1990

Force 70 Hp 1991 Stern Brackets

Diagram Of An Outboard Motor

Force 50 Hp Wiring Diagram Needed Page 1

Force 40 Hp 1992

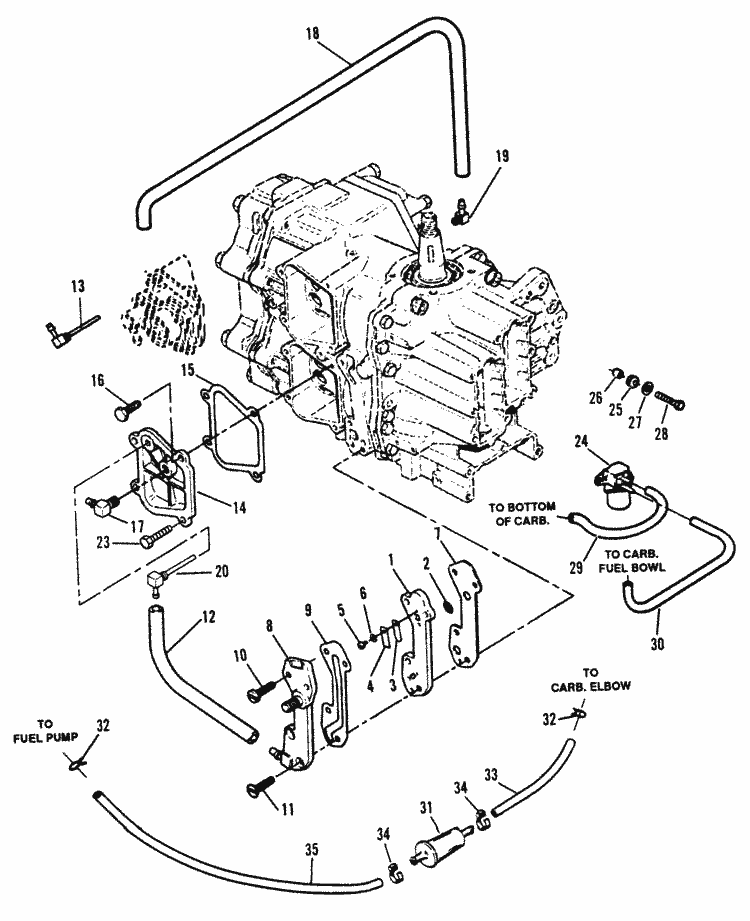
Force 40 Hp 1998 Carburetor Parts

1991 Force 150 No Spark Page 1

Force 50 Hp Wiring Diagram Needed Page 1

1992 Force 50hp Wiring Diagram Page 1

Mastertech Marine

U0026 39 91 90hp Force Outboard

88hp Force Looking For A Wiring Diagram Page 1

Force Outboard Owners Manual

Mastertech Marine

Force 40 Hp Mercury Outboard Wiring Diagram

Force 50 Hp 1986 Alternator U0026 Electrical Components Parts

Force 120 Hp 1990-1994 Design I

Force 125 Hp 1989 L

Mercury Force 50 H P 1991 Engine Cover Force Models

Force 120 Hp 1990 L

Force 125 Hp 1988 Carburetor Parts

Force 125 Hp 1986 Electrical Components U0026quot B U0026quot Models Parts

Force 85 Hp 1985 Electrical Components Parts

Force 50 Hp 1989 Cylinder Block Head U0026 Exhaust Chest

120 Force 2 Stroke Outboard Spark Plugs

Force 40 Hp 1992

Diagram 1996 Force Outboard Engine Diagram

  • Download 1996 Force Outboard Engine Diagram

    draw.io is free online diagram software for making flowcharts, process diagrams, org charts, UML, ER and network diagrams

    Open and edit diagrams online with Draw.io, a free diagram software supporting various formats and diagram types.

    Create a new diagram, or open an existing diagram in your new tab. To create a new diagram, enter a Diagram Name and click the location where you want to save the file.

    Create flowcharts and diagrams online with this easy to use software.

    Easily import diagrams from Lucidchart to diagrams.net or draw.io with this simple tool.

    Create and edit diagrams with draw.io, a free diagramming tool that integrates seamlessly with Office 365.

    Access and integrate Google Drive files with Draw.io using the Google Picker tool for seamless diagram creation.

    Clearing Cached version 29.3.2... OK Update Start App

    7.2 The Software will initiate transfers of data forming part of the Diagrams (“Diagram Data”) to services supplied by third parties when you expressly request conversion of Diagrams: a. to another supported file format; and b. to PDF format.

    Editing the diagram from page view may cause data loss. Please edit the Confluence page first and then edit the diagram. confConfigSpacePerm=Note: If you recently migrated from DC app, please check draw.io Configuration space permissions such that all users can read and only admins can write.

    3 way switch,3 way switch wiring,3 way switch wiring diagram pdf,3 way wiring diagram,3way switch wiring diagram,4 prong dryer outlet wiring diagram,4 prong trailer wiring diagram,6 way trailer wiring diagram,7 pin trailer wiring diagram with brakes,7 pin wiring diagram,alternator wiring diagram,amp wiring diagram,automotive lighting,cable harness,chevrolet,diagram,dodge,doorbell wiring diagram,ecobee wiring diagram,electric motor,electrical connector,electrical wiring,electrical wiring diagram,ford,fuse,honeywell thermostat wiring diagram,ignition system,kenwood car stereo wiring diagram,light switch wiring diagram,lighting,motor wiring diagram,nest doorbell wiring diagram,nest hello wiring diagram,nest labs,nest thermostat,nest thermostat wiring diagram,phone connector,pin,pioneer wiring diagram,plug wiring diagram,pump,radio,radio wiring diagram,relay,relay wiring diagram,resistor,rj45 wiring diagram,schematic,semi-trailer truck,sensor,seven pin trailer wiring diagram,speaker wiring diagram,starter wiring diagram,stereo wiring diagram,stereophonic sound,strat wiring diagram,switch,switch wiring diagram,telecaster wiring diagram,thermostat wiring,thermostat wiring diagram,trailer brake controller,trailer plug wiring diagram,trailer wiring diagram,user guide,wire,wire diagram,wiring diagram,wiring diagram 3 way switch,wiring harness

    close