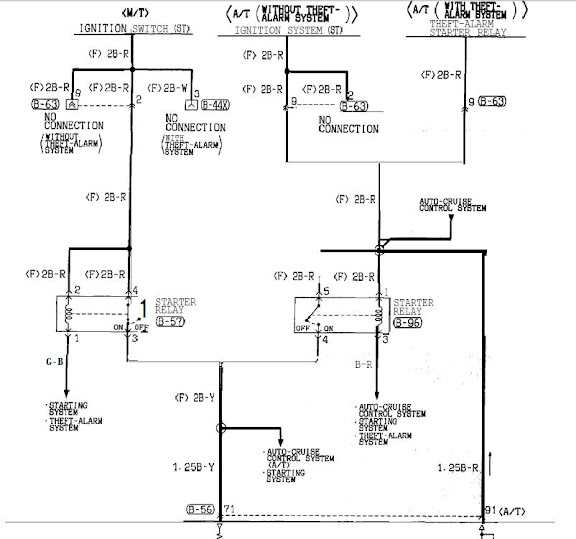
1996 Eclipse Spyder Starter Diagram

1996 Eclipse Spyder Starter Diagram

  • Category : Starter Diagram
  • Post Date : January 22, 2026
1996 Eclipse Spyder Starter Diagram 9 out of 10 based on 100 ratings. 40 user reviews.

1996 Eclipse Spyder Starter Diagram

Parts Com U00ae

Parts Com U00ae

Parts Com U00ae

Need Diagram Of Fuse Relay Box That Has The Starter Relay

Parts Com U00ae

No Power To The Ecu

Bmw 5 Series Fuse Box Diagram Bmw E36 Fuse Box Diagram

Howtorepairguide Com Removing Seats From Mitsubishi Space

Human Resources Organizational Chart Hotel Organizational

Human Resources Organizational Chart Hotel Organizational

Diagram 1996 Eclipse Spyder Starter Diagram

  • Download 1996 Eclipse Spyder Starter Diagram

    Gas only models come in five trim levels: L, LE, SE, XSE and XLE. Shoppers who’re interested in the Camry Hybrid can choose from LE, XLE and SE trims. All models come with front wheel drive. Read our complete 2019 Toyota Camry Review and see specs, pricing, and exclusive reliability data. © 2020 CARFAX, Inc (Last Updated 1 28 2025)

    Save up to $9,664 on one of 2,975 used 2019 Toyota Camries in Seattle, WA. Find your perfect car with Edmunds expert reviews, car comparisons, and pricing tools.

    Get current 2019 Camry fair market price, depreciation, trade in, and resale values from the trusted experts at Kelley Blue Book.

    Browse the best January 2026 deals on 2019 Toyota Camry vehicles for sale in Seattle, WA. Save $6,010 right now on a 2019 Toyota Camry on CarGurus.

    Shop 2019 Toyota Camry vehicles in Seattle, WA for sale at Cars . Research, compare, and save listings, or contact sellers directly from 9 2019 Camry models in Seattle, WA.

    Search over 53 used 2019 Toyota Camry for sale in Seattle, WA. With 724,766 listings nationwide, updated daily, compare prices and find a great local deal today.

    The 2019 Toyota Camry is praised for its reliability, fuel efficiency, and comfortable handling. Concerns include cabin noise, moderate engine power, and limited technology features.

    See our expert review on the 2019 Toyota Camry and where it ranks among other midsize cars. Research the ratings, prices, pictures, MPG and more.

    Test drive Used 2019 Toyota Camry at home from the top dealers in your area. Search from 904 Used Toyota Camry cars for sale, including a 2019 Toyota Camry L, a 2019 Toyota Camry LE, and a 2019 Toyota Camry SE ranging in price from $5,795 to $39,999.

    The 2019 Toyota Camry SE Auto presents a perfect blend of efficiency and style, featuring a sleek white exterior that exudes elegance on the road. Its...

    3 way switch,3 way switch wiring,3 way switch wiring diagram pdf,3 way wiring diagram,3way switch wiring diagram,4 prong dryer outlet wiring diagram,4 prong trailer wiring diagram,6 way trailer wiring diagram,7 pin trailer wiring diagram with brakes,7 pin wiring diagram,alternator wiring diagram,amp wiring diagram,automotive lighting,cable harness,chevrolet,diagram,dodge,doorbell wiring diagram,ecobee wiring diagram,electric motor,electrical connector,electrical wiring,electrical wiring diagram,ford,fuse,honeywell thermostat wiring diagram,ignition system,kenwood car stereo wiring diagram,light switch wiring diagram,lighting,motor wiring diagram,nest doorbell wiring diagram,nest hello wiring diagram,nest labs,nest thermostat,nest thermostat wiring diagram,phone connector,pin,pioneer wiring diagram,plug wiring diagram,pump,radio,radio wiring diagram,relay,relay wiring diagram,resistor,rj45 wiring diagram,schematic,semi-trailer truck,sensor,seven pin trailer wiring diagram,speaker wiring diagram,starter wiring diagram,stereo wiring diagram,stereophonic sound,strat wiring diagram,switch,switch wiring diagram,telecaster wiring diagram,thermostat wiring,thermostat wiring diagram,trailer brake controller,trailer plug wiring diagram,trailer wiring diagram,user guide,wire,wire diagram,wiring diagram,wiring diagram 3 way switch,wiring harness

    close