1990 Crx Light Wiring Diagram

1990 Crx Light Wiring Diagram

  • Category : Wiring Diagram
  • Post Date : January 22, 2026
1990 Crx Light Wiring Diagram 9 out of 10 based on 10 ratings. 10 user reviews.

1990 Crx Light Wiring Diagram

Crx Community Forum U2022 View Topic

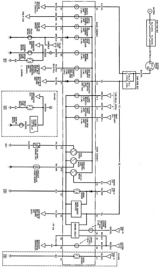
Headlight Wiring Diagram

Honda Prelude Vtec Blower 1999 Fuse Box Block Circuit

49848 Western Snow Plow Wiring Harness

Wiring 94 Integra Head Light Wires To Dc2 Headlights

Fog Light Hook Up Relay

Obd-0 Pr4 Ecu Pinout Help

631 Best Toyota Land Cruiser Fj40 Fj45 Fj55 Icon Hj47

S2000 Cluster Swap

Honda Prelude Vtec Blower 1999 Fuse Box Block Circuit

5e11d Dodge Stealth Fuse Box

69 Charger Dash Wiring Questions

Honda Civic Main Relay Location Honda Wiring Diagram Images

Smartest Giant In Town Activities

Diagram 1990 Crx Light Wiring Diagram

  • Download 1990 Crx Light Wiring Diagram

    draw.io is free online diagram software for making flowcharts, process diagrams, org charts, UML, ER and network diagrams

    Open and edit diagrams online with Draw.io, a free diagram software supporting various formats and diagram types.

    Create a new diagram, or open an existing diagram in your new tab. To create a new diagram, enter a Diagram Name and click the location where you want to save the file.

    Create flowcharts and diagrams online with this easy to use software.

    Create and edit diagrams with draw.io, a free diagramming tool that integrates seamlessly with Office 365.

    Easily import diagrams from Lucidchart to diagrams.net or draw.io with this simple tool.

    Access and integrate Google Drive files with Draw.io using the Google Picker tool for seamless diagram creation.

    Clearing Cached version 29.3.2... OK Update Start App

    confEmbedUpload=For a better editing experience, please use the regular draw.io macro to insert a blank diagram, then from (File menu → Import From → Device...) select the file you want to upload and embed.

    Editing the diagram from page view may cause data loss. Please edit the Confluence page first and then edit the diagram. confConfigSpacePerm=Note: If you recently migrated from DC app, please check draw.io Configuration space permissions such that all users can read and only admins can write.

    3 way switch,3 way switch wiring,3 way switch wiring diagram pdf,3 way wiring diagram,3way switch wiring diagram,4 prong dryer outlet wiring diagram,4 prong trailer wiring diagram,6 way trailer wiring diagram,7 pin trailer wiring diagram with brakes,7 pin wiring diagram,alternator wiring diagram,amp wiring diagram,automotive lighting,cable harness,chevrolet,diagram,dodge,doorbell wiring diagram,ecobee wiring diagram,electric motor,electrical connector,electrical wiring,electrical wiring diagram,ford,fuse,honeywell thermostat wiring diagram,ignition system,kenwood car stereo wiring diagram,light switch wiring diagram,lighting,motor wiring diagram,nest doorbell wiring diagram,nest hello wiring diagram,nest labs,nest thermostat,nest thermostat wiring diagram,phone connector,pin,pioneer wiring diagram,plug wiring diagram,pump,radio,radio wiring diagram,relay,relay wiring diagram,resistor,rj45 wiring diagram,schematic,semi-trailer truck,sensor,seven pin trailer wiring diagram,speaker wiring diagram,starter wiring diagram,stereo wiring diagram,stereophonic sound,strat wiring diagram,switch,switch wiring diagram,telecaster wiring diagram,thermostat wiring,thermostat wiring diagram,trailer brake controller,trailer plug wiring diagram,trailer wiring diagram,user guide,wire,wire diagram,wiring diagram,wiring diagram 3 way switch,wiring harness

    close