1990 70 Hp Evinrude Wiring Diagram Schematic

1990 70 Hp Evinrude Wiring Diagram Schematic

  • Category : Diagram Schematic
  • Post Date : January 22, 2026
1990 70 Hp Evinrude Wiring Diagram Schematic 9 out of 10 based on 90 ratings. 20 user reviews.

1990 70 Hp Evinrude Wiring Diagram Schematic

Fuse Box And Wiring Diagram

Having Just Completed My Beach Buggy I Am Now Starting To Rebuild A Evinrude 1970 71 70hp

Diagram 1989 70 Hp Evinrude Wiring Diagram Full Version Hd Quality Wiring Diagram

Mastertech Marine

Image Result For 70 Hp Johnson 1988 Wiring To Tachometer Etc Diagram

Evinrude Johnson Outboard Wiring Diagrams

Evinrude Wiring Diagram Outboards

Mastertech Marine

70 Hp Johnson Outboard Motor Troubleshooting

Evinrude Power Tilt U0026 Trim Page 1

Mastertech Marine

Diagram 1989 70 Hp Evinrude Wiring Diagram Full Version Hd Quality Wiring Diagram

Evinrude Johnson Outboard Wiring Diagrams

Diagram 1989 70 Hp Evinrude Wiring Diagram Full Version Hd Quality Wiring Diagram

Evinrude Johnson Outboard Wiring Diagrams

Mastertech Marine

Evinrude Johnson Outboard Wiring Diagrams

Evinrude Ignition System Parts For 1977 70hp 70773s Outboard Motor

Solved 1992 Evinrude 70 Hp

Mastertech Marine

Evinrude Johnson Outboard Wiring Diagrams

Evinrude Ignition Switch Wiring Diagram

Evinrude 45 Hp Outboard Motor

Evinrude Johnson Outboard Wiring Diagrams

Diagram 1989 70 Hp Evinrude Wiring Diagram Full Version Hd Quality Wiring Diagram

Diagram 1989 70 Hp Evinrude Wiring Diagram Full Version Hd Quality Wiring Diagram

Evinrude Johnson Outboard Wiring Diagrams

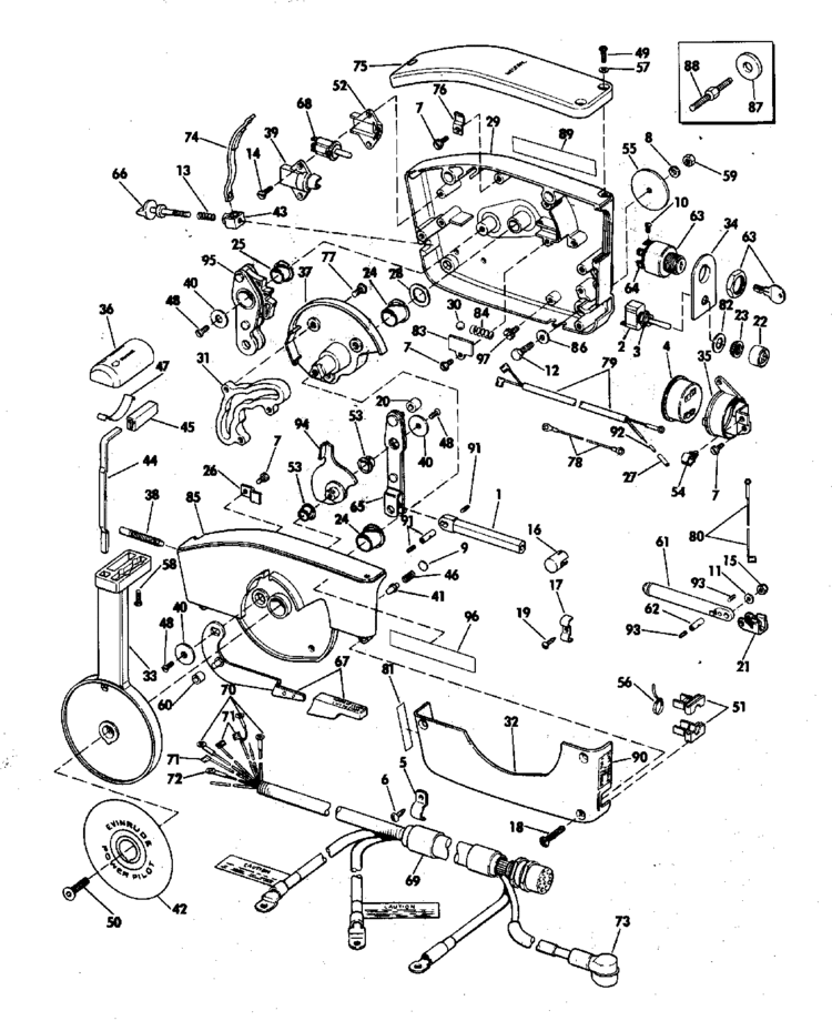
Evinrude Remote Control Parts For 1975 70hp 70573b Outboard Motor

Evinrude Intake Manifold Parts For 1986 70hp E70tlcdc Outboard Motor

Diagram 1989 70 Hp Evinrude Wiring Diagram Full Version Hd Quality Wiring Diagram

Evinrude Carburetor Parts For 1986 70hp E70elcdc Outboard Motor

1970 Evinrude U0026 Johnson Outboard Ignition Wiring Diagrams 33

Evinrude Ignition System Parts For 1990 70hp Te70tlesf Outboard Motor

70 Hp Evinrude Wiring Diagram

Evinrude Johnson 2

Mastertech Marine

Mastertech Marine

Evinrude Johnson Outboard Wiring Diagrams

Diagram 1990 70 Hp Evinrude Wiring Diagram Schematic

  • Download 1990 70 Hp Evinrude Wiring Diagram Schematic

    draw.io is free online diagram software for making flowcharts, process diagrams, org charts, UML, ER and network diagrams

    Open and edit diagrams online with Draw.io, a free diagram software supporting various formats and diagram types.

    Create a new diagram, or open an existing diagram in your new tab. To create a new diagram, enter a Diagram Name and click the location where you want to save the file.

    Create flowcharts and diagrams online with this easy to use software.

    Create and edit diagrams with draw.io, a free diagramming tool that integrates seamlessly with Office 365.

    Easily import diagrams from Lucidchart to diagrams.net or draw.io with this simple tool.

    Access and integrate Google Drive files with Draw.io using the Google Picker tool for seamless diagram creation.

    Clearing Cached version 29.3.2... OK Update Start App

    confEmbedUpload=For a better editing experience, please use the regular draw.io macro to insert a blank diagram, then from (File menu → Import From → Device...) select the file you want to upload and embed.

    Editing the diagram from page view may cause data loss. Please edit the Confluence page first and then edit the diagram. confConfigSpacePerm=Note: If you recently migrated from DC app, please check draw.io Configuration space permissions such that all users can read and only admins can write.

    3 way switch,3 way switch wiring,3 way switch wiring diagram pdf,3 way wiring diagram,3way switch wiring diagram,4 prong dryer outlet wiring diagram,4 prong trailer wiring diagram,6 way trailer wiring diagram,7 pin trailer wiring diagram with brakes,7 pin wiring diagram,alternator wiring diagram,amp wiring diagram,automotive lighting,cable harness,chevrolet,diagram,dodge,doorbell wiring diagram,ecobee wiring diagram,electric motor,electrical connector,electrical wiring,electrical wiring diagram,ford,fuse,honeywell thermostat wiring diagram,ignition system,kenwood car stereo wiring diagram,light switch wiring diagram,lighting,motor wiring diagram,nest doorbell wiring diagram,nest hello wiring diagram,nest labs,nest thermostat,nest thermostat wiring diagram,phone connector,pin,pioneer wiring diagram,plug wiring diagram,pump,radio,radio wiring diagram,relay,relay wiring diagram,resistor,rj45 wiring diagram,schematic,semi-trailer truck,sensor,seven pin trailer wiring diagram,speaker wiring diagram,starter wiring diagram,stereo wiring diagram,stereophonic sound,strat wiring diagram,switch,switch wiring diagram,telecaster wiring diagram,thermostat wiring,thermostat wiring diagram,trailer brake controller,trailer plug wiring diagram,trailer wiring diagram,user guide,wire,wire diagram,wiring diagram,wiring diagram 3 way switch,wiring harness

    close